Foram encontradas 90 questões.
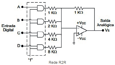
O circuito abaixo representa um conversor Digital-Analógico com chave seletora digital, qual é a expressão que representa a saída Vs:

Provas
Questão presente nas seguintes provas
Dado o circuito a seguir, assinale a alternativa que apresenta a resposta correspondente à saída F.

Provas
Questão presente nas seguintes provas
Chamamos de “Tabela Verdade” um mapa em que colocamos todas as possíveis situações com seus respectivos resultados. Segundo a tabela verdade abaixo, identifique que tipo de porta lógica representa, sendo A e B entradas e Q a saída.
| A | B | C |
| 0 | 0 | 0 |
| 0 | 1 | 0 |
| 1 | 0 | 0 |
| 1 | 1 | 1 |
Tabela Verdade
Provas
Questão presente nas seguintes provas
O esquema a seguir é de um retificador de tensão tipo completa em ponte. Assinale a alternativa que apresenta os diodos que atuam quando o semiciclo da tensão de entrada estiver positivo.

Provas
Questão presente nas seguintes provas
O amplificador operacional é um circuito integrado formado por vários estágios de amplificadores acoplados diretamente. O bloco de entrada constitui-se num amplificador diferencial responsável por amplificar a diferença de potencial entre as entradas.
Sobre esse tema, analise as afirmativas a seguir.
I. O conjunto todo produz elevado ganho de tensão, apresentando alta impedância de entrada e baixa impedância de saída.
II. O amplificador operacional ideal age como uma fonte de tensão dependente que apresenta na saída uma tensão proporcional à diferença entre a tensão aplicada às entradas inversora e não inversora.
III. Obviamente, não há um amplificador operacional ideal, mas as características dos dispositivos reais são muito boas, a ponto de apresentarem, na maioria dos usos, uma resposta altamente satisfatória.
Está correto o que se afirma em:
Provas
Questão presente nas seguintes provas
Analise as afirmativas a seguir sobre componentes passivos.
I. São capazes de gerar energia e/ou necessitam ser energizados de alguma forma para funcionar.
II. Podem ser usados de alguma forma para amplificar sinais ou mudar o formato do sinal elétrico.
III. Não podem gerar energia e nem necessitam de energia para funcionar.
IV. Alguns componentes passivos são capazes de armazenar energia.
Está correto o que se afirma em:
Provas
Questão presente nas seguintes provas
Assinale a alternativa INCORRETA referente aos materiais semicondutores.
Provas
Questão presente nas seguintes provas
Analise as afirmativas a seguir.
I. A corrente alternada, ou CA (em inglês AC), é uma corrente elétrica cujas magnitude e direção variam ciclicamente.
II. A forma usual em um circuito de potência CA é senoidal, por ser a forma de transmissão de energia mais eficiente nas cidades.
III. A corrente alternada foi adaptada para transmissão de energia elétrica a longas distancias devido à vantagem de apresentar possibilidade de alteração de seus valores de tensão e corrente.
IV. Por meio de transformadores, podemos adequar os valores da tensão e corrente alternada com pouca perda de potência elétrica.
Está correto o que se afirma em:
Provas
Questão presente nas seguintes provas
Assinale a alternativa incorreta sobre motores de indução.
Provas
Questão presente nas seguintes provas
Assinale a alternativa que apresenta o tipo de ensaio que se refere o texto abaixo.
Este ensaio ocorre quando o motor da máquina elétrica gira sem qualquer carga externa acoplada ao seu eixo. Na máquina de indução, consiste em aplicar a tensão nominal nos terminais do estator e medir essa tensão, a corrente de linha resultante e a potência ativa total fornecida à máquina. Com esses parâmetros, é possível verificar as perdas relacionadas e a potência reativa das máquinas.
Provas
Questão presente nas seguintes provas
Cadernos
Caderno Container