Foram encontradas 60 questões.
A tabela abaixo mostra alguns comprimentos de onda de luz visível
que podem ser emitidos por átomo de Hélio.
Cor Comprimento de onda (ºA)
vermelha 6678,00
amarela 5875,00
azul 4388,00
violeta 4026,00
Considerando que a luz emitida se propaga no ar, é correto afirmar que
Cor Comprimento de onda (ºA)
vermelha 6678,00
amarela 5875,00
azul 4388,00
violeta 4026,00
Considerando que a luz emitida se propaga no ar, é correto afirmar que
Provas
Questão presente nas seguintes provas
A figura representa dois anteparos separados por uma distância D.
Sobre o primeiro anteparo incide um feixe de raios luminosos
horizontais, de luz monocromática. No anteparo existem duas
fendas F1 e F2, separadas por uma distância d, muito menor que D,
através das quais a luz se difrata e forma, sobre o segundo
anteparo, uma figura de interferência. O ponto P é um dos pontos
mais próximos do ponto central O equidistante das fontes F1 e F2
onde se localiza uma franja escura. A diferença de percurso no
ponto P entre as duas luzes provenientes das fendas F1 e F2 é
2,4.10-7m.

Assim, a cor usada no experimento é

Assim, a cor usada no experimento é
Provas
Questão presente nas seguintes provas
- EletromagnetismoElétricaAssociação de Resistores
- EletromagnetismoElétricaCircuitos Elétricos Especiais: Leis de Kirchhoff e Ponte de Wheatstone
- EletromagnetismoElétricaEletricidade
- EletromagnetismoElétricaResistores e Potência Elétrica
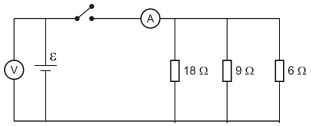
Um gerador de força eletromotriz ε e resistência interna r é usado
para alimentar três resistores ligados como mostra o esquema
abaixo:

Com a chave C aberta, o voltímetro (ideal) indica 36 V. Com a chave fechada, o amperímetro (ideal) indica 10 A.
Sendo assim, a resistência interna r do gerador é de

Com a chave C aberta, o voltímetro (ideal) indica 36 V. Com a chave fechada, o amperímetro (ideal) indica 10 A.
Sendo assim, a resistência interna r do gerador é de
Provas
Questão presente nas seguintes provas
Duas lentes esféricas e delgadas, uma convergente de 2 di e outra
divergente, de mesmo eixo principal, estão separadas por uma
distância de 25cm.

Nessas condições, formam um sistema óptico afocal, como ilustra a figura. A convergência da lente divergente é:

Nessas condições, formam um sistema óptico afocal, como ilustra a figura. A convergência da lente divergente é:
Provas
Questão presente nas seguintes provas
Um objeto linear encontra-se em frente a um anteparo vertical
localizado a uma distância d. Introduz-se entres eles uma lente
convergente, cujo eixo principal é horizontal. Verifica-se que
existem duas posições, separadas por uma distância d/2, nas quais a
lente sendo colocada, obtém-se imagens nítidas do objeto
projetadas no anteparo. Quando a lente está mais próxima do
objeto, a altura da imagem é i; quando a lente está mais afastada
do objeto, a altura da imagem é i`.
A razão i/i´ é igual a
A razão i/i´ é igual a
Provas
Questão presente nas seguintes provas
Um raio de luz monocromática, vindo do ar, chega com ângulo de
incidência î à superfície livre da água contida num recipiente, como
mostra a figura 1. Sendo o índice de refração da água nA, ele
emerge com ângulo de refração r1. Se para chegar à água esse raio
luminoso tiver que atravessar uma tampa de vidro de índice de
refração nV > nA, como mostra a figura 2, emergirá com ângulo de
refração r2. Se, porém, para chegar à água tiver que atravessar
uma tampa de plástico de índice de refração nP < nA, como mostra
a figura 3, emergirá com ângulo de refração r3.

Esses ângulos de refração são tais que

Esses ângulos de refração são tais que
Provas
Questão presente nas seguintes provas
A figura mostra um círculo APBM de centro em C. A carga Q está
fixa no ponto médio do segmento MC. A carga q, inicialmente em
A, vai se deslocar até B.

O trabalho realizado pela força de origem elétrica que atua sobre a carga q vale W quando ela se desloca ao longo do diâmetro horizontal A → C → B, vale W` quando ela se desloca ao longo da linha quebrada A → P → M e vale W" quando ela se desloca ao longo do arco A → M → B. Nesse caso, é correto afirmar que

O trabalho realizado pela força de origem elétrica que atua sobre a carga q vale W quando ela se desloca ao longo do diâmetro horizontal A → C → B, vale W` quando ela se desloca ao longo da linha quebrada A → P → M e vale W" quando ela se desloca ao longo do arco A → M → B. Nesse caso, é correto afirmar que
Provas
Questão presente nas seguintes provas
No circuito esquematizado pela figura, o voltímetro ideal indica 12
V.

Quando a chave C é fechada, o voltímetro continua indicando 12 V; já o amperímetro ideal indica

Quando a chave C é fechada, o voltímetro continua indicando 12 V; já o amperímetro ideal indica
Provas
Questão presente nas seguintes provas
As figuras A e B representam dois padrões estacionários que
podem ser formados em uma mesma corda.

Sabe-se que ao vibrar de acordo com o padrão A, a frequência é de 100 Hz; assim, a frequência do padrão B é de

Sabe-se que ao vibrar de acordo com o padrão A, a frequência é de 100 Hz; assim, a frequência do padrão B é de
Provas
Questão presente nas seguintes provas
Uma esfera oscila horizontalmente em movimento harmônico
simples presa à extremidade de uma mola. Seu deslocamento
pode ser descrito pela equação X = 0,2.cos (3π.t + π), medida no
sistema internacional de unidades.
A velocidade da esfera quando t = 1 s é
A velocidade da esfera quando t = 1 s é
Provas
Questão presente nas seguintes provas
Cadernos
Caderno Container