Foram encontradas 630 questões.
Um circuito RLC em série possui frequência de ressonância de 10.000 Hz. Se R = 5Ω e XL = 200 Ω na ressonância, a banda passante é
Provas

Tendo por base o circuito apresentado anteriormente, em que E1 = 27 V e E2 = 48 V, o módulo da corrente que atravessa o resistor de 4Ω é
Provas

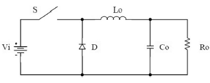
Em relação ao conversor CC-CC mostrado no circuito precedente, é correto afirmar que
Provas

Considerando a figura apresentada, assinale a opção correta acerca das saídas, caso as entradas para o latch sejam ambas zero.
Provas

Considerando o quadripolo precedente, assinale a opção correta.
Provas
Considerando a propagação de uma onda eletromagnética em um guia, de modo não evanescente, assinale a opção correta.
Provas
Em relação às famílias de circuitos lógicos, assinale a opção correta.
Provas
Considere um amplificador operacional ideal, conectado a fontes de alimentação em corrente contínua de ±10 V. A entrada recebe tensão senoidal de 1 V de pico, enquanto a saída apresenta tensão também senoidal de 10 V de pico, fornecida a uma carga de 1 kΩ. O amplificador drena uma corrente de 10 mA de cada uma das fontes de alimentação, e a corrente de entrada é de 0,1 mA de pico, senoidal. Em relação a esse circuito, assinale a opção correta.
Provas
A respeito das características e das técnicas de digitalização dos sinais de áudio e vídeo, para o SBTVD, assinale a opção correta. A A largura de banda do canal de UHF utilizado é de 6 MHz, mas efetivamente só se usa 5,5 MHz nos canais digitais.
Provas
Disciplina: TI - Segurança da Informação
Banca: CESPE / CEBRASPE
Orgão: POLITEC-RO
- CriptografiaConceitos e Fundamentos de Criptografia
- CriptografiaCriptografia AssimétricaRSA: Rivest, Shamir and Adelman
No que diz respeito a noções de criptografia em redes de telecomunicações, julgue os itens a seguir.
I Os sistemas atuais de telecomunicações digitais são normalmente criptografados, sendo as técnicas do embaralhamento e do desembaralhamento de pacotes de bytes umas das mais usadas em TV Digital tanto para a transmissão quanto para a recepção/recuperação dos sinais.
II A criptografia mais usada em sistemas de segurança na internet é a RSA, cifrada e decifrada por duas chaves, uma pública e uma privada.
III Desde a Geração do Sistema GSM na telefonia celular, a comunicação de voz e dados é criptografada, visando garantir a privacidade dessa comunicação.
Assinale a opção correta.
Provas
Caderno Container