Foram encontradas 30 questões.
A Criminalística Geral aplica as suas metodologias com base em sete princípios cientificamente estruturados e comprovados na prática.
Qual alternativa apresenta dois destes princípios, segundo a visão de Montiel de Souza?
Provas
Questão presente nas seguintes provas
Em locais de crimes contra a pessoa, os peritos podem encontrar os seguintes instrumentos de crime:
Provas
Questão presente nas seguintes provas
Dentre as técnicas utilizadas para a transferência e perpetuação de vestígios podemos citar:
Provas
Questão presente nas seguintes provas
A figura abaixo mostra um circuito elétrico alimentado por uma bateria de 12 volts. A chave Ch está inicialmente na posição a.

A tensão VX, em volts, imediatamente após a comutação da chave Ch para a posição b será:
Provas
Questão presente nas seguintes provas
A figura mostra uma fonte de corrente carregando um capacitor, de maneira a produzir uma base de tempo. A chave S fecha e abre, instantaneamente, a cada 1 s.

A forma de onda V0 é:
Provas
Questão presente nas seguintes provas
Calcule a força sobre um condutor retilíneo de 30 cm de comprimento, portando uma corrente de 5,0A na direção !$ -\vec{a}_z !$, onde está definido o campo magnético !$ \vec{B}=3,50\times10^{-3}(\vec{a}_x-\vec{a}_y) !$ T.

Provas
Questão presente nas seguintes provas
Assinale a alternativa que apresenta corretamente um conceito fundamental da Perícia Criminalística.
Provas
Questão presente nas seguintes provas
Um datagrama IP de 1500 bytes passa, sucessivamente, por duas redes com MTU de 700 e 500 bytes, respectivamente.
O número de fragmentos gerados é igual a:
Provas
Questão presente nas seguintes provas
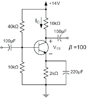
A figura abaixo mostra um circuito eletrônico com transistor NPN (silício) polarizado por divisor de tensão na base.
Com base nos dados, a tensão VCE e a corrente IC de polarização são, respectivamente:

Provas
Questão presente nas seguintes provas
A corrente de partida de um motor de indução trifásico, que parte com a utilização de uma chave compensadora, varia na mesma proporção do conjugado de partida.
Um motor de indução trifásico com fator Ip/In = 5, cuja corrente nominal é de 10 ampéres que utiliza uma chave compensadora com o autotransformador ligado no TAP de 80%, tem uma corrente de partida em ampéres igual a:
Provas
Questão presente nas seguintes provas
Cadernos
Caderno Container