Foram encontradas 60 questões.

Provas
Questão presente nas seguintes provas

No circuito eletrônico da figura acima, todos os componentes são considerados ideais. O transistor opera com ganho β = 20 e V BE= 0,6 V. Sabe-se que o diodo Zener opera com tensão nominal de 6 V, que o circuito deve funcionar com a tensão VC podendo assumir valores entre 15 e 30 V e que a resistência de carga RL é incerta, podendo variar de 5 Ω até infinito (circuito sem carga). O projeto prevê que a tensão V L , com alguma tolerância, permaneça constante. Nesse contexto, o diodo Zener deverá ser especificado no projeto para suportar uma potência máxima, em W, de
Provas
Questão presente nas seguintes provas

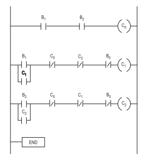
Considere o esquema LADDER de controle de um processo industrial apresentado na figura acima. O usuário tem acesso ao sistema de controle através das botoeiras denominadas B1'B2B0. Com base nessas informações e no diagrama apresentado, tem-se que a(s)
Provas
Questão presente nas seguintes provas

Um circuito elétrico indutivo, alimentado por uma tensão alternada cuja frequência é de
Hz, apresenta o diagrama fasorial ilustrado na figura acima. Considerando que o ângulo θ = 30º, valor da indutância, em mH, é
Provas
Questão presente nas seguintes provas

Na Norma Regulamentadora no 10 do Ministério do Trabalho e Emprego (NR-10), é apresentado um diagrama com a delimitação de três zonas de segurança para intervenções em instalações elétricas, conforme mostrado na figura acima. A esse respeito, considere as afirmativas abaixo.
I - As distâncias definidas pelas zonas de segurança são aplicadas a qualquer tipo de instalação elétrica, energizadas ou desenergizadas.
II - A intervenção em instalações em AT, dentro dos limites estabelecidos na Zona I, somente pode ser realizada mediante o bloqueio dos dispositivos de religamento automático do circuito.
III - A Zona II é classificada como Zona controlada, sendo o seu acesso restrito a trabalhadores autorizados.
Está correto o que se afirma em
Provas
Questão presente nas seguintes provas

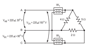
Na figura acima, utilizam-se dois wattímetros, W1eW2' para medir a potência ativa consumida pela carga resistiva trifásica. Os instrumentos são ideais, e o wattímetro faz uma leitura igual a 16.940 W. Qual é a medida, em watt, feita no wattímetro W2?
Provas
Questão presente nas seguintes provas

Um motor de indução bobinado de seis polos aciona uma carga cujo torque resistente é função da velocidade de rotação. A curva característica da carga é mostrada na figura acima. O motor é ligado à rede elétrica trifásica 220 V / 60 Hz e, em condições nominais de operação, o seu torque é de 114 N.m. De acordo com as informações dadas e considerando o sistema sem perdas, quando o motor opera em condições nominais, o escorregamento percentual é
Provas
Questão presente nas seguintes provas

No circuito da figura acima, a carga indutiva consome uma potência de 800 W. A tensão r.m.s da fonte é igual a 100 V, e a corrente r.m.s fornecida é de 10 A. Sabendo-se que a frequência do sistema é de 50 Hz, qual é o valor do capacitor, em farad, a ser instalado em paralelo com a carga, para que o fator de potência do sistema “carga + capacitor" seja igual a 1?
Provas
Questão presente nas seguintes provas

Com base nos dados do circuito da figura acima, a expressão do valor absoluto da corrente elétrica, calculada em ampères, que passa pelo resistor entre os pontos x e y é
Provas
Questão presente nas seguintes provas

Um resistor deverá ser conectado entre os pontos 1 e 2 do circuito elétrico mostrado na figura acima. O valor desse resistor, em Ω, para que a expressão da corrente que passa sobre ele seja:

Provas
Questão presente nas seguintes provas
Cadernos
Caderno Container