Foram encontradas 50 questões.

A figura acima representa um diagrama de blocos. A esse respeito, a função de transferência de malha fechada [Y(S)/X(S)] correspondente a esse diagrama é
Provas
Questão presente nas seguintes provas

O comando ilustrado acima, presente no AutoCAD® 2010, está relacionado a uma operação denominada
Provas
Questão presente nas seguintes provas
Em um desenho de tubulações, uma linha foi identificada como
6" A 354 Ac. O símbolo A identifica o(a)
Provas
Questão presente nas seguintes provas
- EletrotécnicaCircuitos Elétricos em Eletricidade
- EletrotécnicaInstrumentos e Medições elétricas
- EletrotécnicaCircuitos de Corrente Contínua e de Corrente Alternada
- Instrumentos de medição

A corrente e a tensão que deverão ser informadas pelos instrumentos do circuito acima, são, respectivamente,
Provas
Questão presente nas seguintes provas

A tensão de saída Vo para o circuito com amplificador operacional ilustrado acima, em volts, é
Provas
Questão presente nas seguintes provas

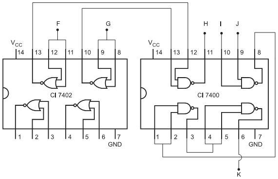
Os circuitos integrados acima são da família TTL. A simplificação desse circuito lógico, referente à saída H, é representada pela porta lógica
Provas
Questão presente nas seguintes provas

A simplificação do circuito lógico acima é representada pela expressão
Provas
Questão presente nas seguintes provas
- EletrotécnicaCircuitos Elétricos em Eletricidade
- EletrotécnicaCircuitos de Corrente Contínua e de Corrente Alternada

Um transmissor de temperatura está conectado ao seu elemento primário Pt 100 por meio de uma ligação a </
Provas
Questão presente nas seguintes provas
Sobre as definições e conceitos relativos ao planejamento PERT/CPM, analise as afirmativas a seguir.
I – O PERT/CPM se aplica a qualquer projeto que compreenda um conjunto de atividades interdependentes.
II – Os eventos devem ser numerados com o cuidado de que o evento final de uma atividade tenha sempre um número maior que o inicial, sem a obrigatoriedade, no entanto, de ser sequencial.
III – Um programa é composto de diversas atividades, cada uma delas representada por uma seta, cujo tamanho é proporcional ao tempo da atividade.
Está correto o que se afirma em
I – O PERT/CPM se aplica a qualquer projeto que compreenda um conjunto de atividades interdependentes.
II – Os eventos devem ser numerados com o cuidado de que o evento final de uma atividade tenha sempre um número maior que o inicial, sem a obrigatoriedade, no entanto, de ser sequencial.
III – Um programa é composto de diversas atividades, cada uma delas representada por uma seta, cujo tamanho é proporcional ao tempo da atividade.
Está correto o que se afirma em
Provas
Questão presente nas seguintes provas

O programa em Ladder acima aciona a bobina S, obedecendo às condições dos contatos A, B, C e D. A simplificação desse programa está em
Provas
Questão presente nas seguintes provas
Cadernos
Caderno Container