Foram encontradas 30 questões.
Um circuito LC ressonante em 3500 kHz com um fator de qualidade (Q) de 93. Neste circuito, qual a largura de banda total
(∆f)?
Provas
Questão presente nas seguintes provas
O número (5C)16, se convertido para os sistemas numéricos decimal e binário vale, respectivamente:
Provas
Questão presente nas seguintes provas
- Conversores Analógicos Digitais (AD) e Digitais Analógicos (DAC)
- Eletrônica Digital na Engenharia Eletrônica
Um conversor DA (Digital Analógico) possui 8 bits e gera um sinal de 0 a 8V. Qual a tensão aproximada de passo desse
conversor?
Provas
Questão presente nas seguintes provas
A figura abaixo ilustra uma topologia de sistema de aterramento. Qual topologia está representada na figura?


Provas
Questão presente nas seguintes provas
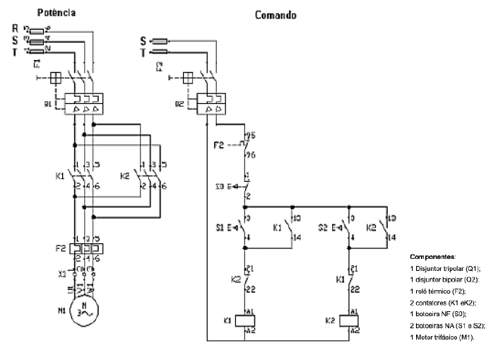
A figura abaixo representa o esquema elétrico de qual ligação para partida de um motor?

Provas
Questão presente nas seguintes provas
Um motor de corrente alternada em funcionamento com 78% de Fator de Potência consome 12 A de corrente em uma linha
de 127 V. A potência aparente e a potência real são, respectivamente:
Provas
Questão presente nas seguintes provas
Em um sistema trifásico equilibrado, cada fio conduz 51 A de corrente, a tensão entre os fios é de 220 V e o Fator e de
Potência é unitário. Qual a potência total do sistema?
Provas
Questão presente nas seguintes provas
Em linhas de transmissão de energia elétrica é comum o acontecimento de um efeito nas superfícies condutoras, o qual é
resultado do contato de um campo elétrico intenso e elevado com partículas de ar, umidade ou poeira, resultando em
emissão de luz sempre que as partículas são ionizadas. Esse efeito é chamado de:
Provas
Questão presente nas seguintes provas
Na partida de motores elétricos, a corrente pode atingir valores elevados, o que pode causar queda de tensão na rede. Esse
efeito não é desejado, portanto, uma das técnicas para reduzir a corrente de partida de motores é a utilização de:
Provas
Questão presente nas seguintes provas
Considerando uma instalação elétrica, a função do sistema de aterramento consiste essencialmente em proteger uma
pessoa contra choque elétrico quando em contato com:
Provas
Questão presente nas seguintes provas
Cadernos
Caderno Container