
Foram encontradas 617 questões.
Disciplina: Engenharia Elétrica
Banca: FEPESE
Orgão: Pref. Balneário Camboriú-SC
Assinale a alternativa correta em relação a manutenção preventiva:
Provas
Disciplina: Engenharia Elétrica
Banca: FEPESE
Orgão: Pref. Balneário Camboriú-SC
Analise as afirmativas a seguir em relação ao diagrama unifilar apresentado na figura abaixo.

1. O quadro geral de baixa tensão recebe um ramal trifásico e possui duas derivações, uma bifásica e uma trifásica.
2. O sistema de proteção está mal dimensionado, pois todos os disjuntores devem sempre ter o mesmo valor de corrente de proteção.
3. Pelo diagrama é possível notar que uma carga trifásica equilibrada é alimentada, portanto o fio neutro não foi utilizado.
4. No diagrama há três disjuntores trifásicos e dois bifásicos.
Assinale a alternativa que indica todas as afirmativas corretas.
Provas
Disciplina: Engenharia Elétrica
Banca: FEPESE
Orgão: Pref. Balneário Camboriú-SC
Um sistema de acionamento elétrico automático estava apresentando problemas. Durante a inspeção notou-se que os contatos principais de um contator, que são normalmente abertos, estavam apresentando continuidade (fechados) mesmo com sua bobina desenergizada.
Assinale a alternativa que apresenta o possível motivo para o defeito do dispositivo.
Provas
Disciplina: Engenharia Elétrica
Banca: FEPESE
Orgão: Pref. Balneário Camboriú-SC
Notou-se a necessidade de manutenção em uma tomada de uma instalação elétrica. Para isso o responsável pela manutenção fez o seccionamento do circuito da tomada no quadro geral de baixa tensão (QGBT).
São medidas de precaução que devem ser tomadas para impedir a energização inadvertida do circuito.
1. Travamento do dispositivo de seccionamento do circuito com cadeado.
2. Fixação de placas de advertência no QGBT.
3. Remoção de todas as pessoas capacitadas do estabelecimento.
4. Travamento do sistema de medição com cadeado.
Assinale a alternativa que indica todas as afirmativas corretas.
Provas
Disciplina: Engenharia Elétrica
Banca: FEPESE
Orgão: Pref. Balneário Camboriú-SC
Assinale a alternativa que representa a ordem correta de acionamento dos contatores ao pressionar o botão S2:
Provas
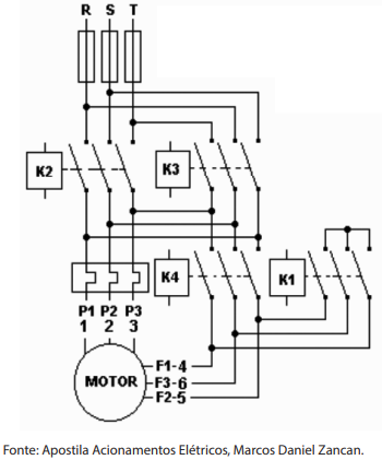
Disciplina: Engenharia Elétrica
Banca: FEPESE
Orgão: Pref. Balneário Camboriú-SC

O diagrama apresentado é uma chave de partida de um motor de indução trifásico.
Qual partida é representada pelo diagrama desta figura?
Provas
Disciplina: Engenharia Elétrica
Banca: FEPESE
Orgão: Pref. Balneário Camboriú-SC
Assinale a alternativa correta em relação a resistência elétrica de fios condutores.
Provas
Disciplina: Engenharia Eletrônica
Banca: FEPESE
Orgão: Pref. Balneário Camboriú-SC
Assinale a alternativa que apresenta as unidades de medidas de resistência elétrica, frequência e energia, respectivamente.
Provas
Disciplina: Engenharia Elétrica
Banca: FEPESE
Orgão: Pref. Balneário Camboriú-SC
Seja um sistema de aquecimento por resistência elétrica que foi projetado para consumir 2.000 W de potência elétrica quando alimentado por uma tensão elétrica alternada de 220 V eficazes.
Se esse sistema for conectado em uma tensão elétrica alternada com 110 V eficazes, qual será a potência elétrica dissipada pelo sistema de aquecimento?
Provas
Disciplina: Segurança Privada e Transportes
Banca: FEPESE
Orgão: Pref. Balneário Camboriú-SC
Em relação ao atendimento ao público pelo guarda patrimonial, é correto afirmar:
1. Para demonstrar educação e acolhimento, deve cumprimentar as pessoas com expressões como “bom dia” ou “como vai”.
2. Deve iniciar o atendimento com uma atitude amigável e prestativa perguntando: “em que posso ajudar”.
3. Ao atender ao telefone, a expressão mais adequada para solicitar a identificação da pessoa que está ligando é: “quem gostaria?”
4. As informações devem ser transmitidas de maneira rápida e correta, usando um tom de voz moderado, não falando baixo nem gritando.
5. Ao lidar com pessoas menos educadas, logo que possível, deve interromper a conversa e fazer valer a sua autoridade.
Assinale a alternativa que indica todas as afirmativas corretas.
Provas
Caderno Container