Magna Concursos

Foram encontradas 50 questões.

3316994 Ano: 2023
Disciplina: Engenharia Elétrica
Banca: Pref. Bauru-SP
Orgão: Pref. Bauru-SP
Provas:

Qual a unidade de medida da tensão elétrica?

 

Provas

Questão presente nas seguintes provas
3316993 Ano: 2023
Disciplina: Engenharia Elétrica
Banca: Pref. Bauru-SP
Orgão: Pref. Bauru-SP
Provas:

Quanto se submete um material condutor elétrico a uma diferença de potencial, seus elétrons livres apresentam um movimento ordenado e orientado do ponto de menor potencial para o ponto de maior potencial. Qual o nome dado a este movimento?

 

Provas

Questão presente nas seguintes provas
3316992 Ano: 2023
Disciplina: Engenharia Elétrica
Banca: Pref. Bauru-SP
Orgão: Pref. Bauru-SP
Provas:

Qual a definição de tensão de contato?

 

Provas

Questão presente nas seguintes provas
3316991 Ano: 2023
Disciplina: Engenharia Elétrica
Banca: Pref. Bauru-SP
Orgão: Pref. Bauru-SP
Provas:

A ligação intencional de um condutor à terra e chamada de:

 

Provas

Questão presente nas seguintes provas
3316990 Ano: 2023
Disciplina: Engenharia Elétrica
Banca: Pref. Bauru-SP
Orgão: Pref. Bauru-SP
Provas:

Assinale alternativa que corresponde com a definição.

É um produto metálico, geralmente de forma cilíndrica e de comprimento muito maior do que a maior dimensão transversal, utilizado para transportar energia elétrica ou para transmitir sinais elétricos.

 

Provas

Questão presente nas seguintes provas
3316989 Ano: 2023
Disciplina: Engenharia Elétrica
Banca: Pref. Bauru-SP
Orgão: Pref. Bauru-SP
Provas:

Qual a principal medida de segurança a ser adotada ao trabalhar em instalações elétricas energizadas?

 

Provas

Questão presente nas seguintes provas
3316988 Ano: 2023
Disciplina: Engenharia Elétrica
Banca: Pref. Bauru-SP
Orgão: Pref. Bauru-SP
Provas:

Qual a principal norma regulamentadora que aborda a segurança em instalações elétricas residenciais?

 

Provas

Questão presente nas seguintes provas
3316987 Ano: 2023
Disciplina: Engenharia Elétrica
Banca: Pref. Bauru-SP
Orgão: Pref. Bauru-SP
Provas:

Qual é o tipo de condutor mais utilizado em instalações elétricas residenciais?

 

Provas

Questão presente nas seguintes provas
3316986 Ano: 2023
Disciplina: Engenharia Elétrica
Banca: Pref. Bauru-SP
Orgão: Pref. Bauru-SP
Provas:

É um dispositivo de proteção que tem como principal função desarmar e seccionar circuitos, caso perceba uma corrente elétrica acima do seu valor nominal ou uma corrente de curto-circuito. Levando em conta esta afirmação, assinale a alternativa que corresponda ao equipamento resultante desta afirmação.

 

Provas

Questão presente nas seguintes provas
3316985 Ano: 2023
Disciplina: Engenharia Elétrica
Banca: Pref. Bauru-SP
Orgão: Pref. Bauru-SP
Provas:

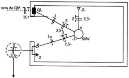
A NBR 5444, estabelece os símbolos gráficos referentes às instalações elétricas prediais. Diante da norma mencionada, assinale a alternativa que corresponda a representação do esquema unifilar num projeto elétrico demonstrado a seguir.

Enunciado 3520412-1

 

Provas

Questão presente nas seguintes provas