Foram encontradas 50 questões.
2933897
Ano: 2023
Disciplina: Engenharia Elétrica
Banca: Pref. Bauru-SP
Orgão: Pref. Bauru-SP
Disciplina: Engenharia Elétrica
Banca: Pref. Bauru-SP
Orgão: Pref. Bauru-SP
Provas:
Um transformador é um equipamento utilizado para redução ou aumento de tensão.
Segundo essa aplicabilidade ele pode ser definido como abaixador ou elevador de tensão.
Considerando um transformador ideal e utilizando as informações contidas na figura a
seguir, assinale a alternativa CORRETA que representa a corrente em seu secundário:


Provas
Questão presente nas seguintes provas
2933896
Ano: 2023
Disciplina: Engenharia Elétrica
Banca: Pref. Bauru-SP
Orgão: Pref. Bauru-SP
Disciplina: Engenharia Elétrica
Banca: Pref. Bauru-SP
Orgão: Pref. Bauru-SP
Provas:
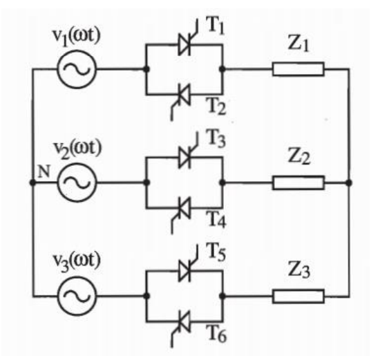
A figura a seguir se trata de um Gradador trifásico, com base nessa informação, qual
das alternativas define CORRETAMENTE o que é um gradador trifásico e onde ele
pode ser empregado?


Provas
Questão presente nas seguintes provas
2933895
Ano: 2023
Disciplina: Engenharia Elétrica
Banca: Pref. Bauru-SP
Orgão: Pref. Bauru-SP
Disciplina: Engenharia Elétrica
Banca: Pref. Bauru-SP
Orgão: Pref. Bauru-SP
Provas:
- Circuitos ElétricosCircuitos CACircuitos Trifásicos
- Transformadores e Máquinas ElétricasMáquinas Síncronas
- Transformadores e Máquinas ElétricasMáquina de Indução
Os motores trifásicos são alimentados por um sistema trifásico a três fios.
Representam a grande maioria dos motores empregados nas instalações industriais.
Podem ser de indução ou síncrono. São constituídos de duas partes básicas; Estator e
Rotor. Podemos afirmar que o Estator é formado pelos elementos.
Provas
Questão presente nas seguintes provas
2933894
Ano: 2023
Disciplina: Engenharia Elétrica
Banca: Pref. Bauru-SP
Orgão: Pref. Bauru-SP
Disciplina: Engenharia Elétrica
Banca: Pref. Bauru-SP
Orgão: Pref. Bauru-SP
Provas:
- Proteção de Sistemas ElétricosProteção em Média Tensão
- Sistemas Elétricos de PotênciaDistribuição de Energia Elétrica
Qual é a função do dispositivo de resistor não-linear em um para-raios de
distribuição?
Provas
Questão presente nas seguintes provas
A perturbação, de natureza e efeitos diversos, que se manifesta no organismo humano
ou animal quando este é percorrido por uma corrente elétrica é chamada de:
Provas
Questão presente nas seguintes provas
- EletrotécnicaCircuitos Elétricos em Eletricidade
- EletrotécnicaInstrumentos e Medições elétricas
- EletrotécnicaEletromagnetismo
- EletrotécnicaUnidades Elétricas
Qual é a unidade de medida de Fluxo Magnético?
Provas
Questão presente nas seguintes provas
Qual é a relação entre eletricidade e magnetismo?
Provas
Questão presente nas seguintes provas
2933890
Ano: 2023
Disciplina: Direito Constitucional
Banca: Pref. Bauru-SP
Orgão: Pref. Bauru-SP
Disciplina: Direito Constitucional
Banca: Pref. Bauru-SP
Orgão: Pref. Bauru-SP
Provas:
A Constituição da República Federativa do Brasil de 1988 enumera, em seu artigo
15, os casos nos quais se darão a perda ou suspensão dos direitos políticos. Considerando
tal temática, aponte a única alternativa CORRETA:
Provas
Questão presente nas seguintes provas
2933889
Ano: 2023
Disciplina: Direito Constitucional
Banca: Pref. Bauru-SP
Orgão: Pref. Bauru-SP
Disciplina: Direito Constitucional
Banca: Pref. Bauru-SP
Orgão: Pref. Bauru-SP
Provas:
A Constituição da República Federativa do Brasil de 1988 indica, em seu artigo 14,
as idades mínimas de elegibilidade para os cargos de Prefeito, Vice-Prefeito e Vereador.
Considerando tal temática, aponte a única alternativa CORRETA:
Provas
Questão presente nas seguintes provas
2933884
Ano: 2023
Disciplina: Legislação Municipal
Banca: Pref. Bauru-SP
Orgão: Pref. Bauru-SP
Disciplina: Legislação Municipal
Banca: Pref. Bauru-SP
Orgão: Pref. Bauru-SP
Provas:
Com base no disposto na Lei Municipal n° 3.781, de 21 de outubro de 1994 (Dispõe
sobre o Direito de Petição e sobre o Regime Disciplinar do Servidor Público Municipal
de Bauru e suas alterações), aponte a única alternativa CORRETA:
Provas
Questão presente nas seguintes provas
Cadernos
Caderno Container