Foram encontradas 25 questões.
Ao efetuar um pequeno reparo eletrônico em uma
picotadeira de papel, um eletricista da Prefeitura de
Biguaçu identificou um capacitor eletrolítico polarizado de
2200 µF / 25 V com defeito. Ele foi incumbido por seu
superior, utilizando um recurso para compras emergenciais de pequeno vulto, a procurar uma loja de
componentes eletrônicos e adquirir o referido
componente para posteriormente realizar a substituição.
Na loja, o vendedor informou que esse modelo específico não estava mais sendo comercializado, mas que havia outros modelos que poderiam ser utilizados na placa, com pequenas adaptações, e que desempenhariam a mesma função sem riscos ao funcionamento do circuito.
Assinale, dentre as alternativas abaixo, a escolha do capacitor equivalente adequado para essa manutenção:
Na loja, o vendedor informou que esse modelo específico não estava mais sendo comercializado, mas que havia outros modelos que poderiam ser utilizados na placa, com pequenas adaptações, e que desempenhariam a mesma função sem riscos ao funcionamento do circuito.
Assinale, dentre as alternativas abaixo, a escolha do capacitor equivalente adequado para essa manutenção:
Provas
Questão presente nas seguintes provas
Dado o circuito abaixo assinale a alternativa que
representa corretamente a corrente elétrica que circula
pela lâmpada.


Provas
Questão presente nas seguintes provas
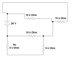
Considerando o circuito a seguir assinale a alternativa
que representa a potência dissipada no resistor "Rx".


Provas
Questão presente nas seguintes provas
Você é eletricista da Prefeitura de Biguaçu e foi
designado para instalar um motor de indução monofásico
de 6 terminais, cuja placa de identificação está
representada na figura a seguir. Sabendo que a rede
monofásica no local da instalação é de 220 V, assinale a
alternativa que representa corretamente a forma de
conexão do motor.


Provas
Questão presente nas seguintes provas
O desenho a seguir é parte de um projeto predial
entregue a um eletricista para execução. Trata-se de
uma instalação de 220 V (F + N + T). O eletricista precisa
fazer a lista de materiais que deverá requisitar no
almoxarifado para executar a instalação. Assinale a
alternativa que melhor representa essa lista.


Provas
Questão presente nas seguintes provas
Uma eletricista da Prefeitura de Biguaçu recebeu uma
ordem de serviço para instalar o circuito destinado a
alimentar um ar-condicionado em uma escola da cidade.
Ao chegar ao almoxarifado para requisitar os condutores
necessários, ela se depara com a ausência de
condutores na cor verde, que constavam em sua lista
para realizar a conexão do condutor de proteção (terra)
ao equipamento. Conhecendo as normas e a boa
prática, ela toma uma atitude. Assinale a alternativa que
representa a atitude correta tomada pela eletricista.
Provas
Questão presente nas seguintes provas
Em um circuito monofásico de 220 V que alimenta uma
sala com 5 computadores, foi medida uma corrente
elétrica de 8 A e uma potência ativa de 2070 W. Assinale
a alternativa que representa o fator de potência desse
circuito.
Provas
Questão presente nas seguintes provas
Um eletricista está instalando um circuito alimentador
trifásico cujos condutores de fase e neutro possuem
seção transversal de 240 mm² em cobre. Esse eletricista
também precisa instalar o condutor de proteção (terra)
nesse circuito. Assinale, dentre as alternativas a seguir, a
seção mínima que ele pode utilizar para o condutor de
proteção.
Provas
Questão presente nas seguintes provas
Existem instrumentos de medição de grandezas elétricas
utilizados em diversas aplicações. Sobre esses
instrumentos, analise as afirmativas a seguir e assinale a
alternativa correta.
I.O megômetro é um instrumento de medição de alta precisão projetado especificamente para medir resistências elétricas muito baixas, geralmente na faixa de miliohms.
II.A pinça amperimétrica (também conhecida como alicate amperímetro) é um instrumento de medição elétrica essencial que permite medir a corrente elétrica em um condutor sem a necessidade de interromper o circuito.
III.O funcionamento da pinça amperimétrica baseia-se em princípios eletromagnéticos que variam conforme o tipo de corrente a ser medida.Para corrente alternada (AC), a medição baseia-se no princípio da indução eletromagnética, semelhante a um transformador. Já para corrente contínua (DC), a medição baseia-se no Efeito Hall.
I.O megômetro é um instrumento de medição de alta precisão projetado especificamente para medir resistências elétricas muito baixas, geralmente na faixa de miliohms.
II.A pinça amperimétrica (também conhecida como alicate amperímetro) é um instrumento de medição elétrica essencial que permite medir a corrente elétrica em um condutor sem a necessidade de interromper o circuito.
III.O funcionamento da pinça amperimétrica baseia-se em princípios eletromagnéticos que variam conforme o tipo de corrente a ser medida.Para corrente alternada (AC), a medição baseia-se no princípio da indução eletromagnética, semelhante a um transformador. Já para corrente contínua (DC), a medição baseia-se no Efeito Hall.
Provas
Questão presente nas seguintes provas
Os inversores de frequência e as softstarters são
dispositivos amplamente utilizados na partida e no
controle de motores elétricos. Cada um desses
equipamentos possui características próprias
relacionadas à forma de operação, controle de torque,
velocidade e corrente de partida.
Considerando as particularidades de funcionamento desses dispositivos, analise as afirmativas a seguir e assinale a alternativa correta:
I.O inversor de frequência é um dispositivo eletrônico usado exclusivamente na partida e parada suave de motores de indução trifásicos.
II.A softstarter reduz a corrente de partida, diminui esforços mecânicos, controla velocidade após a partida e permite a reversão.
III.O inversor de frequência permite, entre outras funções, o controle da velocidade do motor, o controle de torque, partida e parada suave, frenagem eletrônica, reversão de rotação e economia de energia.
Considerando as particularidades de funcionamento desses dispositivos, analise as afirmativas a seguir e assinale a alternativa correta:
I.O inversor de frequência é um dispositivo eletrônico usado exclusivamente na partida e parada suave de motores de indução trifásicos.
II.A softstarter reduz a corrente de partida, diminui esforços mecânicos, controla velocidade após a partida e permite a reversão.
III.O inversor de frequência permite, entre outras funções, o controle da velocidade do motor, o controle de torque, partida e parada suave, frenagem eletrônica, reversão de rotação e economia de energia.
Provas
Questão presente nas seguintes provas
Cadernos
Caderno Container