Magna Concursos

Foram encontradas 40 questões.

1894616 Ano: 2019
Disciplina: Serviços Gerais
Banca: Crescer
Orgão: Pref. Brejo Areia-MA
Provas:

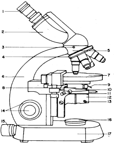
As partes componentes de um microscópio óptico representados pelos números 9 e 14 do desenho abaixo, referem-se respectivamente a:

enunciado 1894616-1

 

Provas

Questão presente nas seguintes provas
1894615 Ano: 2019
Disciplina: Serviços Gerais
Banca: Crescer
Orgão: Pref. Brejo Areia-MA
Provas:

Dos tipos de luvas de proteção a serem utilizados em laboratórios, as luvas de borracha butílica, são:

 

Provas

Questão presente nas seguintes provas
1894614 Ano: 2019
Disciplina: Serviços Gerais
Banca: Crescer
Orgão: Pref. Brejo Areia-MA
Provas:

Dos solventes orgânicos utilizados em laboratório, relacionados abaixo, assinale àquele que tem ação direta no nervo ótico, onde a exposição crônica, especialmente oral, pode causar cegueira:

 

Provas

Questão presente nas seguintes provas
1894599 Ano: 2019
Disciplina: Serviços Gerais
Banca: Crescer
Orgão: Pref. Brejo Areia-MA
Provas:

Os laboratórios que utilizam reagentes e produtos químicos devem dispor, obrigatoriamente, de um chuveiro lava-olhos , pois acidentes podem ocorrer em que são atingidos o rosto ou o corpo, exigindo retirada rápida do produto em contato com a pele. Para a utilização de ácido, bases ou para aquecer líquidos, deve-se seguir o seguinte procedimento:

 

Provas

Questão presente nas seguintes provas
1894598 Ano: 2019
Disciplina: Serviços Gerais
Banca: Crescer
Orgão: Pref. Brejo Areia-MA
Provas:

Assinale a alternativa que se refere a um procedimento correto para a conservação de um microscópio óptico:

 

Provas

Questão presente nas seguintes provas
1894597 Ano: 2019
Disciplina: Serviços Gerais
Banca: Crescer
Orgão: Pref. Brejo Areia-MA
Provas:

Na limpeza de materiais de laboratório, para a eliminação de resíduos de difícil remoção, particularmente em lâminas e lamínulas, é necessária a aplicação de:

 

Provas

Questão presente nas seguintes provas
1894596 Ano: 2019
Disciplina: Serviços Gerais
Banca: Crescer
Orgão: Pref. Brejo Areia-MA
Provas:

Para realizar uma limpeza correta de vidrarias e materiais de laboratório, é preciso saber quais os tipos de substâncias foram utilizados nos instrumentos. Para que tipos de substâncias é necessário a limpeza sob um exaustor?

 

Provas

Questão presente nas seguintes provas
1894595 Ano: 2019
Disciplina: Serviços Gerais
Banca: Crescer
Orgão: Pref. Brejo Areia-MA
Provas:

A filtração consiste na separação de sólidos de um líquido e é efetuada passando-se a mistura através de um material poroso que retém as partículas sólidas. A passagem do líquido através do material poroso pode ser efetuada pala ação da gravidade (filtração simples) ou por redução da pressão (filtração por sucção). Nas afirmações abaixo assinale àquela que é verdadeira em relação à técnica de filtração:

 

Provas

Questão presente nas seguintes provas
1894594 Ano: 2019
Disciplina: Serviços Gerais
Banca: Crescer
Orgão: Pref. Brejo Areia-MA
Provas:

O manejo de qualquer balança de precisão requer cuidados especiais, pois são instrumentos precisos e de grande sensibilidade. Sendo assim, não é correto:

 

Provas

Questão presente nas seguintes provas
1894579 Ano: 2019
Disciplina: Serviços Gerais
Banca: Crescer
Orgão: Pref. Brejo Areia-MA
Provas:

Quanto à conservação de material biológico, assinale a alternativa incorreta:

 

Provas

Questão presente nas seguintes provas