Foram encontradas 35 questões.
- EletromagnetismoMagnetismoIndução e Transformadores Elétricos
- EletromagnetismoElétricaResistores e Potência Elétrica
Caso 3
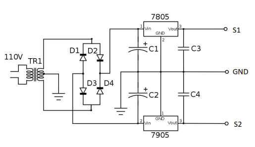
Responda às questões 34 e 35, considerando a figura abaixo:

Nota-se pela figura do caso 3 que os capacitores C1 e C2 utilizados são diferentes dos capacitores C3 e C4. Os capacitores C1 e C2 possuem polaridade, normalmente são cilíndricos e possuem grande capacitância por volume.
Assinale a alternativa que contém a tecnologia com as características citadas.
Provas
Caso 3
Responda às questões 34 e 35, considerando a figura abaixo:

A figura do caso 3 mostra um circuito de uma fonte de alimentação com regulação linear muito utilizada para testes em sistemas eletrônicos em bancadas de manutenção.
Qual a tensão da saída S1 e S2 em relação ao terminal GND, respectivamente?
Provas
Caso 2
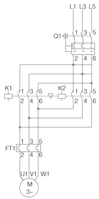
Com relação ao diagrama de potência mostrado na figura abaixo, responda às questões 32 e 33.

O diagrama de potência mostrado figura do caso 2 representa que tipo de ligação?
Provas
Caso 2
Com relação ao diagrama de potência mostrado na figura abaixo, responda às questões 32 e 33.

O componente FT1 da figura do caso 2 representa qual dispositivo?
Provas
A figura abaixo mostra a simbologia dos terminais de um contator.

Assinale a alternativa correta em relação à figura.
Provas
Caso 1
Responder às questões 29 e 30 conforme a figura abaixo:

Fonte: Instalações elétricas / Julio Niskier, Archibald J. M.; - 7. ed. - Rio de Janeiro: LTC, 2021.
Caso for necessário alterar a instalação do caso 1, substituindo o interruptor duplo por um interruptor simples, as lâmpadas “a” e “b” serão ligadas com o mesmo interruptor.
Assinale a alternativa que indica corretamente a modificação necessária.
Provas
Caso 1
Responder às questões 29 e 30 conforme a figura abaixo:

Fonte: Instalações elétricas / Julio Niskier, Archibald J. M.; - 7. ed. - Rio de Janeiro: LTC, 2021.
Conforme mostra a figura do caso 1, o eletroduto entre o ponto de iluminação “b” e os interruptores possuem três fios. Qual a função desses fios?
Provas
Um motor trifásico de seis terminais possui as seguintes especificações de tensão na sua placa de identificação: 220V / 380V.
Para funcionar com potência nominal, qual a configuração de ligação dos terminais do motor?
Provas
A figura abaixo mostra um transformador predial.

Fonte: Instalações elétricas / Julio Niskier, Archibald J. M.; - 7. ed. - Rio de Janeiro: LTC, 2021.
Analise as afirmativas abaixo em relação ao transformador citado.
- O lado de alta tensão está conectado em delta (triângulo) e o lado de baixa tensão está conectado em estrela.
- O condutor neutro é ligado ao aterramento.
- Como o lado de alta tensão não possui o condutor de neutro, não haverá o condutor de neutro no lado de baixa tensão.
Assinale a alternativa que indica todas as afirmativas corretas.
Provas
Analise as afirmativas abaixo.
1. Um disjuntor termomagnético tripolar é projetado para ser utilizado com as três fases de um sistema trifásico.
2. Um disjuntor termomagnético tripolar é projetado para ser utilizado com duas fases e mais o condutor neutro de uma instalação bifásica.
3. Um disjuntor termomagnético tripolar é projetado para ser utilizado em um sistema monofásico juntamente com o condutor neutro e o condutor terra.
Assinale a alternativa que indica todas as afirmativas corretas.
Provas
Caderno Container