Foram encontradas 35 questões.
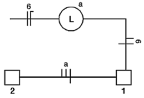
Analise a figura abaixo que trata da instalação
elétrica de uma lâmpada “L” através da alimentação do
circuito “6” e dois interruptores denominados “1” e “2”.
Assinale a alternativa correta em relação à instalação elétrica acima.
Assinale a alternativa correta em relação à instalação elétrica acima.
Provas
Questão presente nas seguintes provas
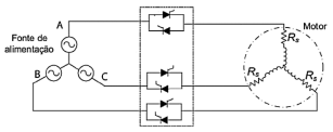
A questão faze referência a figura abaixo:

Adaptado de Berger, Lars Torsten; Redes elétricas inteligentes / Lars Torsten Berger, Krzysztof Iniewski ; - 1. ed. - Rio de Janeiro : LTC, 2015.
1. Os semicondutores mostrados na figura são transistores do tipo IGBT.
2. Este tipo de acionamento é limitado para aplicações com motores de 5 CV devido à limitação de corrente do semicondutor.
3. Tanto a fonte de alimentação quanto o motor estão com uma conexão em estrela.
4. Devido à utilização de um retificador, o motor deve ser de corrente contínua.
Assinale a alternativa que indica todas as afirmativas corretas.
Provas
Questão presente nas seguintes provas
A questão faze referência a figura abaixo:

Adaptado de Berger, Lars Torsten; Redes elétricas inteligentes / Lars Torsten Berger, Krzysztof Iniewski ; - 1. ed. - Rio de Janeiro : LTC, 2015.
Provas
Questão presente nas seguintes provas
Analise as afirmativas abaixo sobre aterramento.
1. O aterramento funcional consiste na ligação à terra de um dos condutores do sistema (geralmente o neutro) e está relacionado ao funcionamento correto, seguro e confiável da instalação.
2. O aterramento de proteção consiste na ligação à terra das massas e dos elementos condutores estranhos à instalação, visando à proteção contra choques elétricos por contato direto.
3. O aterramento temporário tem por objetivo tornar possíveis ações de manutenção, com riscos reduzidos, sobre partes da instalação normalmente sob tensão, colocadas fora de serviço para esse fim.
Assinale a alternativa que indica todas as afirmativas corretas.
1. O aterramento funcional consiste na ligação à terra de um dos condutores do sistema (geralmente o neutro) e está relacionado ao funcionamento correto, seguro e confiável da instalação.
2. O aterramento de proteção consiste na ligação à terra das massas e dos elementos condutores estranhos à instalação, visando à proteção contra choques elétricos por contato direto.
3. O aterramento temporário tem por objetivo tornar possíveis ações de manutenção, com riscos reduzidos, sobre partes da instalação normalmente sob tensão, colocadas fora de serviço para esse fim.
Assinale a alternativa que indica todas as afirmativas corretas.
Provas
Questão presente nas seguintes provas
Considere um motor de indução trifásico de
6 terminais com os parâmetros de tensão dispostos na
placa de 220V/380V.
O motor terá potência nominal em qual tipo de ligação?
O motor terá potência nominal em qual tipo de ligação?
Provas
Questão presente nas seguintes provas
3978200
Ano: 2025
Disciplina: Segurança e Saúde no Trabalho (SST)
Banca: FEPESE
Orgão: Pref. Brusque-SC
Disciplina: Segurança e Saúde no Trabalho (SST)
Banca: FEPESE
Orgão: Pref. Brusque-SC
Provas:
Considera-se trabalhador capacitado para trabalho em altura aquele que:
Provas
Questão presente nas seguintes provas
Assinale a alternativa correta em relação aos
inversores trifásicos de acionamento de máquinas
elétricas.
Provas
Questão presente nas seguintes provas
3978198
Ano: 2025
Disciplina: Segurança e Saúde no Trabalho (SST)
Banca: FEPESE
Orgão: Pref. Brusque-SC
Disciplina: Segurança e Saúde no Trabalho (SST)
Banca: FEPESE
Orgão: Pref. Brusque-SC
Provas:
A NR-10 define como trabalhador habilitado
aquele que:
Provas
Questão presente nas seguintes provas
Assinale a alternativa correta em relação à segurança em instalações e serviços em eletricidade.
Provas
Questão presente nas seguintes provas
Uma partida direta com reversão de um motor
trifásico de indução utiliza dois contatores (c1 e c2).
Nesse tipo de acionamento é fundamental a realização do intertravamento entre os contatores.
Para garantir o correto intertravamento entre os contatores, deve-se colocar contato auxiliar normalmente __________ do contator c2 em __________ com a bobina c1 e o contato auxiliar normalmente __________ do contator c1 em __________ com a bobina c2.”
Assinale a alternativa que completa corretamente as lacunas do texto.
Para garantir o correto intertravamento entre os contatores, deve-se colocar contato auxiliar normalmente __________ do contator c2 em __________ com a bobina c1 e o contato auxiliar normalmente __________ do contator c1 em __________ com a bobina c2.”
Assinale a alternativa que completa corretamente as lacunas do texto.
Provas
Questão presente nas seguintes provas
Cadernos
Caderno Container