Foram encontradas 40 questões.
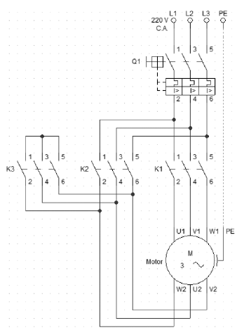
De acordo com o diagrama de ligação a seguir, podemos afirmar que este motor de indução utiliza o seguinte tipo de partida:

Provas
Nos projetos elétricos existem alguns símbolos que são usualmente adotados em função de que eram previstos na NBR. Na tabela a seguir temos alguns dos símbolos utilizados em interruptores. Assinale a alternativa que indica corretamente a descrição desta sequência de símbolos, de cima para baixo.

Provas
Disciplina: Segurança e Saúde no Trabalho (SST)
Banca: FUNDATEC
Orgão: Pref. Campo Bom-RS
A NR-10, que trata sobre segurança em instalações e serviços em eletricidade, define em seu item 10.2.8 Medidas de Proteção Coletiva. Analise as assertivas a seguir e assinale V, se verdadeiras, ou F, se falsas.
( ) Em todos os serviços executados em instalações elétricas devem ser previstas e adotadas, prioritariamente, medidas de proteção coletiva aplicáveis, mediante procedimentos, às atividades a serem desenvolvidas, de forma a garantir a segurança e a saúde dos trabalhadores.
( ) As medidas de proteção coletiva compreendem, prioritariamente, a desenergização elétrica conforme estabelece esta NR e, na sua impossibilidade, o emprego de isolamento das partes vivas (subitem 10.2.8.2).
( ) Na impossibilidade de implementação do estabelecido no subitem 10.2.8.2, devem ser utilizadas outras medidas de proteção coletiva, tais como: isolação das partes vivas, obstáculos, barreiras, sinalização, sistema de seccionamento automático de alimentação, bloqueio do religamento automático.
( ) O aterramento das instalações elétricas deve ser executado conforme regulamentação estabelecida pelos órgãos competentes e, na ausência desta, deve atender às Normas da concessionária de energia.
A ordem correta de preenchimento dos parênteses, de cima para baixo, é:
Provas
Analise o Diagrama Unifilar a seguir e assinale a alternativa que corretamente identifica os circuitos que apresentam inconsistência com base na norma NBR-5410.

Provas
Um chuveiro elétrico de 8.800 W está ligado em uma rede elétrica de 220 V. Sabendo que o chuveiro está ligado a uma distância de 20 m do quadro de disjuntores, e que o condutor para a ligação tem uma resistência de 0,01 Ω/m, assinale a alternativa que indica a potência que será entregue na resistência do chuveiro devido a distância da ligação, sabendo que no quadro temos exatamente os 220 V. O chuveiro está ligado em fase-fase e possui o condutor de proteção. Considere a potência truncada sem casas decimais.

Provas
Sabendo que as lâmpadas apresentam as potências de 60 W e 240 W se forem ligadas diretamente na rede elétrica na tensão de 120 V, assinale a alternativa que indica a tensão medida pelo voltímetro no circuito elétrico se as lâmpadas forem ligadas conforme o esquema elétrico da figura a seguir. Considere todas as tensões RMS e o valor da corrente (deve ser arredondado com 2 casas decimais).

Provas
Sabendo que as lâmpadas apresentam as potências de 60 W e 240 W se forem ligadas diretamente na rede elétrica na tensão de 120 V, assinale a alternativa que indica a resistência equivalente do circuito elétrico se elas forem ligadas conforme o esquema elétrico da figura abaixo. Considere todas as tensões RMS.

Provas
Sabendo que as lâmpadas apresentam as potências de 60 W e 240 W se forem ligadas diretamente na rede elétrica na tensão de 120 V, assinale a alternativa que indica a corrente medida pelo amperímetro no circuito elétrico se elas forem ligadas conforme o esquema elétrico da figura abaixo. Considere todas as tensões RMS e o valor da corrente (deve ser arredondado com 3 casas decimais).

Provas
Sabendo que as lâmpadas apresentam as potências de 60 W e 240 W se forem ligadas diretamente na rede elétrica na tensão de 120 V, assinale a alternativa que indica a corrente fornecida pela fonte no circuito elétrico se elas forem ligadas conforme o esquema elétrico da figura abaixo. Considere todas as tensões RMS e o valor da corrente (deve ser truncada com 2 casas decimais).

Provas
Sabendo que as lâmpadas apresentam as potências de 60 W e 240 W se forem ligadas diretamente na rede elétrica na tensão de 120 V, assinale a alternativa que indica a resistência equivalente do circuito elétrico se elas forem ligadas conforme o esquema elétrico da figura. Considere todas as tensões RMS.

Provas
Caderno Container