Foram encontradas 150 questões.
2336572
Ano: 2022
Disciplina: Engenharia Civil
Banca: Pref. Cândido Abreu-PR
Orgão: Pref. Cândido Abreu-PR
Disciplina: Engenharia Civil
Banca: Pref. Cândido Abreu-PR
Orgão: Pref. Cândido Abreu-PR
Provas:
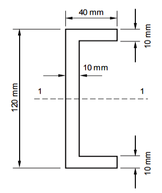
Para a construção de um mezanino metálico serão utilizados perfis metálicos
soldados do tipo C, conforme indicado na figura. Assinale a alternativa que o momento de
inércia desse perfil, em centímetros quadrados, em relação ao eixo 1-1 que passa pelo centro
geométrico.


Provas
Questão presente nas seguintes provas
2336571
Ano: 2022
Disciplina: Engenharia Civil
Banca: Pref. Cândido Abreu-PR
Orgão: Pref. Cândido Abreu-PR
Disciplina: Engenharia Civil
Banca: Pref. Cândido Abreu-PR
Orgão: Pref. Cândido Abreu-PR
Provas:
Considere a viga simplesmente apoiada submetida a ação de uma carga
uniformemente distribuída de 2kN/m. Assinale a alternativa que apresenta o valor correto das
reações de apoio verticais desta viga.


Provas
Questão presente nas seguintes provas
2336570
Ano: 2022
Disciplina: Engenharia Civil
Banca: Pref. Cândido Abreu-PR
Orgão: Pref. Cândido Abreu-PR
Disciplina: Engenharia Civil
Banca: Pref. Cândido Abreu-PR
Orgão: Pref. Cândido Abreu-PR
Provas:
A expansão volumétrica do solo ou empolamento é um fenômeno
característicos de solos que estavam em seu estado natural e foram removidos, gerando um
aumento de seu volume. A partir dos seus conhecimentos acerca do assunto, assinale a
alternativa que apresenta o volume correto de solo que deverá ser transportado, sabendo que
deseja escavar uma vala para a construção de uma piscina nas dimensões de 5 x 8 x 2
metros. O solo do local possui uma fator de empolamento de 1,59.
Provas
Questão presente nas seguintes provas
2336569
Ano: 2022
Disciplina: Engenharia Civil
Banca: Pref. Cândido Abreu-PR
Orgão: Pref. Cândido Abreu-PR
Disciplina: Engenharia Civil
Banca: Pref. Cândido Abreu-PR
Orgão: Pref. Cândido Abreu-PR
Provas:
Um engenheiro civil foi contratado para a elaboração dos projetos
complementares de uma escola que será construída pelo município. Entre os diversos
projetos que deverão ser desenvolvidos, encontra-se o projeto de fundações, o qual para a
sua elaboração necessita que se conheça as características do local onde a obra será
implantada. A NBR 8036:1983 estabelece o número mínimo de furos de sondagem que
deverão executados a depender das características da construção. Assinale a alternativa
correta em relação a prescrição normativa relacionada ao número mínimo de furos de
sondagem.
Provas
Questão presente nas seguintes provas
2336568
Ano: 2022
Disciplina: Matemática
Banca: Pref. Cândido Abreu-PR
Orgão: Pref. Cândido Abreu-PR
Disciplina: Matemática
Banca: Pref. Cândido Abreu-PR
Orgão: Pref. Cândido Abreu-PR
Provas:
Num sítio existem 21 bichos, entre patos e cachorros. Sendo 54 o total de pés
desses bichos, calcule a diferença entre o número de patos e o número de cachorros.
Provas
Questão presente nas seguintes provas
2336567
Ano: 2022
Disciplina: Matemática
Banca: Pref. Cândido Abreu-PR
Orgão: Pref. Cândido Abreu-PR
Disciplina: Matemática
Banca: Pref. Cândido Abreu-PR
Orgão: Pref. Cândido Abreu-PR
Provas:
Veja o vagão de trem sob vários pontos de vista:
Qual é o número máximo de caixotes que ele está carregando?

Provas
Questão presente nas seguintes provas
2336566
Ano: 2022
Disciplina: Matemática
Banca: Pref. Cândido Abreu-PR
Orgão: Pref. Cândido Abreu-PR
Disciplina: Matemática
Banca: Pref. Cândido Abreu-PR
Orgão: Pref. Cândido Abreu-PR
Provas:
Josefa colocará uma cerca de madeira em torno do terreno de seu lote. Qual a
área que será cercada?


Provas
Questão presente nas seguintes provas
2336565
Ano: 2022
Disciplina: Matemática
Banca: Pref. Cândido Abreu-PR
Orgão: Pref. Cândido Abreu-PR
Disciplina: Matemática
Banca: Pref. Cândido Abreu-PR
Orgão: Pref. Cândido Abreu-PR
Provas:
A figura abaixo mostra, à esquerda, uma malha triangular onde cada triângulo
tem lado de 1 unidade de comprimento e onde um ponto A está assinalado. À direita, as letras
M, N, P, Q, R e S mostram direções e sentido de 6 movimentos possíveis, cada um de 1
unidade.

A partir do ponto A foi feita a seguinte sequência de movimentos: MNNMPQQ, chegando-se ao ponto B.
A sequência de movimentos que, partindo de B chega-se ao ponto A, é:

A partir do ponto A foi feita a seguinte sequência de movimentos: MNNMPQQ, chegando-se ao ponto B.
A sequência de movimentos que, partindo de B chega-se ao ponto A, é:
Provas
Questão presente nas seguintes provas
2336564
Ano: 2022
Disciplina: Matemática
Banca: Pref. Cândido Abreu-PR
Orgão: Pref. Cândido Abreu-PR
Disciplina: Matemática
Banca: Pref. Cândido Abreu-PR
Orgão: Pref. Cândido Abreu-PR
Provas:
Esta ilustração abaixo representa 2/8 , mas também pode corresponder a

Provas
Questão presente nas seguintes provas
2336563
Ano: 2022
Disciplina: Português
Banca: Pref. Cândido Abreu-PR
Orgão: Pref. Cândido Abreu-PR
Disciplina: Português
Banca: Pref. Cândido Abreu-PR
Orgão: Pref. Cândido Abreu-PR
Provas:
Leia o texto e faça a questão:
A CASA
Vinicius de Moraes
Era uma casa
Muito engraçada
Não tinha teto,
Não tinha nada
Ninguém podia
Entrar nela, não
Porque na casa
Não tinha chão
Ninguém podia
Dormir na rede
Porque na casa
Não tinha parede
Ninguém podia
Fazer pipi
Porque penico
Não tinha ali
Mas era feita
Com muito esmero
Na rua dos Bobos
Número zero.
No verso: “Muito engraçada”, a palavra grifada é:
Provas
Questão presente nas seguintes provas
Cadernos
Caderno Container