Foram encontradas 40 questões.
O quadro a seguir contextualiza a questão. Analise-o.

Provas
- Transformadores e Máquinas ElétricasMáquinas EstáticasTransformadores Trifásicos e Autotransformadores
O circuito da figura representa um gerador série autoexcitado.

Sobre este tipo de gerador, assinale a afirmativa INCORRETA.
Provas
O diagrama de força proposto, conforme a figura a seguir, é utilizado para o acionamento de um motor trifásico.

O tipo de partida proposto pelo diagrama é:
Provas

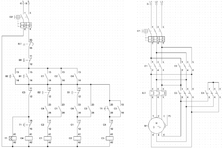
O circuito da figura representa o diagrama de uma partida estrela-triângulo com reversão. Considere as botoeiras sem retenção e analise as afirmativas relacionadas ao diagrama apresentado.
I. Sempre que a botoeira B1 ou B2 for ativada, C4 será ativado ligando o contator C1.
II. O comando elétrico não funcionará corretamente, pois, para se fazer uma partida estrela-triângulo com reversão, são necessários, no mínimo, cinco contatores.
III. RT representa o relé térmico e se o mesmo for acionado o circuito não funcionará.
IV. Os contatores C3 e C4 não poderão funcionar ao mesmo tempo, sendo que quando o relé temporizador estiver ativado, o contator C3 estará energizado e o contator C4 desenergizado.
V. Quando a botoeira B1 for acionada, o contator C4 e C1 serão energizados e, após isso, se a botoeira B2 for acionada nada acontecerá.
Provas
O circuito equivalente apresentado pela figura representa um motor com campo paralelo ou motor “shunt”.

A potência eletromecânica desenvolvida bem como a tensão elétrica gerada na armadura são, respectivamente:
Provas
O circuito apresentado pela figura é uma bobina.

Considerando as informações, a corrente necessária para estabelecer o fluxo proposto é:
Provas
Analise o tipo de conexão do transformador trifásico exemplificado pela figura a seguir.

Diante do exposto, assinale a afirmativa INCORRETA.
Provas
O circuito apresentado pela figura possui 300 espiras ao seu redor.

Considerando as informações contidas no circuito, o valor da densidade de fluxo contida no núcleo é:
Provas
O circuito apresentado pela figura é uma associação de resistências conectadas a uma rede CA.

O diagrama fasorial que determina V1, V2 e IT (corrente total) é:
Provas
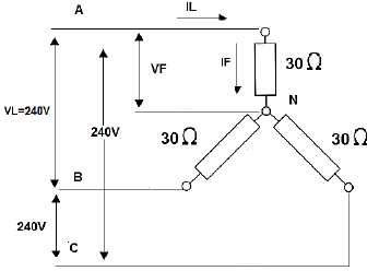
O circuito da figura representa uma ligação em Y, a uma linha de 3-⌀ de 240 V, funcionando com um FP de 0,866.

A potência consumida pelas três resistências é:
Provas
Caderno Container