Foram encontradas 40 questões.
Assinale a alternativa que indica uma doença para a qual ainda não existe vacina disponível no Sistema Único de Saúde (SUS).
Provas
Assinale a alternativa que indica corretamente um material reciclável.
Provas
Qual a cor da lixeira de coleta seletiva para lixos recicláveis de metal?
Provas
Apesar de convencionalmente ser utilizada a unidade de kWh para medir energia elétrica, esta não é a unidade do sistema internacional para a medição de energia.
Assinale a alternativa que indica corretamente a unidade para medir energia do sistema internacional.
Provas
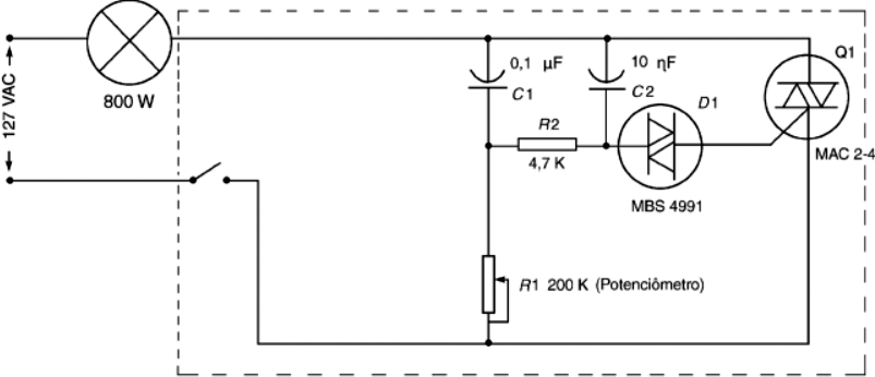
Analise a figura abaixo:

Assinale a alternativa que descreve corretamente a funcionalidade do sistema apresentado na figura.
Provas
Analise as afirmativas abaixo com relação aos capacitores.
1. Capacitores do tipo eletrolíticos são os mais apropriados para tensões alternadas.
2. Capacitores eletrolíticos não possuem um dielétrico entre suas placas.
3. Os terminais dos capacitores eletrolíticos possuem polaridade.
4. Capacitores eletrolíticos possuem altas capacitâncias por unidade de volume.
Assinale a alternativa que indica todas as afirmativas corretas.
Provas
Dada a tabela abaixo da resistividade dos materiais mais utilizados em instalações elétricas:

Analise as afirmativas abaixo em relação ao assunto.
1. Como a resistividade do cobre é menor do que a do alumínio, sempre um fio de cobre terá menor resistência do que um fio de alumínio,
independente das suas dimensões.
2. Considerando dois fios de mesmas dimensões, um de alumínio e um de cobre, o fio de cobre terá uma resistência elétrica menor do que o fio de alumínio.
3. O alumínio tem menor resistividade do que o cobre, por isso ele é utilizado em sistemas de distribuição de energia elétrica.
Assinale a alternativa que indica todas as afirmativas corretas.
Provas
Responda a questão com base na figura abaixo.

O eletroduto destacado na figura 1 possui 3 condutores.
Qual a função desses condutores?
Provas
Responda a questão com base na figura abaixo.

A instalação mostrada na figura 1 representa qual tipo de ligação?
Provas
Considere que 3 lâmpadas incandescentes, que possuem potências diferentes, foram colocadas em paralelo.
Assinale a alternativa correta em relação ao assunto.
Provas
Caderno Container