Foram encontradas 60 questões.
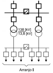
Observe os três arranjos de subestações apresentados na figura. Determine a sequência de confiabilidade desses arranjos do mais confiável para o menos confiável.


Provas
Questão presente nas seguintes provas
Um CLP possui quatro entradas e duas saídas digitais. As estradas são
sensibilizadas por quatro botoeiras independentes
B1, B2, B3 e B4 e suas saídas acionam dois leds,
L1 e L2, conforme figura abaixo. A programação
Ladder do CLP para acionamento dos leds através
da lógica de entrada também é apresentada na figura. Com base nessas informações, quais botoeiras devem ser acionadas simultaneamente para que
os dois Leds sejam acesos?


Provas
Questão presente nas seguintes provas
O disjuntor termomagnético é um dispositivo de proteção obrigatório
em instalações elétricas residenciais. Esse dispositivo tem como suas duas principais funções a proteção contra:
Provas
Questão presente nas seguintes provas
Os Dispositivos de
proteção a corrente Diferencial Residual - DR, são
utilizados como medida de proteção destinados a
abrir seus contatos quando a corrente diferencial
residual atinge um determinado valor. Porém, esses
dispositivos não podem ser utilizados em um determinado tipo de esquema de aterramento. Qual esquema não admite a utilização de DR como medida
de proteção?
Provas
Questão presente nas seguintes provas
A Intensidade Luminosa é a potência de radiação visível que uma determinada fonte de luz emite numa direção especificada. Sua unidade no SI é denominada.
Provas
Questão presente nas seguintes provas
Qual dos elementos
NÃO faz parte de um Sistema de Proteção Contra
Descargas Atmosféricas (SPDA).
Provas
Questão presente nas seguintes provas
Para assegurar a dispersão da corrente de descarga atmosférica na
terra sem causar sobretensões perigosas, o arranjo
e as dimensões do subsistema de aterramento são
mais importantes que o próprio valor da resistência de aterramento. São permitidos por norma a
utilização de diversos tipos de eletrodos de aterramento. Sabendo disso, qual dos tipos de eletrodos
de aterramento citados devem ser evitados por razões de corrosão:
Provas
Questão presente nas seguintes provas
São Parâmetros que
devem ser levados em consideração na elaboração
de projetos de iluminação em ambientes interiores,
exceto:
Provas
Questão presente nas seguintes provas
Dentre as fontes energia utilizadas no Brasil para geração de energia elétrica, NÃO é considerada uma fonte de energia renovável:
Provas
Questão presente nas seguintes provas
A utilização de atalhos permite que o usuário realize tarefas com mais
agilidade minimizando a utilização do mouse. Nos
editores de texto a utilização de teclas de atalho é
mais útil, sendo comum a memorização dos principais atalhos. Qual a combinação de teclas a serem
utilizadas no editor de texto do Google Docs para
obter o mesmo resultado das teclas Ctrl + T no Microsoft Word?
Provas
Questão presente nas seguintes provas
Cadernos
Caderno Container