Foram encontradas 60 questões.
Deseja-se utilizar cinco interruptores para o acionamento de uma lâmpada. Nessa configuração, qualquer comutação de um interruptor irá alterar o estado da lâmpada, de ligada para desligada, e vice-versa.
Quais tipos de interruptores devem ser utilizados nessa estrutura?
Provas
Assinale a alternativa correta sobre sistemas de aterramento para proteção contra descargas atmosféricas (SPDA).
Provas
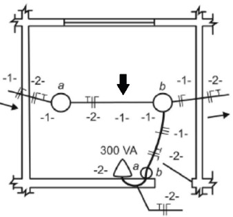
Na figura abaixo é mostrada uma instalação elétrica de duas lâmpadas (a e b) e uma tomada. No eletroduto entre as lâmpadas, os condutores do circuito 1 foram omitidos.

Fonte: Adaptado de J. Niskier, Manual de Instalações Elétricas, 2o edição. LTC, 2017.
Assinale a alternativa que contém a fiação faltante para o correto funcionamento do circuito 1.
Provas
Analise o diagrama da rede de distribuição primária mostrada na figura abaixo:

Assinale a alternativa que contém a correta nomenclatura referente ao diagrama mostrado.
Provas
Assinale a alternativa que contém a definição correta das variáveis elétricas.
Provas
Qual o tipo de modalidade tarifária que é caracterizada por tarifas diferenciadas de consumo de energia elétrica, de acordo com as horas de utilização do dia, e uma única tarifa de demanda de potência?
Provas
Analise as afirmativas abaixo:
1.Em uma subestação de energia elétrica não é permitida a utilização de transformadores em paralelo, pois não há garantias da correta divisão de carga entre eles.
2.Somente há uma entrada e um ramal de saída em uma subestação. A divisão de ramais ocorre nos transformadores externos à subestação.
3.Consumidores industriais que demandem elevadas potências elétricas podem ser atendidos em alta tensão (69 kV) pelas concessionárias de energia.
Assinale a alternativa que indica todas as afirmativas corretas.
Provas
O projeto de aterramento de uma instalação elétrica deve considerar a resistividade do solo.
Analise o texto abaixo com relação ao método de Wenner de medição da resistividade do solo.
“O método de Wenner consiste, inicialmente, em colocar ............... eletrodos de teste em linha separados por uma dada distância, e enterrados no solo com uma profundidade de ................ .”
Assinale a alternativa que completa corretamente as lacunas do texto.
Provas
Assinale a alternativa correta em relação aos tipos de consumidores.
Provas
Responda à questão com relação à figura abaixo.

Fonte: Adaptado de J. M. Filho e D. R. Mamede, Proteção de Sistemas Elétricos de Potência, 2o edição. LTC, 2020.
A figura apresenta um transformador conectado ao alimentador de distribuição.
Qual o tipo deste transformador?
Provas
Caderno Container