Foram encontradas 20 questões.
Provas
Provas
Provas
Provas
Provas
A tabela a seguir apresenta a capacidade de condução de corrente e a queda de tensão por unidade de corrente, para condutores com 100 m de comprimento.

Um circuito bifásico, com tensão 220 V e corrente de 100 A é alimentado com um condutor por fase, com 100 m de comprimento cada. Considerando-se uma queda de tensão máxima de 11 V, o menor valor de área de seção transversal admissível para condutores Fase adequados a esse circuito é o seguinte:
Provas
A figura a seguir apresenta um esquema de comando elétrico, em fase de teste, que se destina à energização de uma carga trifásica.

Caso seja detectada pelo relé 27 uma subtensão no Quadro Externo, ocorrerá nesses circuitos:
Provas
A tabela a seguir relaciona a área de seção transversal interna com o diâmetro nominal de cada eletroduto.

Um circuito elétrico é alimentado por três cabos que, juntos, ocupam uma área de seção transversal 800 mm2 aproximadamente. Tendo em vista uma ocupação máxima de 40%, o menor diâmetro nominal de eletroduto para acomodar esses cabos é:
Provas
Na figura a seguir, as plantas 1 e 2 representam, respectivamente, duas versões da planta de instalações elétricas de um cômodo: uma sem a distribuição dos circuitos e outra com essa distribuição.

As duas versões foram desenhadas com o programa Autocad, utilizando-se o teclado para digitar cada comando. Digitando-se TE, C, L, CO ou M, obtém-se, respectivamente, os comandos: text (texto), circle (círculo), line (linha), copy (copiar) ou move (mover). Dada a Planta 1, é possível desenhar a Planta 2 sem utilizar o seguinte comando:
Provas
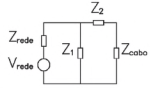
A figura a seguir representa um diagrama unifilar de uma instalação elétrica que sofreu curto-circuito.

As impedâncias de sequência positiva e negativa do transformador podem ser representadas, respectivam ente, por Z1 e Z2. No momento do curto-circuito, a rede a montante do transformador pode ser representada por uma fonte de tensão Vrede em série com uma impedância Zrede e os cabos entre o transformador e o Painel BT possuem impedância Zcabo. Considerando-se que o curto-circuito em referência é trifásico e que as cargas alimentadas pelo Painel BT são resistivas, o diagrama unifilar correspondente é apresentado na alternativa:
Provas
Caderno Container