Foram encontradas 60 questões.
Disciplina: Desenho Técnico e Industrial
Banca: SELECON
Orgão: LIMPURB-Cuiabá
De acordo com a ABNT NBR 6492/1994, a caligrafia técnica manual deve sempre ser:
Provas
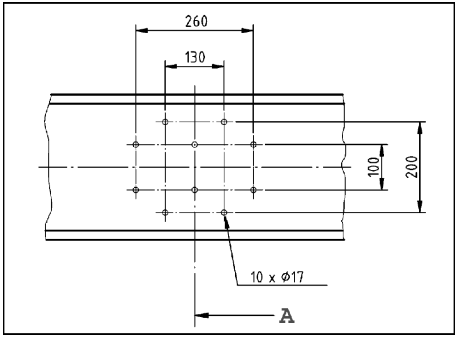
Observe-se a imagem a seguir.
-

-
Fonte: ABNT NBR 14611/2000, adaptado
Tendo como base a ABNT NBR 14611/2000, o elemento indicado pela letra Arepresenta a linha de:
Provas
Disciplina: Desenho Técnico e Industrial
Banca: SELECON
Orgão: LIMPURB-Cuiabá
Observe-se a imagem a seguir.
-

-
Fonte: ABNT NBR 6492/1994, adaptado.
-
Tendo como base a ABNT NBR 6492/1994, as hachuras representadas acima correspondem a:
Provas
Disciplina: Desenho Técnico e Industrial
Banca: SELECON
Orgão: LIMPURB-Cuiabá
De acordo com a ABNT NBR 7191/1982, a indicação de lajes nos desenhos para obras em concreto simples ou armado deve garantir uma numeração, de preferência, começando do:
Provas
A imagem a seguir apresenta algumas formas de disposição de cotas e seus algarismos.
-

-
Com base na imagem acima, pode-se afirmar que está correta a forma representada em:
Provas
No software Autodesk AutoCAD® (versão em inglês), o comando que permite executar a concordância de vértices entre linhas e arcos a partir de um raio pré-definido é o:
Provas
De acordo com a ABNT NBR 16752/2020, a folha de desenho formato A2 tem como margem esquerda e direita, respectivamente:
Provas
Disciplina: Desenho Técnico e Industrial
Banca: SELECON
Orgão: LIMPURB-Cuiabá
Aimagem a seguir apresenta uma escala gráfica
-

-
Fonte: ABNT NBR 6492/1994, adaptado.
-
Com base no que representa essa escala gráfica, pode-se afirmar que X é igual a:
Provas
São projeções ortogonais do desenho arquitetônico:
Provas
No software Autodesk AutoCAD (versão em inglês), o comando que permite dividir uma linha com pontos ou blocos a partir de uma dimensão pré-determinada é o:
Provas
Caderno Container