Foram encontradas 50 questões.
Conforme a NBR 5410, o uso do dispositivo diferencial-residual (DR) de alta sensibilidade (corrente diferencial-residual nominal igual ou inferior a 30 mA) como proteção adicional é obrigatório
Provas
Disciplina: Segurança e Saúde no Trabalho (SST)
Banca: UFG
Orgão: Pref. Goiânia-GO
De acordo com a norma regulamentadora n. 10 (NR 10), que trata da segurança em instalações e serviços em eletricidade, a descrição dos procedimentos para emergências e as certificações dos equipamentos de proteção coletiva e individual são documentos que devem ser acrescentados ao prontuário de empresas que
Provas
A modalidade tarifária horária azul é caracterizada por tarifas
Provas
Uma preocupação cada vez mais comum entre os órgãos envolvidos com o fornecimento e o consumo de energia elétrica é a eficiência de equipamentos e instalações. Nesse contexto, uma medida para melhorar a eficiência de uma instalação é a substituição de equipamentos por equivalentes mais eficientes. A tabela a seguir mostra a situação inicial das cargas de uma instalação elétrica e o percentual de redução por categoria, após medidas de eficientização.
Situação inicial | Consumo Mensal (kWh) | Percentual de redução |
Equipamentos de refrigeração | 500 | 20% |
Equipamentos de aquecimento | 800 | 40% |
Iluminação | 300 | 60% |
Outras cargas | 400 | 20% |
Qual é o percentual de redução total do consumo de energia elétrica para a situação apresentada?
Provas
O esquema de proteção em um sistema elétrico de potência (distribuição de energia elétrica) tem como função detectar falta e isolar a área afetada no menor tempo possível. A propriedade da proteção em discriminar e somente desconectar do sistema a parte atingida pelo defeito recebe o nome de
Provas
No sistema elétrico de potência, é desejável que a tensão fornecida aos consumidores seja perfeitamente senoidal e com níveis constantes de tensão e frequência. No entanto, a presença cada vez maior de cargas não lineares provoca distúrbios no sistema, afetando a operação de equipamentos sensíveis a esses distúrbios. A figura a seguir mostra a forma de onda de tensão com alguns dos distúrbios que podem estar presentes no sistema elétrico e afetam a qualidade da energia elétrica.

O distúrbio denominado de surtos no sistema é identificado com o número
Provas
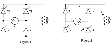
A figura 1 a seguir representa um retificador monofásico de onda completa a tiristor alimentando uma carga resistiva. A fonte de alimentação é v = Vm sen(ωt). A figura 2 mostra um dos quatro estágios de funcionamento do retificador. Nessa figura, as linhas cheias indicam passagem de corrente. O ângulo de disparo dos tiristores é denominado α.

O estágio de funcionamento mostrado na figura 2, no qual os tiristores T1 e T4 estão em condução, corresponde ao intervalo
Provas
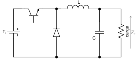
Várias aplicações da eletrônica de potência exigem variações do nível de tensão DC, tanto elevando, quanto reduzindo. O circuito da figura a seguir representa um conversor DC/DC utilizado com a finalidade de variar o nível de tensão DC. A tensão de entrada é Vi e a tensão de saída é Vo.

Esse tipo de conversor é denominado de
Provas
A razão entre a demanda média e a demanda máxima da unidade consumidora ocorridas no mesmo intervalo de tempo especificado é conhecida como fator de
Provas
Um circuito monofásico, tensão eficaz de 220 V (tensão fase-neutro), alimenta uma carga de 4400 W em seus terminais. Os condutores têm isolação PVC, temperatura máxima no condutor de 70oC e a temperatura ambiente de 30oC. Os condutores deste circuito estão inseridos em um eletroduto de PVC embutido em alvenaria (maneira de instalar B1). Em um trecho do eletroduto que transporta o circuito da carga de 4400 W estão mais 2 (dois) circuitos monofásicos. Dimensione os condutores do circuito pelo critério de capacidade de condução de corrente.
A tabela a seguir mostra os dados de um condutor com isolação de PVC, temperatura de operação 70 ºC, maneira de instalar B1 e fatores de correção de agrupamento de circuitos.
Tabela com capacidade de corrente, em ampères, para o método de referência B1 e fatores de correção de agrupamento (NBR 5410/2004).
Capacidade de Corrente dos condutores | Fatores de agrupamento de circuitos | ||
Seção nominal do condutor ( mm2) | Capacidade de condução de corrente do condutor ( A ) | Número de circuitos agrupados | Fator de correção de agrupamento |
1,5 | 17 | 1 | 1,0 |
2,5 | 24 | 2 | 0,8 |
4,0 | 32 | 3 | 0,7 |
6,0 | 41 | 4 | 0,65 |
10,0 | 57 | 5 | 0,6 |
A seção transversal do condutor do circuito que alimenta a carga de 4400 W, utilizando o critério de capacidade de condução de corrente, vale
Provas
Caderno Container