Foram encontradas 50 questões.
O trabalhador que comprovar conclusão de curso específico na área elétrica reconhecida pelo Sistema Oficial de Ensino é considerado trabalhador
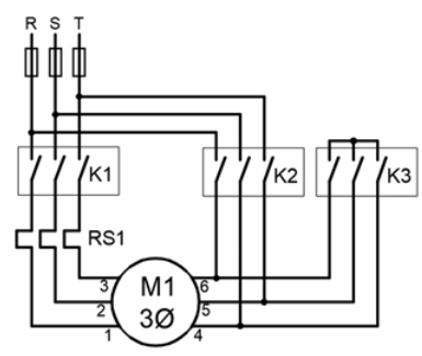
Provas
O diagrama mostrado na figura a seguir representa o circuito de força de uma chave de partida

Provas
Assinale a alternativa que apresenta a corrente I de alimentação do conjunto de cargas mostrado na figura a seguir.

Provas
Um motor de indução trifásico de 6 terminais, 220/380 V, tem corrente nominal igual a 30 A quando conectado para operar em 220 V. Se esse motor estiver com seus enrolamentos conectados para operar em 380 V, sua corrente nominal será igual a
Provas
Um transformador monofásico é composto por um enrolamento primário com 3000 espiras e um enrolamento secundário com 750 espiras. Durante um ensaio em vazio, verifica-se a tensão secundária igual a 48 V. Para essa condição, e desprezando-se as perdas no transformador, a tensão primária é igual a
Provas
Ao realizar a inspeção em um quadro de distribuição que apresentava funcionamento anormal, o eletricista de manutenção mediu as tensões presentes no disjuntor de proteção geral do quadro e encontrou os seguintes valores:
Entrada do Disjuntor | Saída do Disjuntor | |||||
Fases: | R-S | S-T | T-R | R-S | S-T | T-R |
Valor lido: | 220 V | 220 V | 221 V | 135 V | 108 V | 221 V |
Com base nos valores de tensão lidos, o eletricista pode afirmar que o defeito é:
Provas
Após concluir a instalação de um motor de indução trifásico, o eletricista verificou que o sentido de giro do motor estava incorreto. Para corrigir o sentido de giro do motor trifásico, o eletricista deve
Provas
Em uma rede subterrânea instalada em eletrodutos, é obrigatório o emprego de condutores
Provas
Considerando o tipo de isolação adotado, as redes aéreas compactas de média tensão (rede primária) do sistema de distribuição urbano são executadas com condutores
Provas
Disciplina: Segurança e Saúde no Trabalho (SST)
Banca: VUNESP
Orgão: Pref. Guaratinguetá-SP
Para que um equipamento de proteção individual possa ser comercializado e utilizado, é necessário que esse EPI apresente
Provas
Caderno Container