Foram encontradas 190 questões.
Na execução de fundações, a estaca armada e preenchida com argamassa de cimento e areia, moldada in loco, executada por perfuração rotativa ou rotopercussiva, revestida integralmente, no trecho em solo, por um conjunto de tubos metálicos recuperáveis é denominada estaca
Provas
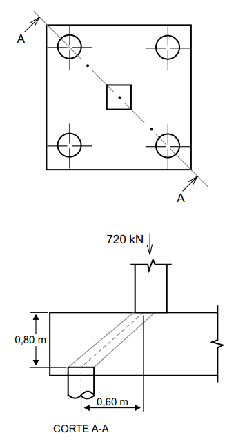
O bloco de fundação de concreto armado de quatro estacas da figura a seguir, está submetido a uma carga concentrada de cálculo de 720 kN.

Para o dimensionamento desse bloco, a força de compressão de cálculo nas bielas de concreto é
Provas
No projeto e na execução de estruturas de concreto armado, a área mínima permitida para a seção transversal de pilares é
Provas
No projeto de estruturas usuais de concreto, quando não forem realizados ensaios, pode-se estimar o valor do módulo de elasticidade inicial do concreto. Para o concreto de fck igual a 25 MPa, executado com agregado graúdo de granito, o módulo de elasticidade inicial é igual a
Provas
A viga engastada de aço da figura está submetida a uma carga uniformemente distribuída de 3,6 kN/m em todo o seu vão de 2 m.

Se a seção transversal da viga for retangular com 6 cm de base e 12 cm de altura, a tensão normal máxima devido à flexão, na fibra mais tracionada da viga, em módulo, é
Provas
A viga da figura a seguir está submetida a uma carga uniformemente distribuída de 5 kN/m em todo o seu vão de 8 m e a duas cargas concentradas de 20 kN.

O momento fletor máximo na viga é
Provas
No projeto arquitetônico de equipamentos públicos educacionais, administrativos, esportivos, culturais e de saúde que utilizam rampas, devem ser instalados corrimãos em rampas em ambos os lados, a e a do piso, medidos da face superior até o patamar, acompanhando a inclinação da rampa.
Assinale a alternativa que preenche, correta e respectivamente, as lacunas do texto.
Provas
Sobre as instalações hidráulicas de água não potável, proveniente do aproveitamento de água de chuva de coberturas, é correto afirmar que
Provas
Os guinchos de coluna utilizados em canteiros de obras devem possuir análise de risco e procedimento operacional, possuir proteção para impedir o contato de qualquer parte do corpo do trabalhador com o tambor de enrolamento e, entre outros requisitos, ter capacidade de carga máxima de
Provas
Disciplina: Engenharia Ambiental e Sanitária
Banca: VUNESP
Orgão: Pref. Guarulhos-SP
Corresponde ao instrumento de desenvolvimento econômico e social caracterizado por um conjunto de ações, procedimentos e meios destinados a viabilizar a coleta e a restituição dos resíduos sólidos ao setor empresarial, para reaproveitamento, em seu ciclo ou em outros ciclos produtivos, ou outra destinação final ambientalmente adequada.
Trata-se de:
Provas
Caderno Container