Foram encontradas 30 questões.
A elaboração de um relatório técnico com o auxílio do
computador exige o uso de programas específicos para
edição de textos. Assinale a alternativa que apresenta um
programa que tem essa finalidade.
Provas
Questão presente nas seguintes provas
3730629
Ano: 2025
Disciplina: Segurança e Saúde no Trabalho (SST)
Banca: VUNESP
Orgão: Pref. Itatiba-SP
Disciplina: Segurança e Saúde no Trabalho (SST)
Banca: VUNESP
Orgão: Pref. Itatiba-SP
Provas:
- NRsNR 6: Equipamentos de Proteção Individual (EPI)
- NRsNR 10: Segurança em Instalações e Serviços em Eletricidade
As normas regulamentadoras (NR) do Ministério do Trabalho e Emprego em vigor no Brasil e que tratam de segurança em instalações e serviços em eletricidade e equipamentos de proteção individual são, respectivamente:
Provas
Questão presente nas seguintes provas
- EletrotécnicaInstalações Elétricas em Eletricidade
- Legislação, Normas e ResoluçõesSegurança do Trabalho
Em uma instalação elétrica de baixa tensão, o dispositivo
de proteção empregado nos quadros de distribuição com
a função de proteger as pessoas contra a ocorrência de
choques elétricos é o:
Provas
Questão presente nas seguintes provas
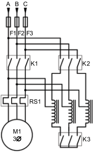
Observe o diagrama de força de um acionamento semiautomático para motores de indução trifásico, apresentado na figura a seguir:
Pode-se afirmar que
Pode-se afirmar que
Provas
Questão presente nas seguintes provas
Considere o diagrama planificado de um enrolamento de um motor de indução trifásico, mostrado na figura a seguir:

Pelo diagrama, é correto afirmar que o número de polos do motor e a forma de conexão entre as bobinas são, respectivamente:
Provas
Questão presente nas seguintes provas
Considere um transformador monofásico ideal (sem perdas) que possui enrolamento primário com 400 espiras
e enrolamento secundário com 50 espiras. Com o transformador operando com tensão primária de 240 V, com
potência aparente da carga conectada ao secundário do
transformador de 480 VA, a corrente no enrolamento secundário do transformador será igual a:
Provas
Questão presente nas seguintes provas
Considere o circuito mostrado na figura a seguir:

O valor da corrente Ia no circuito é:
Provas
Questão presente nas seguintes provas
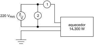
Considere o diagrama a seguir, que mostra um arranjo de
instrumentos de medidas elétricas destinado a permitir o
monitoramento das condições de operação de um aquecedor elétrico:
Nessa configuração, sabendo que o aquecedor está operando corretamente com potência nominal, pode-se afirmar que o tipo do instrumento 1 e sua indicação são, respectivamente:
Nessa configuração, sabendo que o aquecedor está operando corretamente com potência nominal, pode-se afirmar que o tipo do instrumento 1 e sua indicação são, respectivamente:
Provas
Questão presente nas seguintes provas
Três equipamentos elétricos de natureza puramente resistiva (com fator de potência unitário) estão conectados a uma rede de 220V, conforme mostrado na figura a seguir:

A corrente Ia medida tem o valor de 35 A. Nessa condição, é correto afirmar que:
Provas
Questão presente nas seguintes provas
Um equipamento elétrico monofásico opera com tensão
nominal de 220 V, e tem potência nominal de 8.800 W,
com fator de potência igual a 0,80. Ao ser conectado a
uma rede elétrica predial, esse equipamento terá corrente de operação igual a:
Provas
Questão presente nas seguintes provas
Cadernos
Caderno Container