Magna Concursos

Foram encontradas 2.115 questões.

689803 Ano: 2019
Disciplina: Engenharia Elétrica
Banca: CETREDE
Orgão: Pref. Juazeiro do Norte-CE
Provas:

Utilizando seus conhecimentos a respeito de DIMMER, RELÉ DE IMPULSO e MINUTERIA, assinale a alternativa em que esses dispositivos são utilizados na instalação predial.

 

Provas

Questão presente nas seguintes provas
689802 Ano: 2019
Disciplina: Engenharia Elétrica
Banca: CETREDE
Orgão: Pref. Juazeiro do Norte-CE
Provas:

Sobre os inversores de frequência, assinale a alternativa INCORRETA.

 

Provas

Questão presente nas seguintes provas
689801 Ano: 2019
Disciplina: Engenharia Elétrica
Banca: CETREDE
Orgão: Pref. Juazeiro do Norte-CE
Provas:

Sabe-se que a velocidade do campo magnético girante de uma máquina síncrona é de 1.800 rpm e que ela se encontra na Argentina onde a frequência de operação da rede é de 83% da brasileira. Quantos polos possui esse motor?

 

Provas

Questão presente nas seguintes provas
689800 Ano: 2019
Disciplina: Engenharia Elétrica
Banca: CETREDE
Orgão: Pref. Juazeiro do Norte-CE
Provas:

Você possui um motor de corrente contínua e precisa determinar a regulação de velocidade em valor percentual. Para isso você mediu a velocidade de rotação do eixo em vazio e depois em plena carga, obtendo respectivamente 1.500 rpm e 900 rpm. Sendo assim, qual é o valor aproximado da regulação de que você precisa?

 

Provas

Questão presente nas seguintes provas
689799 Ano: 2019
Disciplina: Segurança e Saúde no Trabalho (SST)
Banca: CETREDE
Orgão: Pref. Juazeiro do Norte-CE
Provas:

Na Norma Regulamentadora 10, ou usualmente conhecida como NR-10, temos que a seção 10.3.9 trata exclusivamente sobre os itens de segurança para o memorial descritivo de projeto e que, de acordo com essa normatização, podemos afirmar que a cor indicada para sinalizar um circuito LIGADO é a cor:

 

Provas

Questão presente nas seguintes provas
689798 Ano: 2019
Disciplina: Engenharia Elétrica
Banca: CETREDE
Orgão: Pref. Juazeiro do Norte-CE
Provas:

Considere um gerador síncrono ligado a uma barra infinita. Se nós excitarmos lentamente esse gerador síncrono, consequentemente aumentando a tensão induzida na armadura e mantivermos sua potência mecânica constante (sem alterar tensão de terminal e corrente de armadura), poderemos afirmar que para uma carga parcialmente indutiva, o fator de potência vai

 

Provas

Questão presente nas seguintes provas
689797 Ano: 2019
Disciplina: Engenharia Elétrica
Banca: CETREDE
Orgão: Pref. Juazeiro do Norte-CE
Provas:

Com auxílio do método dos dois wattímetros, podemos obter alguns dados sobre a potência dissipada na carga e até o tipo da carga mesmo sem conhecê-la previamente. Dito isto, considere um sistema trifásico com fonte e carga equilibradas, sequência ABC e com os wattímetros conectados como mostra a figura a seguir. Determine o fator de potência dessa carga sabendo que o wattímetro 1 mediu 100W e o wattímetro 2 mediu 200W.

Enunciado 689797-1

Assinale a alternativa CORRETA.

 

Provas

Questão presente nas seguintes provas
689796 Ano: 2019
Disciplina: Engenharia Elétrica
Banca: CETREDE
Orgão: Pref. Juazeiro do Norte-CE
Provas:

Suponha um sistema elétrico trifásico onde a fonte geradora é simétrica e a carga é desequilibrada. Tanto a fonte quanto a carga estão em ligação tipo estrela sem condutor de neutro. Levando em consideração essas informações, julgue a seguir marque (V) para as VERDADEIRAS e (F) para as FALSAS.

( ) Não importa a carga monofásica que você escolha, a potência nela vai ser sempre 1/3 da potência trifásica.

( ) Por ser uma carga desequilibrada, o somatório das correntes no neutro será diferente de zero.

( ) A tensão de fase da carga será diferente da tensão de fase da fonte.

Marque a opção que apresenta a sequência CORRETA.

 

Provas

Questão presente nas seguintes provas
689795 Ano: 2019
Disciplina: Engenharia Elétrica
Banca: CETREDE
Orgão: Pref. Juazeiro do Norte-CE
Provas:

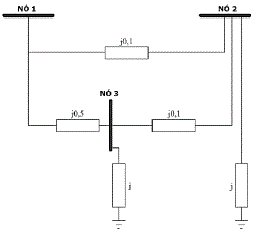
Suponha as impedâncias de uma determinada rede elétrica como a figura a seguir. Os valores das impedâncias estão em Ohm. Determine a matriz ADMITÂNCIA para os nós representados.

Enunciado 689795-1

Assinale a alternativa correspondente

 

Provas

Questão presente nas seguintes provas
689794 Ano: 2019
Disciplina: Engenharia Elétrica
Banca: CETREDE
Orgão: Pref. Juazeiro do Norte-CE
Provas:

Deseja-se descobrir qual é o valor da corrente na fase A de um circuito de sequência ABC em regime permanente, mas só temos as seguintes informações sobre as componentes simétricas desse circuito em p.u. São elas: IA1 = 1∠ 90° pu, IB2 = 0,9∠ 120° pu e IC0 = 0,1∠ 0° pu. Sendo assim, IA vale em p.u.

 

Provas

Questão presente nas seguintes provas