Foram encontradas 50 questões.
Sobre os motores monofásicos, assinale a
alternativa correta.
Provas
Questão presente nas seguintes provas
Os medidores de vazão são amplamente
utilizados em processos industriais e
apresentam diferentes tecnologias que se
adaptam ao uso de acordo com a necessidade
de cada processo. Sobre o medidor de vazão,
assinale a alternativa correta.
Provas
Questão presente nas seguintes provas
O conhecimento relacionado ao
dimensionamento de dispositivos de
proteção contra curto-circuito e sobrecarga
aplicados ao acionamento de motores
de indução trifásicos está presente nas
atividades do técnico eletrotécnico. De
acordo com projeto de sistemas de comando
e proteção de quadros de comando de
motores de indução, assinale a alternativa
correta.
Provas
Questão presente nas seguintes provas
O técnico em eletrotécnica utiliza
instrumentos capazes de mensurar variáveis
de diversas naturezas, principalmente
elétricas. De acordo com as definições de
Instrumento de medição de corrente, tensão
e potência, assinale a alternativa correta.
Provas
Questão presente nas seguintes provas
O item 5 da NBR 14039:2005 faz menções
às medidas de proteção para garantir a
segurança. Em relação ao item 5.1 dessa
mesma norma, é correto afirmar que ele
Provas
Questão presente nas seguintes provas
O técnico em eletrotécnica deve ser capaz
de interpretar o funcionamento de um motor
de indução assíncrono trifásico para atender
à demanda de suas funções profissionais.
De acordo com as definições de motores de
indução monofásicos e trifásicos, assinale a
alternativa correta.
Provas
Questão presente nas seguintes provas
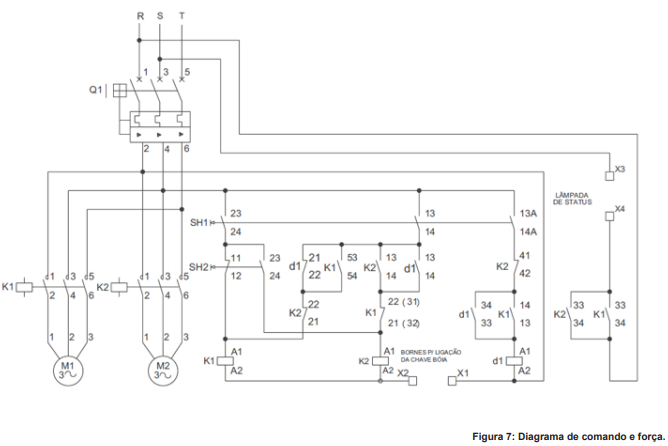
Analise o diagrama elétrico de força e de comando da Figura 7 e assinale a alternativa correta.


Provas
Questão presente nas seguintes provas
Sobre a Norma Regulamentadora de
Segurança em Instalações e serviços de
eletricidade - NR10, assinale a alternativa
correta.
Provas
Questão presente nas seguintes provas
De acordo com parâmetros de projeto luminotécnico e suas definições, assinale a alternativa correta.
Provas
Questão presente nas seguintes provas
A corrente alternada está presente em diversas aplicações envolvendo acionamento de máquinas elétricas em que o técnico em Eletrotécnica deve atuar. Sobre corrente alternada monofásica e trifásica, assinale a alternativa correta.
Provas
Questão presente nas seguintes provas
Cadernos
Caderno Container