Foram encontradas 1.416 questões.
De acordo com as definições de simbologia
elétrica em vigor no Brasil e da análise da
Figura 8, assinale a alternativa correta.


Provas
Questão presente nas seguintes provas
O diagrama da Figura 6 representa a malha de controle e instrumentação de um dado
processo industrial, em que o técnico em Eletrotécnica deve interpretar e reconhecer
suas características. De acordo com a Figura 6, assinale a alternativa correta:


Provas
Questão presente nas seguintes provas
Os comandos elétricos de motores geralmente são dotados de sistemas de proteção contra
sobrecarga, curto-circuito e falta de fase. De acordo com a Figura 5, assinale a alternativa correta.


Provas
Questão presente nas seguintes provas
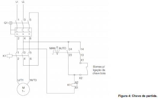
Um técnico em eletrotécnica se deparou com o diagrama mostrado pela Figura 4 e deve interpretá-lo para prestar manutenção em seus circuitos. De acordo com o diagrama da Figura 4, assinale a
alternativa correta.


Provas
Questão presente nas seguintes provas
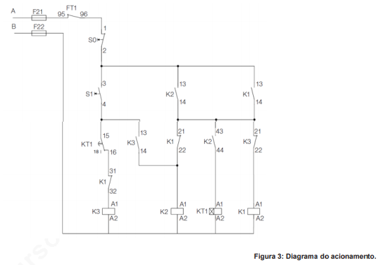
Um técnico eletrotécnico deve ser capaz de analisar e manter circuitos de comando de máquinas
elétricas. De acordo com o diagrama da Figura 3, assinale a alternativa correta em relação ao tema
circuitos de comando.


Provas
Questão presente nas seguintes provas
Um técnico em eletrotécnica, ao analisar o
sinal da Figura 2, proveniente da captura da
tela de um osciloscópio com dois canais,
deve inferir acerca de suas características
para manutenção de um circuito. Dadas
as informações para os sinais da Figura 2:
segundos/divisão = 5000 ms, volts/divisão:
canal 1: 200 mV/div, canal 2: 2,0V/div e
frequência de amostragem = 2,0 MSa/s e de
acordo com as definições de osciloscópios
para a Figura 2, assinale a alternativa correta.


Provas
Questão presente nas seguintes provas
- EletrotécnicaCircuitos de Corrente Contínua em Eletrotécnica
- EletrotécnicaCircuitos Elétricos em Eletrotécnica
As Leis de Kirchhoff permitem a análise de
circuitos e são largamente utilizadas para
solucionar problemas dessa natureza. Dado
o circuito da Figura 1 , assinale a alternativa
correta, de acordo com as Leis de Kirchhoff
para associação em paralelo de fontes de
corrente:


Provas
Questão presente nas seguintes provas
De acordo com a resolução normativa 414/2010, que determina as condições gerais de fornecimento
de energia elétrica, assinale a alternativa correta.
Provas
Questão presente nas seguintes provas
Um técnico, ao analisar o acionamento
direto de um motor de indução assíncrono
trifásico alimentado com tensão de 220 Vca;
consumindo corrente de 10 A e apresentando
fator de potência de 0,86, chegou à correta
conclusão de que
Provas
Questão presente nas seguintes provas
De acordo com as chaves de partida do tipo “inversor de frequência” e das características dos
motores elétricos e seus Circuitos de comando, assinale a alternativa correta.
Provas
Questão presente nas seguintes provas
Cadernos
Caderno Container