Foram encontradas 705 questões.
2081296
Ano: 2021
Disciplina: Engenharia Elétrica
Banca: UniFil
Orgão: Pref. Marechal Cândido Rondon-PR
Disciplina: Engenharia Elétrica
Banca: UniFil
Orgão: Pref. Marechal Cândido Rondon-PR
Provas:
A condução elétrica dos materiais é uma
característica física e um requisito básico para
produtos com aplicação elétrica. Assim, os materiais
podem ser classificados como condutores,
semicondutores e isolantes a partir de sua
resistividade.
Sobre o tema, avalie as seguintes asserções e a relação
proposta entre elas.
I. A prata, o ouro, o cobre e a borracha são materiais
de baixa resistividade.
PORQUE
II. Todos esses materiais tem uma alta condutividade.
A respeito dessas asserções, assinale a opção correta.
Provas
Questão presente nas seguintes provas
2081295
Ano: 2021
Disciplina: Engenharia Elétrica
Banca: UniFil
Orgão: Pref. Marechal Cândido Rondon-PR
Disciplina: Engenharia Elétrica
Banca: UniFil
Orgão: Pref. Marechal Cândido Rondon-PR
Provas:
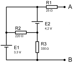
Os teoremas de Thevenin e Norton permitem a
representação de um circuito linear por somente dois
componentes, facilitando a análise de um circuito
elétrico.
Considere o circuito apresentado na figura a seguir.
Assinale a alternativa que corresponde à corrente de Norton, vista nos pontos A e B do circuito.
Assinale a alternativa que corresponde à corrente de Norton, vista nos pontos A e B do circuito.
Provas
Questão presente nas seguintes provas
2081294
Ano: 2021
Disciplina: Engenharia Elétrica
Banca: UniFil
Orgão: Pref. Marechal Cândido Rondon-PR
Disciplina: Engenharia Elétrica
Banca: UniFil
Orgão: Pref. Marechal Cândido Rondon-PR
Provas:
Conforme a norma NBR 5410, existem dois tipos de
tomadas, as tomadas de uso geral (TUG) e as
tomadas de uso específico (TUE), que possuem
diferentes regras de dimensionamento. Tendo em
vista a NBR 5410, as TUE precisam ser projetadas
com qual potência?
Provas
Questão presente nas seguintes provas
2081293
Ano: 2021
Disciplina: Engenharia Elétrica
Banca: UniFil
Orgão: Pref. Marechal Cândido Rondon-PR
Disciplina: Engenharia Elétrica
Banca: UniFil
Orgão: Pref. Marechal Cândido Rondon-PR
Provas:
O transformador é um equipamento elétrico
utilizado para adequação de níveis de tensão e
corrente elétrica, sendo muito utilizado nos sistemas
de geração, transmissão e distribuição de energia
elétrica.
Sobre o transformador, analise as assertivas e
assinale a alternativa correta.
I. É possível afirmar que em um transformador ideal,
a tensão do primário dividida pelo número de espiras
do secundário é igual a tensão do secundário dividida
pelo número de espiras do primário.
II. Em um transformador, a energia elétrica contida em
uma corrente elétrica é transmitida por meio do
campo magnético do primário para o secundário.
III. Em um transformador ideal, a potência elétrica é
transmitida integralmente de um solenoide para o
outro, de modo que tensão e a corrente podem variar,
mas o seu produto não.
IV. O transformador funciona somente em corrente e
tensão contínuas.
Provas
Questão presente nas seguintes provas
2081081
Ano: 2021
Disciplina: Educação Física
Banca: UniFil
Orgão: Pref. Marechal Cândido Rondon-PR
Disciplina: Educação Física
Banca: UniFil
Orgão: Pref. Marechal Cândido Rondon-PR
Provas:
As Academias de Terceira Idade se tornaram
referência em saúde, bem-estar e qualidade de vida.
Atualmente no Brasil, mais de 2 milhões de pessoas
acima de 60 anos frequentam academias ao ar livre.
Mais conhecidas como ATI, as academias para
idosos estimulam a prática regular e contínua de
atividades físicas. São aparelho de ginástica
instaladas nas academias ao ar livre, exceto:
Provas
Questão presente nas seguintes provas
2081080
Ano: 2021
Disciplina: Educação Física
Banca: UniFil
Orgão: Pref. Marechal Cândido Rondon-PR
Disciplina: Educação Física
Banca: UniFil
Orgão: Pref. Marechal Cândido Rondon-PR
Provas:
Assinale a alternativa que preenche corretamente as
lacunas abaixo.
A é a capacidade do indivíduo de
realizar com vigor e disposição.
Está relacionada ao desempenho levando em consideração a especificidade de cada
modalidade desempenhada.
Provas
Questão presente nas seguintes provas
2081079
Ano: 2021
Disciplina: Educação Física
Banca: UniFil
Orgão: Pref. Marechal Cândido Rondon-PR
Disciplina: Educação Física
Banca: UniFil
Orgão: Pref. Marechal Cândido Rondon-PR
Provas:
O esqueleto humano é a estrutura óssea que compõe
o corpo humano.
Ele corresponde ao conjunto de ossos de um
determinado corpo, sendo suas principais funções:
sustentação, locomoção e proteção dos órgãos vitais. O esqueleto humano é dividido em duas partes:
esqueleto axial e o esqueleto apendicular. Desse
modo, a respeito do esqueleto axial é correto afirmar
que
Provas
Questão presente nas seguintes provas
2081078
Ano: 2021
Disciplina: Educação Física
Banca: UniFil
Orgão: Pref. Marechal Cândido Rondon-PR
Disciplina: Educação Física
Banca: UniFil
Orgão: Pref. Marechal Cândido Rondon-PR
Provas:
Com relação aos músculos, relacione as colunas e
assinale a alternativa que apresenta a sequência
correta de baixo para cima.
I. Agonistas.
II. Antagonistas.
III. Sinergistas.
IV. Fixadores.
( ) São os músculos principais que ativam um
movimento específico do corpo, eles se contraem
ativamente para produzir um movimento desejado.
( ) Músculos que se opõem à ação dos agonistas, quando
o agonista se contrai, ele relaxa progressivamente,
produzindo um movimento suave.
( ) São aqueles que participam estabilizando as
articulações para que não ocorram movimentos
indesejáveis durante a ação principal.
( ) Estabilizam a origem do agonista de modo que ele
possa agir mais eficientemente. Estabilizam a parte
proximal do membro quando se move a parte distal.
Provas
Questão presente nas seguintes provas
2081077
Ano: 2021
Disciplina: Educação Física
Banca: UniFil
Orgão: Pref. Marechal Cândido Rondon-PR
Disciplina: Educação Física
Banca: UniFil
Orgão: Pref. Marechal Cândido Rondon-PR
Provas:
Ramos (2002) desenvolveu um estudo envolvendo
gestantes e exercícios físicos. A partir de suas
observações verificou-se uma série de benefícios
proporcionados para a gestante, quando da prática
regular, sistemática, correta e orientada de um
programa de exercícios físicos. Em relação à
prescrição de exercícios físicos para gestantes e seus
cuidados, informe se é verdadeiro (V) ou falso (F)
para o que se afirma e assinale a alternativa que
apresenta a sequência correta.
( ) Evitar todo e qualquer tipo de impacto sobre as
articulações.
( ) Evitar que a temperatura corporal da gestante
ultrapasse os 38ºC.
( ) Não realizar exercícios elevando o quadril e as
pernas acima do nível do peito, evitando dessa forma
a movimentação brusca do sangue para a cabeça.
( ) Abolir todo e qualquer tipo de exercício que
provoque apnéia (prender a respiração).
Provas
Questão presente nas seguintes provas
2081076
Ano: 2021
Disciplina: Educação Física
Banca: UniFil
Orgão: Pref. Marechal Cândido Rondon-PR
Disciplina: Educação Física
Banca: UniFil
Orgão: Pref. Marechal Cândido Rondon-PR
Provas:
Assinale a alternativa que preenche corretamente as
lacunas.
O heptatlo é uma modalidade olímpica do atletismo
praticada exclusivamente por ,
numa mesma prova são envolvidas do atletismo.
Provas
Questão presente nas seguintes provas
Cadernos
Caderno Container