Foram encontradas 40 questões.
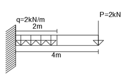
A viga em balanço a seguir apresenta um carregamento distribuído e uma carga pontual. Sobre o momento fletor e a força cortante é possível afirmar que:

Provas
De acordo com a NBR 6122, caso haja necessidade de aprofundar a cava da sapata, um dos procedimentos a ser realizado pode ser:
Provas
Disciplina: Segurança e Saúde no Trabalho (SST)
Banca: COTEC
Orgão: Pref. Montes Claros-MG
A NR 18 prevê a obrigatoriedade da colocação de tapume, sempre que se executarem atividades da indústria da construção. O tapume deverá:
Provas
Disciplina: Segurança e Saúde no Trabalho (SST)
Banca: COTEC
Orgão: Pref. Montes Claros-MG
A NR 18 prevê a presença de instalação sanitária nas áreas de vivência que deve ser constituída de lavatório, bacia sanitária sifonada, dotada de assento com tampo e mictório, na proporção de 1 (um) conjunto para cada grupo de 20 (vinte) trabalhadores ou fração, bem como de chuveiro, na proporção:
Provas
Disciplina: Direito Administrativo
Banca: COTEC
Orgão: Pref. Montes Claros-MG
A nova Lei de Licitações e Contratos Administrativos (Lei n.º 14.133/2021) estabelece normas gerais de licitação e contratação para as Administrações Públicas diretas, autárquicas e fundacionais da União, dos Estados, do Distrito Federal e dos Municípios. Conforme o Art. 28 da referida lei, são modalidades de licitação:
Provas
Ao elaborar um projeto de fundações, um engenheiro civil constatou que haveria necessidade de execução de estacas abaixo do lençol freático e que não poderia haver choque ou vibrações durante a execução. Além disso, após análise das características do solo, de custos totais, entre outros, optou pelo tipo de fundação que apresenta as seguintes características:
- São moldadas in loco.
- São executadas a partir de perfuração rotativa ou rotopercussiva.
- Podem ser executadas em solos e rochas, o que facilita a execução em terrenos com presença de matacões.
Diante do exposto, é CORRETO afirmar que o tipo de fundação escolhido foi:
Provas
O engenheiro civil deve se atentar, durante o projeto de fundações, aos acréscimos de tensões no solo para calcular os recalques das edificações. Para tanto, existem métodos que utilizam a teoria da elasticidade, considerando o solo contínuo, isotrópico e homogêneo. Com base nesses conceitos e a partir da figura a seguir, que apresenta um carregamento (σ) aplicado na superfície do terreno, com eixo de simetria da área carregada representado pela linha vertical tracejada, marque a alternativa CORRETA em relação aos pontos de interesse (A, B, C e D) e aos planos horizontais \( (a \) e β).

Provas
O processo de redução da seção transversal de uma barra de aço, puxando-se a peça por entre uma ferramenta com forma de canal convergente, é denominado:
Provas
Um perito engenheiro civil foi solicitado para avaliar uma viga de concreto armado com dois apoios simples e submetida a carga concentrada no centro do vão. Ao visualizar o elemento estrutural, o engenheiro constatou que havia fissuras na região tracionada, sendo que elas não atingiam a linha neutra e não havia na região comprimida nenhum sinal de fissuração do concreto. Com base no exposto, é CORRETO afirmar que:
Provas
No projeto de estruturas de concreto armado, o engenheiro civil deve levar em consideração todas as ações que influenciem a segurança da obra, conforme recomendado pela NBR 6118. A referida norma classifica as ações em permanentes (diretas e indiretas), variáveis e excepcionais. Assinale a alternativa que apresenta uma ação permanente (direta ou indireta) e variável, respectivamente.
Provas
Caderno Container