Foram encontradas 40 questões.
A NBR 5410 estabelece critérios objetivos para a manutenção das instalações elétricas de baixa tensão. Assinale a alternativa que
define CORRETAMENTE quando deve ser realizada uma manutenção corretiva.
Provas
Questão presente nas seguintes provas
A Secretaria de Obras da Prefeitura de Aviador decidiu automatizar alguns de seus processos de trabalho mais recorrentes. Após a
capacitação da equipe de manutenção em conceitos de acionamentos de máquinas elétricas, para o trecho de um diagrama elétrico
multifilar, apresentado na Figura 5, foram formuladas as seguintes assertivas:

I- Trata-se do diagrama de comando de uma partida Y-Δ.
II- O diagrama corresponde a parte de potência do acionamento de um motor trifásico denominado partida direta.
III- Trata-se de uma partida direta, que é a forma mais adequada para a alimentação elétrica de um motor trifásico, visto que sua corrente nominal é rapidamente alcançada, de modo que não acarreta danos à máquina, garantindo uma maior vida útil para a instalação elétrica e consequentemente para o motor trifásico. IV- No diagrama apresentado pode-se evidenciar um conjunto de contatos Normalmente Abertos (NA) de um contator trifásico, denominado K1 e que têm por finalidade principal a proteção do motor.
É CORRETO o que se afirma apenas em:

I- Trata-se do diagrama de comando de uma partida Y-Δ.
II- O diagrama corresponde a parte de potência do acionamento de um motor trifásico denominado partida direta.
III- Trata-se de uma partida direta, que é a forma mais adequada para a alimentação elétrica de um motor trifásico, visto que sua corrente nominal é rapidamente alcançada, de modo que não acarreta danos à máquina, garantindo uma maior vida útil para a instalação elétrica e consequentemente para o motor trifásico. IV- No diagrama apresentado pode-se evidenciar um conjunto de contatos Normalmente Abertos (NA) de um contator trifásico, denominado K1 e que têm por finalidade principal a proteção do motor.
É CORRETO o que se afirma apenas em:
Provas
Questão presente nas seguintes provas
De acordo com a NBR 5410, dentre os princípios fundamentais e características gerais que orientam os objetivos e as prescrições desta
norma técnica, podemos relacionar a proteção contra choques elétricos e a circulação de correntes de falta.
Assinale a alternativa que apresenta, respectivamente, a definição CORRETA destes princípios.
Assinale a alternativa que apresenta, respectivamente, a definição CORRETA destes princípios.
Provas
Questão presente nas seguintes provas
Para o circuito elétrico em CC, apresentado na Figura 4, determinar o valor de R1 e de R2, respectivamente, sabendo que a queda de
tensão no resistor de 60Ωé de 50V e que a resistência equivalente do circuito é de 25Ω.


Provas
Questão presente nas seguintes provas
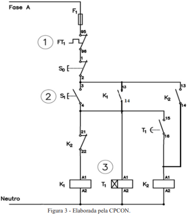
O diagrama apresentado na Figura 3 representa o circuito de comando para o acionamento elétrico de um motor trifásico de uma
máquina utilizada na irrigação do plantio de hortaliças de uma cooperativa rural.
Assinale a alternativa que indica CORRETAMENTE a análise do diagrama de comando, em conformidade com o seu adequado circuito de potência.

Assinale a alternativa que indica CORRETAMENTE a análise do diagrama de comando, em conformidade com o seu adequado circuito de potência.

Provas
Questão presente nas seguintes provas
Ainda na fase de projeto de uma instalação elétrica, a NBR 5410 estabelece que devem ser determinadas, dentre outras características,
a utilização prevista e a demanda da potência de alimentação. Sobre o tema, analise as assertivas abaixo:
I- A previsão de carga de uma instalação leva em consideração a natureza do equipamento em si. Para equipamentos de utilização geral, a carga a considerar é a potência nominal por ela absorvida, dada pelo fabricante ou calculada a partir da tensão nominal, da corrente nominal e do fator de potência. Quando fornecida a potência de saída do equipamento, e não a absorvida, devem ser considerados o rendimento e o fator de potência.
II- Em halls de serviço, salas de manutenção e salas de equipamentos, tais como casas de máquinas, salas de bombas, barriletes e locais análogos, deve ser previsto no mínimo 5 pontos de tomada de uso geral. Aos circuitos terminais respectivos deve ser atribuída uma potência de, no mínimo, 1000 VA.
III- Os pontos de tomada de uso específico devem ser localizados no máximo a 2,5 m do ponto previsto para a localização do equipamento a ser alimentado.
IV- Os pontos de tomada destinados a alimentar mais de um equipamento devem ser providos com a quantidade adequada de tomadas.
É CORRETO o que se afirma apenas em:
I- A previsão de carga de uma instalação leva em consideração a natureza do equipamento em si. Para equipamentos de utilização geral, a carga a considerar é a potência nominal por ela absorvida, dada pelo fabricante ou calculada a partir da tensão nominal, da corrente nominal e do fator de potência. Quando fornecida a potência de saída do equipamento, e não a absorvida, devem ser considerados o rendimento e o fator de potência.
II- Em halls de serviço, salas de manutenção e salas de equipamentos, tais como casas de máquinas, salas de bombas, barriletes e locais análogos, deve ser previsto no mínimo 5 pontos de tomada de uso geral. Aos circuitos terminais respectivos deve ser atribuída uma potência de, no mínimo, 1000 VA.
III- Os pontos de tomada de uso específico devem ser localizados no máximo a 2,5 m do ponto previsto para a localização do equipamento a ser alimentado.
IV- Os pontos de tomada destinados a alimentar mais de um equipamento devem ser providos com a quantidade adequada de tomadas.
É CORRETO o que se afirma apenas em:
Provas
Questão presente nas seguintes provas
Pedro, eletricista autônomo, ao analisar um projeto luminotécnico que foi desenvolvido visando à eficiência energética e o melhor
aproveitamento da iluminação natural em uma movelaria, se deparou com diversos instrumentos de medição. Assinale a alternativa
que apresenta CORRETAMENTE o equipamento adequado, constituído basicamente a partir de uma célula fotoelétrica, para a
medição da iluminância de cada ambiente da movelaria.
Provas
Questão presente nas seguintes provas
3889203
Ano: 2025
Disciplina: Segurança e Saúde no Trabalho (SST)
Banca: UEPB
Orgão: Pref. Nova Palmeira-PB
Disciplina: Segurança e Saúde no Trabalho (SST)
Banca: UEPB
Orgão: Pref. Nova Palmeira-PB
Provas:
De acordo com a NR10, o Prontuário das Instalação Elétricas – PIE, além dos esquemas unifilares atualizados das instalações elétricas,
das especificações do sistema de aterramento e demais equipamentos e dispositivos de proteção, deve constituir, dentre outros:
Provas
Questão presente nas seguintes provas
Para a segurança dos trabalhadores do setor elétrico, faz-se necessário conhecer as diretrizes da Norma Regulamentadora Nº 10 –
NR10, do Ministério do Trabalho e Emprego – MTE, aplicável em todo o território nacional. Quanto à sinalização de segurança nas
instalações e serviços em eletricidade, deve ser adotada de forma a atender, dentre outras situações:
Provas
Questão presente nas seguintes provas
Para a análise de circuitos elétricos, a compreensão de alguns conceitos básicos, como por exemplo, as Leis de Ohm e de Kirchhof, são
fundamentais. Após o estudo detalhado do tema, um estudante formulou as assertivas a seguir:
I- A1ª Lei de Ohm estabelece que a corrente elétrica (I), que atravessa um resistor ôhmico (R) é inversamente proporcional à tensão elétrica (V), aplicada a seus terminais. Pode ser matematicamente expressa por: V= R I. *
II- As Leis de Kirchhof podem ser entendidas a partir da conservação da energia elétrica em uma malha de circuito, 1ª Lei de Kirchhof, e da conservação da carga elétrica em um nó de circuito, 2ª Lei de Kirchhof.
III- A2ª Lei de Ohm estabelece que a resistência elétrica (R) de um condutor ôhmico é diretamente proporcional ao seu comprimento (L) e à sua área de secção transversal (A) e inversamente proporcional à sua resistividade (ρ). Pode ser matematicamente expressa por: R= (p L)/A. *
IV- Aresistência elétrica (R) de um dipolo ôhmico depende de seu material construtivo, por meio de sua resistividade (ρ) que é, por sua vez, uma característica intrínseca do material.
É CORRETO o que se afirma apenas em:
I- A1ª Lei de Ohm estabelece que a corrente elétrica (I), que atravessa um resistor ôhmico (R) é inversamente proporcional à tensão elétrica (V), aplicada a seus terminais. Pode ser matematicamente expressa por: V= R I. *
II- As Leis de Kirchhof podem ser entendidas a partir da conservação da energia elétrica em uma malha de circuito, 1ª Lei de Kirchhof, e da conservação da carga elétrica em um nó de circuito, 2ª Lei de Kirchhof.
III- A2ª Lei de Ohm estabelece que a resistência elétrica (R) de um condutor ôhmico é diretamente proporcional ao seu comprimento (L) e à sua área de secção transversal (A) e inversamente proporcional à sua resistividade (ρ). Pode ser matematicamente expressa por: R= (p L)/A. *
IV- Aresistência elétrica (R) de um dipolo ôhmico depende de seu material construtivo, por meio de sua resistividade (ρ) que é, por sua vez, uma característica intrínseca do material.
É CORRETO o que se afirma apenas em:
Provas
Questão presente nas seguintes provas
Cadernos
Caderno Container