Foram encontradas 40 questões.
A questão refere-se ao texto seguinte.
AMIGOS
Tenho amigos que não sabem o quanto são meus amigos.
Não percebem o que lhes devoto e a absoluta necessidade que tenho deles.
A amizade é um sentimento mais nobre do que o amor, eis que permite que o objeto dela se divida em outros afetos, enquanto o amor tem intrínseco o ciúme, que não admite a rivalidade. E eu poderia suportar, embora não sem dor, que tivessem morrido todos os meus amores, mas enlouqueceria se morressem todos os meus amigos! Até mesmo aqueles que não percebem o quanto são meus amigos e o quanto minha vida depende de suas existências...
A alguns deles não procuro, basta-me saber que eles existem. Esta mera condição me encoraja a seguir em frente pela vida. Mas, porque não os procuro com assiduidade, não posso lhes dizer o quanto gosto deles. Eles não iriam acreditar.
Muitos deles estão lendo esta crônica e não sabem que estão incluídos na sagrada relação dos meus amigos. Mas é delicioso que eu saiba e sinta que os adoro, embora não declare e não os procure. E às vezes, quando os procuro, noto que eles não tem noção de como me são necessários, de como são indispensáveis ao meu equilíbrio vital, porque eles fazem parte do mundo que eu, tremulamente, construí e se tornaram alicerces do meu encanto de vida.
Se um deles morrer, eu ficarei torto para um lado. Se todos eles morrerem, eu desabo! Por isso é que, sem que eles saibam, eu rezo pela vida deles. E me envergonho, porque essa minha prece é, em síntese, dirigida ao meu bem estar. Ela é, talvez, fruto do meu egoísmo.
Por vezes, mergulho em pensamentos sobre alguns deles. Quando viajo e fico diante de lugares maravilhosos, cai-me alguma lágrima por não estarem junto de mim, compartilhando daquele prazer...
Se alguma coisa me consome e me envelhece é que a roda furiosa da vida não me permite ter sempre ao meu lado, morando comigo, andando comigo, falando comigo, vivendo comigo, todos os meus amigos, e, principalmente, os que só desconfiam ou talvez nunca vão saber que são meus amigos!
(Paulo Sant'anna. http://www.blassoc.com.br/bettyvidigaltextovm.htm)
Quanto ao quarto parágrafo do texto, é correto afirmar:
Provas
Disciplina: Engenharia Elétrica
Banca: UFAL
Orgão: Pref. Palmeira Índios-AL
Os dispositivos diferenciais residuais DR são equipamentos que têm o objetivo de garantir:
I. a não qualidade dos equipamentos, pois esses dispositivos não admitem correntes de fugas elevadas, e não protegendo as pessoas e animais domésticos contra descargas;
II. a qualidade da instalação, pois esses dispositivos não admitem correntes de fugas elevadas;
III. a proteção das pessoas e animais domésticos contra os choques elétricos;
IV. a proteção dos circuitos por DR, que pode ser realizada individualmente ou por grupos de circuitos.
Verifica-se que está(ão) correta(s)
Provas
Disciplina: Engenharia Elétrica
Banca: UFAL
Orgão: Pref. Palmeira Índios-AL
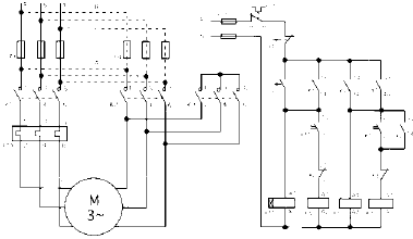
A figura abaixo representa o circuito de uma chave de partidas de motores elétricos de Indução.

Esta chave denomina-se
Provas
Disciplina: Engenharia Elétrica
Banca: UFAL
Orgão: Pref. Palmeira Índios-AL
De acordo com a norma NRB 5410, a seção mínima do condutor de terra para uma instalação de uma entrada de energia a quatro condutores (três fases e um neutro) de 50 mm² deve ser de
Provas
Disciplina: Engenharia Elétrica
Banca: UFAL
Orgão: Pref. Palmeira Índios-AL
A figura abaixo mostra um esquema de aterramento. Conforme os dados dessa figura, o aterramento é do tipo

Provas
Disciplina: Engenharia Elétrica
Banca: UFAL
Orgão: Pref. Palmeira Índios-AL
As dimensões internas dos eletrodutos e de suas conexões devem permitir que, após montagem da linha, os condutores possam ser instalados e retirados com facilidade. Para tanto, a NBR 5410 define que a taxa máxima de ocupação em relação à área da seção transversal dos eletrodutos para os cabos de um, dois a três condutores ou cabos, não deve ser superior a, respectivamente,
Provas
Disciplina: Engenharia Elétrica
Banca: UFAL
Orgão: Pref. Palmeira Índios-AL
Um motor de 4 polos 60 Hz, em gaiola, tem uma velocidade de 1755 rpm com carga máxima. O valor do escorregamento percentual com carga máxima é igual a
Provas
Disciplina: Engenharia Elétrica
Banca: UFAL
Orgão: Pref. Palmeira Índios-AL
As correntes alternadas sobrepostas provocam aquecimento adicional na bateria do No Nobreak e podem produzir sérios danos a ela. Este efeito é chamado de
Provas
Disciplina: Engenharia Elétrica
Banca: UFAL
Orgão: Pref. Palmeira Índios-AL
A figura abaixo mostra um esquema ou símbolo. Diante disso, podemos dizer que, na prática, é/são

Provas
A COPEVE analisou os dados do seu último concurso e verificou que:
I. 1233 candidatos acertaram todas as questões de Lógica;
II. 507 candidatos erraram todas as questões de Conhecimento Específico;
III. 809 candidatos acertaram todas as questões de Lógica e Conhecimento Específico.
A partir destes dados podemos concluir que os candidatos que erraram todas as questões de Lógica e de Conhecimento Específico foram
Provas
Caderno Container