Foram encontradas 564 questões.
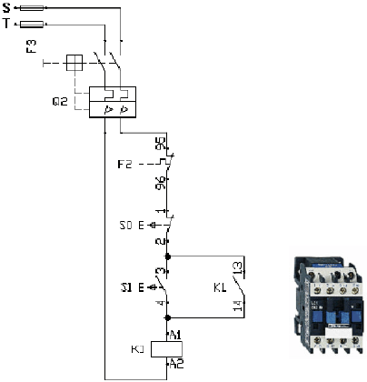
O equipamento mostrado na figura abaixo é um contator, que funciona usando a força magnética produzida por uma bobina. No diagrama mostrado abaixo, o componente que representa a bobina desse contator é

Provas
Questão presente nas seguintes provas
552385
Ano: 2014
Disciplina: Atualidades e Conhecimentos Gerais
Banca: FADESP
Orgão: Pref. Parauapebas-PA
Disciplina: Atualidades e Conhecimentos Gerais
Banca: FADESP
Orgão: Pref. Parauapebas-PA
Provas:
O presidente e os diretores de um grande clube de futebol estrangeiro estão sendo questionados na Justiça de seu país sobre fraude no fisco por ocasião da aquisição e transferência de um jogador brasileiro. Essa afirmação se refere à negociação entre
Provas
Questão presente nas seguintes provas
De acordo com o Ministério da Saúde, a vacinação é a ferramenta mais eficaz para a prevenção de certas doenças infecciosas de possível transmissão no ambiente de trabalho, como a hepatite B, a hepatite A, a varicela, o sarampo, a influenza (gripe), a caxumba, a rubéola, a doença pneumocócica, a doença meningocócica. O profissional poderá se expor às doenças em suas atividades diárias ou em situações específicas de viagem, exposições ocasionais ou situações de surto, e esses fatos devem também ser levados em consideração no PCMSO.
Na definição do programa de vacinação da empresa, esse programa deve levar em consideração o(a, os)
Provas
Questão presente nas seguintes provas
O Projeto de Desenvolvimento implantado na Amazônia a partir da ditadura militar é interpretado pelo I Plano de Desenvolvimento da Amazônia da Nova República como
Provas
Questão presente nas seguintes provas
552240
Ano: 2014
Disciplina: Segurança e Saúde no Trabalho (SST)
Banca: FADESP
Orgão: Pref. Parauapebas-PA
Disciplina: Segurança e Saúde no Trabalho (SST)
Banca: FADESP
Orgão: Pref. Parauapebas-PA
- Saúde e Segurança no Ambiente de TrabalhoRiscos Ocupacionais (Análise e Gerenciamento de Riscos)Mapa de Riscos
O Programa de prevenção de riscos ambientais (PPRA) é um programa de higiene ocupacional e segurança do trabalho que abrange uma série de medidas que visam à preservação da saúde dos trabalhadores por meio do reconhecimento, avaliação e controle de riscos no ambiente de trabalho. De acordo com a classificação dos riscos, padronizadas por meio de cores, é correto afirmar que a cor amarela indica risco do tipo
Provas
Questão presente nas seguintes provas
Os hidrocarbonetos benzeno, tolueno e xileno são considerados os principais componentes da gasolina, usados amplamente como solventes pela indústria química. Sobre os danos à saúde causados pela exposição ocupacional ao BENZENO, é correto afirmar que
Provas
Questão presente nas seguintes provas
547938
Ano: 2014
Disciplina: Atualidades e Conhecimentos Gerais
Banca: FADESP
Orgão: Pref. Parauapebas-PA
Disciplina: Atualidades e Conhecimentos Gerais
Banca: FADESP
Orgão: Pref. Parauapebas-PA
Provas:
A Copa do Mundo de Futebol de 2014, realizada no Brasil, foi resultado de um grande esforço do governo federal e da sociedade brasileira, e, ao final, foi considerada uma das melhores da história. Dentre os fatos ocorridos nesse contexto, destaca-se que
Provas
Questão presente nas seguintes provas
Considere os enunciados abaixo:
I. A teoria dos eventos afetivos demonstra que os trabalhadores reagem emocionalmente a fatos que ocorrem no trabalho e que isso pode afetar seu desempenho.
II. As emoções podem influenciar o desempenho dos funcionários, por isso os empregadores devem levar a inteligência emocional em conta nos processos de seleção.
III. As emoções negativas podem levar a diversos desvios de comportamento, como, por exemplo, falhas na produtividade, roubos e destruição do patrimônio da empresa, ações políticas e agressões pessoais.
Está correto o que se afirma em
Provas
Questão presente nas seguintes provas
547336
Ano: 2014
Disciplina: Segurança e Saúde no Trabalho (SST)
Banca: FADESP
Orgão: Pref. Parauapebas-PA
Disciplina: Segurança e Saúde no Trabalho (SST)
Banca: FADESP
Orgão: Pref. Parauapebas-PA
A Comissão Interna de Prevenção de Acidentes – CIPA – deve ser constituída por estabelecimento e mantida em regular funcionamento nas empresas privadas, públicas, sociedades de economia mista, órgãos da administração direta e indireta, instituições beneficentes, associações recreativas, cooperativas, bem como outras instituições que admitam trabalhadores como empregados. Está entre suas atribuições
Provas
Questão presente nas seguintes provas
Em um salão de uma edificação, há seis tomadas de força que serão alimentadas por circuitos independentes que partirão do quadro de distribuição instalado no mesmo salão. As tomadas possuem as seguintes especificações: duas tomadas de 10A, fase-neutro e terra; duas tomadas de 10A, duas fases e terra; duas tomadas 10 A, três fases e terra. Todos os circuitos serão protegidos por disjuntores termomagnéticos, que serão montados no quadro de distribuição da seguinte forma:
Provas
Questão presente nas seguintes provas
Cadernos
Caderno Container