Foram encontradas 60 questões.
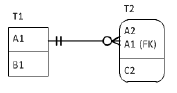
Analise o diagrama IDEF1X (pé de galinha) mostrado a seguir.

Sobre esse diagrama e sua implementação relacional correspondente, assinale a afirmativa correta.
Provas
Analise o comando SQL a seguir.
![]()
Sabendo-se que há quatro registros na instância da tabela T, o número de registros, após a execução desse comando, será
Provas

Sabe-se que 1. não há dois alunos com o mesmo CPF; 2. não há dois alunos com a mesma matrícula; 3. não há dois cursos com o mesmo nome; 4. não há dois cursos com o mesmo código; 5. não há aluno com mais de um curso; 6. há alunos que não têm curso; 7. há cursos que não têm alunos. Para representar esses dados em um banco de dados relacional, Maria preparou vários comandos SQL. Assinale a opção que apresenta aquele que está de acordo com todos os requisitos mencionados acima.
Provas
Analise o comando SQL mostrado a seguir.

Sabendo-se que na tabela Venda há registros que não possuem relacionamento com registros de Produto, e vice-versa, assinale a correta interpretação desse comando em relação aos registros de Produto e Venda que aparecem no resultado.
Provas
Considere uma dependência funcional X → Y que é valida para uma tabela relacional T.
Isso significa que, para qualquer instância de T, e para qualquer par de registros a e b dessa instância,
Provas
- Banco de Dados RelacionalACIDDefinição: ACID
- Banco de Dados RelacionalACIDAtomicidade
- Banco de Dados RelacionalACIDConsistência
- Banco de Dados RelacionalACIDIsolamento
Assinale a opção que apresenta as propriedades usualmente implementadas nos sistemas gerenciadores de bancos de dados.
Provas
No MS SQL Server 2012, índices podem ser criados como “clustered” e “nonclustered”.
Sobre esses tipos de índices, assinale a afirmativa correta.
Provas
Provas
Assinale a ação que não é permitida a Maria.
Provas

Os resultados das fórmulas =E(A2>A3; A2<A4),=OU(A2>A3; A2<A4) e =NÃO(A2+A3=24) são, respectivamente,
Provas
Caderno Container