Foram encontradas 969 questões.
Disciplina: Segurança e Saúde no Trabalho (SST)
Banca: UPENET/IAUPE
Orgão: Pref. Petrolina-PE
Um operador mantenedor de subestação (SE) de 230 kV da rede básica do Sistema Interligado Nacional (SIN), por definição do regimento interno da sua empresa, trabalha em horário administrativo e, fora do horário administrativo, recebe adicional pecuniário de sobreaviso para compensar financeiramente a sua disponibilidade em atender qualquer demanda operacional relacionada à SE. O referido operador mantenedor é acionado às 02h:45 a comparecer à SE para realizar, sob orientação repassada pelo operador encarregado, seu superior imediato, diretamente da sala de comando, uma manobra de abertura de chave seccionadora de linha de transmissão (LT) diretamente de seu mecanismo local situado no pátio da SE, pois os comandos remotos, por sistema supervisório e por botoeira de painel, falharam.
Provocado pelo caso descrito nesta questão, no contexto da norma NR-10 vigente, referente ao trabalho envolvendo alta tensão, avalie as afirmações a seguir:
I. Todo operador mantenedor de instalação elétrica de alta tensão deve, por exigência da NR-10, paralelamente ao curso básico, frequentar curso específico sobre segurança e proteção em trabalhos com circuitos elétricos energizados integrantes do Sistema Elétrico de Potência.
II. Esse operador mantenedor viola orientação da NR-10 vigente, pois, de acordo com o texto dessa norma regulamentadora, é vedado trabalhar desacompanhando em atividades executadas diretamente nos Sistemas Elétricos de Potência.
III. Independentemente do grau de urgência da intervenção de manutenção, todo trabalho em instalações elétricas energizadas em alta tensão que interajam com o Sistema Elétrico de Potência somente pode ser realizado mediante ordem de serviço específica para data e local, assinada por superior responsável pela área.
IV. Ao intervir na chave seccionadora em questão, a equipe responsável pela execução (operador mantenedor e operador encarregado) deve, além de realizar as ações gerais previstas na NR-10, garantir o bloqueio de qualquer religamento automático da LT.
Está CORRETO o que se afirma, apenas, em
Provas
Disciplina: Engenharia Elétrica
Banca: UPENET/IAUPE
Orgão: Pref. Petrolina-PE
- Transformadores e Máquinas ElétricasPrincípios BásicosControle Eletrônico de Máquinas Elétricas
- Transformadores e Máquinas ElétricasMáquinas AssíncronasPartida e Controle de velocidade
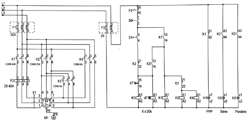
Referente ao diagnóstico de defeito no diagrama de comando de uma chave de partida série-paralela para motores de indução trifásicos,

Fonte: NASCIMENTO, G., Comandos Elétricos – Teoria e Atividades, Ed 1, Editora Érica, São Paulo, 2012 (com adaptações).
analise as afirmações abaixo:
I. Se o contato auxiliar 13-14 de K3 não fechar, o contactor K1 não será energizado e o motor não partirá.
II. A chave de partida em questão permanecerá indefinidamente, no segundo estágio, caso o contato 15-16 do relé temporizado dT1, por mau funcionamento, recusar a abrir, isso porque K3 não será desenergizado.
III. Se o contato auxiliar 21-22 de K3 permanecer indefinidamente aberto, K2 e K4 nunca serão energizados, e o motor parará quando a chave de partida efetuar a passagem para a condição de regime permanente.
É CORRETO o que se afirma em
Provas
Disciplina: Engenharia Elétrica
Banca: UPENET/IAUPE
Orgão: Pref. Petrolina-PE
Referente ao trecho de diagrama unifilar de instalação elétrica predial apresentado na figura abaixo, assinale a alternativa CORRETA.

Provas
Disciplina: Engenharia Elétrica
Banca: UPENET/IAUPE
Orgão: Pref. Petrolina-PE
Uma subestação industrial exclusivamente consumidora, apresentada na figura abaixo, dispõe de dois transformadores abaixadores idênticos, disjuntores IGMT (disjuntor geral), IMT1, IMT2, IBT1, IBT2, CBT (disjuntor de paralelismo), L1, L2, L3, L4, L5 e L6 e proteções de sobrecorrente de fase temporizadas não direcionais associadas a esses disjuntores.

Considerando as situações de curtos-circuitos não simultâneos nas posições de G1 a G4, indicadas na figura e, supondo que todos os disjuntores no instante pré-defeito de cada situação, exceto CBT, estejam fechados, analise as afirmações a seguir:
I. Quando da ocorrência de curto-circuito em G1, com CBT fechado, a corrente monitorada pelo relé de L1 deve ser inferior à corrente monitorada pelo mesmo relé, quando CBT operar aberto e o mesmo defeito acontecer em G1.
II. Quando da ocorrência de curto-circuito em G2, a corrente monitorada pelo relé de IBT1 não sofre alteração em sua magnitude, seja quando CBT operar aberto seja fechado.
III. Supondo CBT aberto, quando da ocorrência de curto-circuito em G4, o relé associado a IMT1 deve atuar mais rapidamente que o relé associado a disjuntor geral (IGMT).
IV. Quando da ocorrência de curto-circuito em G3, é importante que o relé associado a IMT1 atue com rapidez adequada à curva de suportabilidade do transformador a correntes de curto-circuito passantes.
Estão CORRETAS
Provas
Disciplina: Engenharia Elétrica
Banca: UPENET/IAUPE
Orgão: Pref. Petrolina-PE
Um método possível para o aterramento de equipamentos eletrônicos sensíveis é o aterramento com malha de terra de referência (MTR). O aterramento com MTR consiste no emprego de uma malha de terra construída fundamentada na teoria de condução de sinais de alta frequência em cabos condutores de cobre. A aplicação desse método passa por espaçar seus condutores com distância tal que esta opere como um caminho de baixa impedância para sinais de ruído com faixa de frequência acima da industrial até cerca de 60 MHz. Referente ao método de aterramento, assinale a alternativa CORRETA.
Provas
Disciplina: Engenharia Elétrica
Banca: UPENET/IAUPE
Orgão: Pref. Petrolina-PE
Associe os dispositivos de manobra e proteção, típicos dos circuitos de força e comando dos alimentadores motores, listados na coluna esquerda, às características elencadas na coluna direita.

Assinale a alternativa que contém a sequência CORRETA.
Provas
Disciplina: Engenharia Elétrica
Banca: UPENET/IAUPE
Orgão: Pref. Petrolina-PE
- Medidas ElétricasTransformadores para instrumentos, Transformador de potencial e Transformador de corrente
Um alimentador trifásico radial de média tensão com corrente nominal de 400 A é protegido por relés digitais de sobrecorrente de fase, cujas correntes são monitoradas por transformadores de corrente (TC) monofásicos conectados à fase. Cada TC possui classe de exatidão ANSI 10H200 e relação de transformação de corrente (RTC) de 1.000/5 A, definida com base na máxima corrente de curto-circuito entre fases levantada para o circuito protegido, 19.500 A. Considerando desprezível a impedância de entrada dos relés digitais, assinale a alternativa que mais se aproxima numericamente da máxima impedância que a fiação secundária pode representar, sem que leve os TCs à saturação.
Provas
Disciplina: Engenharia Elétrica
Banca: UPENET/IAUPE
Orgão: Pref. Petrolina-PE
Referente ao emprego de capacitores para a correção local do fator de potência em instalações industriais, assinale a alternativa que apresenta uma estimativa numérica para a perda de capacidade de correção do fator de potência de um banco trifásico de capacitores submetido a um afundamento de 1% na tensão em seu ponto de conexão.
Provas
Disciplina: Engenharia Elétrica
Banca: UPENET/IAUPE
Orgão: Pref. Petrolina-PE
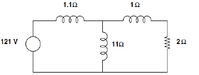
- Transformadores e Máquinas ElétricasPrincípios BásicosCircuitos equivalentes e circuitos magnéticos
- Transformadores e Máquinas ElétricasPrincípios BásicosEnsaios de máquinas e transformadores
O circuito equivalente monofásico da figura da questão representa a condição de ensaio de rotor bloqueado de um motor de indução trifásico (MIT). Esse MIT foi construído especialmente para operação em rede elétrica trifásica de V rms 121√3 V rms sob frequência industrial de 110 rad/s e possui quatro polos. Considerando que a máquina é ensaiada sob as mesmas condições elétricas para as quais foi construída, assinale a alternativa que aproxima numericamente o valor do torque em N ⋅ m.

Provas
Disciplina: Engenharia Elétrica
Banca: UPENET/IAUPE
Orgão: Pref. Petrolina-PE
- Transformadores e Máquinas ElétricasPrincípios BásicosControle Eletrônico de Máquinas Elétricas
- Transformadores e Máquinas ElétricasMáquinas AssíncronasPartida e Controle de velocidade
Com relação às técnicas de acionamento de motores de indução trifásicos por inversores de frequência, assinale a alternativa CORRETA.
Provas
Caderno Container