Foram encontradas 534 questões.
A figura abaixo mostra três resistores de carga conectados em uma alimentação trifásica.

Assinale a alternativa correta.
Provas
Eletrodutos são peças fundamentais em uma instalação elétrica.
Analise as afirmativas abaixo com relação a estes componentes.
- Os eletrodutos têm por finalidade proteger os condutores contra ações mecânicas e contra corrosão.
- Os eletrodutos protegem o ambiente contra perigos de incêndio, provenientes do superaquecimento ou da formação de arcos por curto-circuito.
- Os eletrodutos devem ser de materiais isolantes, portanto, não podem ser metálicos.
Assinale a alternativa que indica todas as afirmativas corretas.
Provas
O relé fotocélula é muito utilizado para que as lâmpadas sejam ligadas somente quando o ambiente está com baixa iluminação. Considere o sistema em que o relé fotocélula controla duas lâmpadas.
A ligação do sistema é mostrada na figura abaixo, assim como o esquema unifilar

A fiação dos eletrodutos 1 e 2 foram omitidas.
Assinale a alternativa que apresenta a fiação necessária para o correto funcionamento em cada eletroduto.
Provas
Contatores são dispositivos que permitem o acionamento de cargas que exigem elevadas correntes, como motores trifásicos e resistências industriais, por exemplo.
Analise as afirmativas abaixo com relação aos contatores em condições normais de operação.
- São dispositivos eletromecânicos que permitem o comando de um circuito a distância.
- São chaves de operação somente manual.
- São como semicondutores, podem controlar o nível de corrente da aplicação.
- Possuem contatos auxiliares para comando, sinalização e outras funções.
Assinale a alternativa que indica todas as afirmativas corretas.
Provas
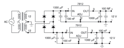
O circuito abaixo mostra uma fonte de alimentação regulada muito utilizada em sistemas eletrônicos.

Fonte: Balbinot, Alexandre / Instrumentação e Fundamentos de Medidas Vol.1.
Assinale a alternativa correta com relação a esta fonte de alimentação.
Provas
Na figura abaixo são mostrados os terminais de ligação de um contator.

Assinale a alternativa com a correta nomenclatura dos terminais 1, 2 e 3, respectivamente.
Provas
Assinale a alternativa que descreve atitude prejudicial ao ambiente de trabalho harmonioso e produtivo.
Provas
O serviço que deve ser realizado para a limpeza de locais onde o mato ou o capim estão altos, é o de:
Provas
Analise a frase abaixo:
Para que as tintas que forem aplicadas sobre superfícies com massa desenvolvam , é essencial que, após o lixamento, remova-se completamente a poeira residual com um pano levemente umedecido com água.
Assinale a alternativa que completa corretamente a lacuna do texto.
Provas
A superfície da madeira deve ser devidamente lixada, o pó resultante do lixamento removido com pano umedecido com água e a superfície deve estar seca antes de iniciar o processo de:
Provas
Caderno Container