Foram encontradas 485 questões.
Disciplina: Engenharia Mecânica
Banca: FUNDATEC
Orgão: Pref. Porto Alegre-RS
Em se tratando de tratamento termoquímicos, para endurecimento superficial dos aços, a temperatura do tratamento da cementação está acima da zona crítica, especificamente entre:
Provas
Disciplina: Engenharia Elétrica
Banca: FUNDATEC
Orgão: Pref. Porto Alegre-RS
Determine a provável demanda para um apartamento que apresenta as potências nominas conforme apresentado abaixo. Considere a tabela a seguir para o cálculo do fator de demanda.
- Iluminação: 2KVA.
- Tomadas de uso geral: 3,5KVA.
- Tomadas para uso específico 22KW (FP = 1).

Provas
Disciplina: Engenharia Elétrica
Banca: FUNDATEC
Orgão: Pref. Porto Alegre-RS
Determine o número de condutores de descida, conforme NBR 5419, para o projeto de SPDA, do para-raio Franklin, a fim de atender uma residência que requer nível de proteção II.

Provas
Disciplina: Engenharia Elétrica
Banca: FUNDATEC
Orgão: Pref. Porto Alegre-RS
A Norma Brasileira NBR5444 prevê uma série de símbolos para quadros de distribuição em instalação elétrica para diagramas unifilares. Com base na tabela abaixo, selecione a alternativa que apresenta, respectivamente, os símbolos que representam os seguintes termos:
- Quadro Geral de luz e força embutido.
- Quadro terminal de luz e força embutido.
- Caixa de telefone.

Provas
Disciplina: Engenharia Elétrica
Banca: FUNDATEC
Orgão: Pref. Porto Alegre-RS
Determine o número mínimo de lâmpadas necessárias para um ambiente classe B, representado na figura abaixo, que requer 300 lux pelo método dos lumens e apresenta pé direito de 2,7 m e as lâmpadas ficarão no teto. Para o projeto, será adotada uma lâmpada TLD 16W que possui 1200 lm. Considere da reflexão do teto de 70%, parede de 50% e piso 10%. O ambiente é sujo e será usado fator de depreciação de 0,57.

Provas
Disciplina: Engenharia Elétrica
Banca: FUNDATEC
Orgão: Pref. Porto Alegre-RS
Com base no esquema de ligação de aterramento da figura a seguir, assinale a alternativa que descreve o sistema de aterramento adotado.

Provas
Disciplina: Engenharia Elétrica
Banca: FUNDATEC
Orgão: Pref. Porto Alegre-RS
Um engenheiro necessitava de um voltímetro com melhor resolução para a leitura de tensão; portanto, ele alterou as resistências internas para que o voltímetro que tinha fundo de escala em 450V ficasse com 240V. Qual a leitura de tensão feita pelo engenheiro com o voltímetro da figura abaixo, que está com a escala alterada?

Provas
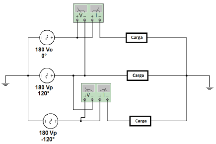
Disciplina: Engenharia Elétrica
Banca: FUNDATEC
Orgão: Pref. Porto Alegre-RS
Em um sistema trifásico equilibrado, representado abaixo, foram conectadas três cargas resistivas iguais em cada uma das fases. O sistema permaneceu ligado ao longo do dia por 8 horas, durante 10 dias. Um medidor de energia registrou um consumo de 38,9 KWh. Determine a leitura da potência dos wattímetros.

Provas
Disciplina: Engenharia Elétrica
Banca: FUNDATEC
Orgão: Pref. Porto Alegre-RS
Analisando o sinal senoidal na tela do osciloscópio da figura abaixo e sabendo que o equipamento está configurado para escala de amplitude de 10 V/Div e para a escala de tempo com 100μs/Div, determine os valores de tensão RMS e frequência do sinal, respectivamente. Considere o valor inteiro sem casas decimais.

Provas
Disciplina: Engenharia Elétrica
Banca: FUNDATEC
Orgão: Pref. Porto Alegre-RS
Determine a corrente fornecida pelo circuito abaixo na forma retangular, sem casas decimais, considerando as unidades no Sistema Internacional.

Provas
Caderno Container