Foram encontradas 2.633 questões.
Disciplina: Engenharia Elétrica
Banca: CESPE / CEBRASPE
Orgão: Pref. Rio Branco-AC

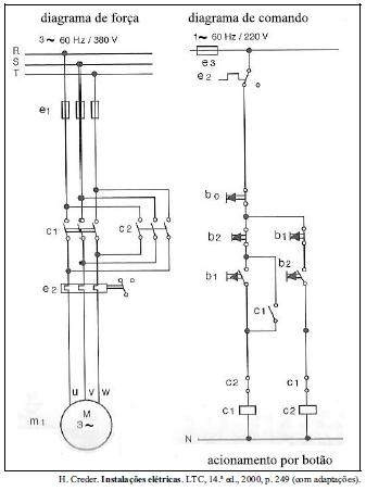
Considerando que os circuitos de comando e de força mostrados na figura acima tenham sido projetados com o intuito de acionar manualmente o motor de indução trifásico para um sentido ou outro, julgue os itens seguintes.
O circuito de força do motor é alimentado por tensão de linha cujo valor é igual a 380 V, e o circuito de controle, por tensão fase-neutro igual a 220 V.
Provas
Disciplina: Engenharia Elétrica
Banca: CESPE / CEBRASPE
Orgão: Pref. Rio Branco-AC

Considerando que os circuitos de comando e de força mostrados na figura acima tenham sido projetados com o intuito de acionar manualmente o motor de indução trifásico para um sentido ou outro, julgue os itens seguintes.
Considere-se que o motor esteja girando com velocidade nominal. Nessa situação, pressionando-se o botão b1 que está na posição normalmente fechada, o motor pára.
Provas
Disciplina: Engenharia Elétrica
Banca: CESPE / CEBRASPE
Orgão: Pref. Rio Branco-AC

Considerando que os circuitos de comando e de força mostrados na figura acima tenham sido projetados com o intuito de acionar manualmente o motor de indução trifásico para um sentido ou outro, julgue os itens seguintes.
Caso o motor esteja girando em regime permanente, então o seu acionamento não pode ter sido efetuado energizando-se a bobina c2.
Provas
Disciplina: Engenharia Elétrica
Banca: CESPE / CEBRASPE
Orgão: Pref. Rio Branco-AC

Considerando que os circuitos de comando e de força mostrados na figura acima tenham sido projetados com o intuito de acionar manualmente o motor de indução trifásico para um sentido ou outro, julgue os itens seguintes.
Ao se pressionar o botão b1 que está na posição normalmente aberta no circuito, o motor começa a girar em determinado sentido até atingir velocidade de regime permanente, permanecendo nesse estado se nenhuma anormalidade ocorrer ou se nenhum outro botão for pressionado.
Provas
Disciplina: Engenharia Elétrica
Banca: CESPE / CEBRASPE
Orgão: Pref. Rio Branco-AC
Acerca da especificação de equipamentos elétricos em sistemas de potência, julgue os itens a seguir.
No pedido de um disjuntor de potência de alta tensão, deve constar a sua tensão nominal.
Provas
Disciplina: Engenharia Eletrônica
Banca: CESPE / CEBRASPE
Orgão: Pref. Rio Branco-AC
Acerca da especificação de equipamentos elétricos em sistemas de potência, julgue os itens a seguir.
Na especificação do transformador de potência trifásico, é necessário informar o tipo de ligação de cada enrolamento (estrela ou triângulo).
Provas
Disciplina: Engenharia Eletrônica
Banca: CESPE / CEBRASPE
Orgão: Pref. Rio Branco-AC
Considerando que a operação em sobrecarga de alguns equipamentos pode comprometer a adequada operação do sistema de energia elétrica como um todo, julgue os itens subseqüentes.
Um transformador de potência pode operar em sobrecarga de 2% por determinado intervalo de tempo finito.
Provas
Disciplina: Engenharia Elétrica
Banca: CESPE / CEBRASPE
Orgão: Pref. Rio Branco-AC
Considerando que a operação em sobrecarga de alguns equipamentos pode comprometer a adequada operação do sistema de energia elétrica como um todo, julgue os itens subseqüentes.
A sobrecarga em um sistema de transmissão fica caracterizada quando, no sistema, o equipamento avaliado opera acima de 50% da sua capacidade nominal.
Provas
Disciplina: Engenharia Elétrica
Banca: CESPE / CEBRASPE
Orgão: Pref. Rio Branco-AC
Considerando que, nos sistemas de transmissão e distribuição de energia elétrica em CA, encontram-se os mais diversos tipos de carga, julgue os próximos itens, acerca de equipamentos elétricos e cargas elétricas.
Provas
Disciplina: Engenharia Elétrica
Banca: CESPE / CEBRASPE
Orgão: Pref. Rio Branco-AC
Considerando que, nos sistemas de transmissão e distribuição de energia elétrica em CA, encontram-se os mais diversos tipos de carga, julgue os próximos itens, acerca de equipamentos elétricos e cargas elétricas.
Para que duas linhas de transmissão trifásica sejam conectadas em paralelo, é necessário que elas tenham os mesmos parâmetros elétricos (resistência, indutância e capacitância).
Provas
Caderno Container