Foram encontradas 50 questões.
748009
Ano: 2019
Disciplina: Segurança e Saúde no Trabalho (SST)
Banca: FCC
Orgão: Pref. São José Rio Preto-SP
Disciplina: Segurança e Saúde no Trabalho (SST)
Banca: FCC
Orgão: Pref. São José Rio Preto-SP
Provas:
De acordo com a NR-35, há um documento que, além dos riscos inerentes ao trabalho em altura, considera, entre outros fatores, o local em que os serviços serão executados e seu entorno; o isolamento e a sinalização no entorno da área de trabalho; o estabelecimento dos sistemas e pontos de ancoragem e o risco de queda de materiais e ferramentas. O referido documento denomina-se
Provas
Questão presente nas seguintes provas
748008
Ano: 2019
Disciplina: Segurança e Saúde no Trabalho (SST)
Banca: FCC
Orgão: Pref. São José Rio Preto-SP
Disciplina: Segurança e Saúde no Trabalho (SST)
Banca: FCC
Orgão: Pref. São José Rio Preto-SP
Provas:
De acordo com a NR-35, que estabelece os requisitos mínimos e as medidas de proteção para o trabalho em altura, dentre as responsabilidades do empregador, EXCLUI-SE:
Provas
Questão presente nas seguintes provas
747261
Ano: 2019
Disciplina: Comunicação Social
Banca: FCC
Orgão: Pref. São José Rio Preto-SP
Disciplina: Comunicação Social
Banca: FCC
Orgão: Pref. São José Rio Preto-SP
Provas:
- Linguagens e Suportes MidiáticosEquipamentos e AcessóriosAmplificadores, Crossovers e Caixa Acústica
Sobre tipos de Crossover (HPF/LPF), é correto afirmar:
Provas
Questão presente nas seguintes provas
747259
Ano: 2019
Disciplina: Comunicação Social
Banca: FCC
Orgão: Pref. São José Rio Preto-SP
Disciplina: Comunicação Social
Banca: FCC
Orgão: Pref. São José Rio Preto-SP
Provas:
Microfonia ocorre se há realimentação de áudio, quando um microfone capta o som para um dispositivo que emite áudio do próprio microfone. Para evitar que esse fenômeno ocorra são indicados:
Provas
Questão presente nas seguintes provas
747257
Ano: 2019
Disciplina: Comunicação Social
Banca: FCC
Orgão: Pref. São José Rio Preto-SP
Disciplina: Comunicação Social
Banca: FCC
Orgão: Pref. São José Rio Preto-SP
Provas:
Considere:
I. Faixa de áudio inferior, normalmente considerada como sendo abaixo de 500 hz. II. Unidade de medição de frequência, também conhecida como ciclos por segundo. III. A diferença percebida pelo ouvido humano entre trechos mais altos e mais baixos de uma passagem musical. É medida em decibel. IV. Diafragma ou medição do movimento de um cone de alto-falante.
Os conceitos I a IV estão correlacionados, respectivamente, a
I. Faixa de áudio inferior, normalmente considerada como sendo abaixo de 500 hz. II. Unidade de medição de frequência, também conhecida como ciclos por segundo. III. A diferença percebida pelo ouvido humano entre trechos mais altos e mais baixos de uma passagem musical. É medida em decibel. IV. Diafragma ou medição do movimento de um cone de alto-falante.
Os conceitos I a IV estão correlacionados, respectivamente, a
Provas
Questão presente nas seguintes provas
747255
Ano: 2019
Disciplina: Comunicação Social
Banca: FCC
Orgão: Pref. São José Rio Preto-SP
Disciplina: Comunicação Social
Banca: FCC
Orgão: Pref. São José Rio Preto-SP
Provas:
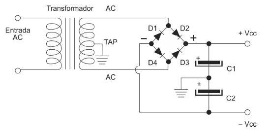
Considere o circuito:

Trata-se de
Provas
Questão presente nas seguintes provas
747254
Ano: 2019
Disciplina: Comunicação Social
Banca: FCC
Orgão: Pref. São José Rio Preto-SP
Disciplina: Comunicação Social
Banca: FCC
Orgão: Pref. São José Rio Preto-SP
Provas:
Instruções: Para responder a questão, considere as informações a seguir:
No programa Sound Forge, uma das janelas tem o seguinte aspecto:

Provas
Questão presente nas seguintes provas
747253
Ano: 2019
Disciplina: Comunicação Social
Banca: FCC
Orgão: Pref. São José Rio Preto-SP
Disciplina: Comunicação Social
Banca: FCC
Orgão: Pref. São José Rio Preto-SP
Provas:
Instruções: Para responder a questão, considere as informações a seguir:
No programa Sound Forge, uma das janelas tem o seguinte aspecto:

Provas
Questão presente nas seguintes provas
747252
Ano: 2019
Disciplina: Comunicação Social
Banca: FCC
Orgão: Pref. São José Rio Preto-SP
Disciplina: Comunicação Social
Banca: FCC
Orgão: Pref. São José Rio Preto-SP
Provas:
Instruções: Para responder a questão, considere as informações a seguir:
No programa Sound Forge, uma das janelas tem o seguinte aspecto:

Provas
Questão presente nas seguintes provas
747251
Ano: 2019
Disciplina: Comunicação Social
Banca: FCC
Orgão: Pref. São José Rio Preto-SP
Disciplina: Comunicação Social
Banca: FCC
Orgão: Pref. São José Rio Preto-SP
Provas:
O dispositivo abaixo é um LED com seus terminais em tamanho natural:

Em uma mesa de som há um LED danificado. Para substituí-lo corretamente por um novo, como o mostrado na figura, é necessário verificar sua polarização. Neste tipo de LED, o terminal menor é
Provas
Questão presente nas seguintes provas
Cadernos
Caderno Container