Foram encontradas 450 questões.
A articulação coxofemoral é esférica formada pela cabeça do fêmur e pelo acetábulo. A superfície articular da cabeça do fêmur forma cerca de dois terços de uma esfera cheia, enquanto a superfície articular do acetábulo tem a forma de uma ferradura, com área inferior não articular.
Com base no enunciado, marque o elemento que pode ser lesado nas luxações coxofemorais posteriores.
Provas
A PNH respeita seus Princípios, informando: "A Política Nacional de Humanização deve se fazer presente e estar inserida em todas as políticas e programas do SUS. A PNH busca transformar as relações de trabalho a partir da ampliação do grau de contato e da comunicação entre as pessoas e grupos, tirando-os do isolamento e das relações de poder hierarquizadas. Trata-se, portanto, de reconhecer que as diferentes especialidades e práticas de saúde podem conversar com a experiência daquele que é assistido. Juntos, esses saberes podem produzir saúde de forma mais corresponsável".
O teor informativo enunciado identifica o Princípio conhecido por:
Provas
A Portaria nº 793, de 24 de abril de 2012, institui a Rede de Cuidados à Pessoa com Deficiência por meio da criação, ampliação e articulação de pontos de atenção à saúde para pessoas com deficiência temporária ou permanente; progressiva, regressiva, ou estável; intermitente ou contínua, no âmbito do Sistema Único de Saúde.
Marque o inciso que não está coerente com o caput do Art. 3º São objetivos gerais da Rede de Cuidados à Pessoa com Deficiência:
Provas
As funções do sistema nervoso baseiam-se na atividade coordenada de dezenas de bilhões de neurônios, mediando desde funções primitivas, como reações reflexas a estímulos simples do ambiente, até a complexa percepção do meio externo, mecanismos de atenção e o controle de movimentos delicados e precisos. Os neurônios dispõem-se em cadeias celulares de transmissão e processamento de informações. (...)
Sobre a estrutura dos "Sinais elétricos no sistema nervoso", marque a alternativa INCORRETA.
Provas
As modalidades específicas de calor terapêutico podem ser divididas corretamente em duas classes de agentes de aquecimento: superficiais e profundas. A maioria dos agentes de aquecimento superficial transfere sua energia ao corpo, da mesma maneira como o fazem as modalidades de frio terapêutico, por condução. A energia na forma de calor é aplicada externamente ao corpo. (...)
Sobre o conteúdo enunciado, marque a alternativa INCORRETA.
Provas
A crioterapia reduz a quantidade de atividade nervosa sensorial e, consequentemente, a atividade nervosa motora resultante que desencadeia e mantém o espasmo. Entretanto, parece entrar em ação também um mecanismo mais complexo de redução do espasmo que envolve os reflexos. Essa teoria reflexa se baseia em:
I.Redução das respostas reflexas logo após a aplicação da crioterapia.
II.Relação entre esfriamento cutâneo e redução dos reflexos tônicos de estiramento.
III.Redução na atividade dos fusos musculares durante o alongamento antes da estimulação simpática.
Estão CORRETOS:
Provas
Disciplina: Engenharia Elétrica
Banca: AMEOSC
Orgão: Pref. São Miguel Oeste-SC
Pedro foi dimensionar um sistema solar que utiliza uma bomba d'água em um projeto de irrigação, suponha que o consumo diário seja de 9000 kwh, a altura considerando as perdas nas tubulação é de 10 metros, col vazão de 5 mil litros/hora, a irradiação média anual seja de 6 kwh/m², potência ativa da bomba é de 3 kw e seu rendimento de 75%, tanque de 15 mil litros, a potência do sistema para suportar a bomba deverá ser no mínimo de:
Provas
Disciplina: Engenharia Elétrica
Banca: AMEOSC
Orgão: Pref. São Miguel Oeste-SC
Sobre o BDI (benefícios e despesas indiretas) é CORRETO afirmar que:
Provas
Disciplina: Engenharia Elétrica
Banca: AMEOSC
Orgão: Pref. São Miguel Oeste-SC
Sobre os conceitos básicos em manobras de motores, é imprescindível conhecer alguns elementos básicos de comandos e suas finalidades. O intertravamento, é basicamente:
Provas
Disciplina: Engenharia Eletrônica
Banca: AMEOSC
Orgão: Pref. São Miguel Oeste-SC
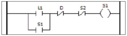
A figura, a seguir, mostra um Diagrama Ladder:

A função lógica correspondente ao diagrama é dada por:
Provas
Caderno Container