Foram encontradas 60 questões.
A figura 1 mostra o diagrama vetorial e a figura 2, o diagrama de deslocamentos de um sistema vibratório não amortecido com a aplicação de uma força constante.Retirada a força, a posição de equilíbrio passa a ser o ponto O. Se a força for

retirada no ponto X a amplitude dobrará e, se retirada no ponto Y, a amplitude será nula. Não haverá mudança na amplitude se a força for retirada no ponto
Provas
Disciplina: Segurança e Saúde no Trabalho (SST)
Banca: FCC
Orgão: Pref. São Paulo-SP
- Saúde e Segurança no Ambiente de TrabalhoSegurança do Trabalho e Prevenção de InfortúniosIncêndioEquipamentos de Detecção e Combate a Incêndios
A espuma mecânica, amplamente aplicada para combate em incêndio, apresenta maior eficácia no combate de fogo em
Provas
Na predição da vida útil dos rolamentos, um dos métodos mais utilizados na indústria consiste na medição do nível global RMS. Nessa técnica,
Provas
A figura representa uma PSV (válvula de segurança) de alto curso.

Nesse tipo de válvula, ajustando-se o anel diferencial à posição mais alta, tem-se
Provas
A esteira montada em um tambor, acionada por um sistema de transmissão por correias, conforme figura abaixo, apresenta uma velocidade periférica de 0,2 m/s.

Para atender o processo, essa velocidade deverá ser alterada para 0,25 m/s. Nesse caso, deve-se reduzir em 25%
Provas
Observe o sistema de transmissão representado abaixo.

Sendo MT, o torque, z, o número de dentes e desprezando- se as perdas, o torque do eixo III pode ser dado pela expressão:
Provas
No diagrama abaixo ΔL1 representa a deformação de um parafuso tracionado pela força de aperto FI, enquanto ΔL2 representa a deformação da peça comprimida com a mesma força.

Após o aperto do parafuso, esforços externos aumentam a carga de tração para FII
Provas

A obtenção do arco de raio de 84mm, em destaque na figura, no software do Autocad, é possível através do comando
Provas
Para o controle da dureza superficial a ser feito, deverá se optar pelo ensaio
Provas
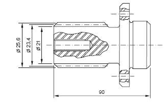
Atenção: Considere os dados abaixo para responder às questões de números 41 e 42.
O eixo estriado, representado na figura abaixo, deverá ser submetido a um processo de tratamento superficial de cementação.

Dada as propriedades mecânicas exigidas para o eixo, foi solicitado Aço-Cr-Mo com 0,4% C na liga. De acordo com a Norma ABNT, deverá ser empregado o aço ABNT
Provas
Caderno Container