Foram encontradas 50 questões.
NÁUFRAGOS DA MODERNIDADE LÍQUIDA
Qual o próximo centro financeiro? Nos séculos XIII e XIV, foi Bruges, com o advento do mercantilismo; nos séculos XIV a XVI, Veneza, com suas corporações marítimas e a conquista do Oriente; no século XVI, Antuérpia, graças à revolução gráfica de Gutenberg.
Em fins do século XVI e início do XVII, foi Gênova, verdadeiro paraíso fiscal; nos séculos XVIII e XIX, Londres, devido à máquina a vapor e à Revolução Industrial; na primeira metade do século XX, Nova York, com o uso da energia elétrica; na segunda, Los Angeles, com o Vale do Silício. Qual será o próximo?
Tudo indica que o poderio econômico dos EUA tende a encolher, suas empresas perdem mercados para a China, a crise ecológica afeta sua qualidade de vida. Caminhamos para um mundo policêntrico, com múltiplos centros regionais de poder.
A agricultura se industrializa, a urbanização invade a zona rural, o tempo é mercantilizado. Há o risco de, no futuro, todos os serviços serem pagos: educação, saúde, segurança e lazer.
Torna-se difícil distinguir entre trabalho, consumo, transporte, lazer e estudo. A vida urbana comprime multidões e, paradoxalmente, induz a solidão. O salário se gasta predominantemente em compra de serviços: educação, saúde, transporte e segurança.
Antes de 2030, todos se conectarão a todas as redes de informação por infraestruturas de alta fluidez, móveis e fixas, do tipo Google. A nanotecnologia produzirá computadores cada vez menores e portáteis. Multiplicar-se-ão os robôs domésticos.
O mundo envelhece. As cidades crescem. Se, de um lado, escasseiam bens insubstituíveis, de outro, produzem-se tecnologias que facilitam a redução do consumo de energia, o tratamento do lixo, o replanejamento das cidades e dos transportes.
O tempo se torna a única verdadeira raridade. Gasta-se menos tempo para produzir e mais para consumir. Assim, o tempo que um computador requer para ser confeccionado não se compara com aquele que o usuário dedicará para usá-lo.
Os produtos postos no mercado são “cronófagos”, isto é, devoram o tempo das pessoas. Basta observar como se usa o telefone celular. Objeto de multiuso, cada vez mais ele se impõe como sujeito com o poder de absorver o nosso tempo, a nossa atenção, até mesmo a nossa devoção.
Ainda que cercados de pessoas, ao desligar o celular nos sentimos exilados em uma ilha virtual. Do outro lado da janelinha eletrônica, o capital investido nas operadoras agradece tão veloz retorno...
Náufragos da modernidade líquida, há uma luta a se travar no que se refere à subjetividade: deixar-se devorar pelas garras do polvo tecnológico, que nos cerca por todos os lados, ou ousar exercer domínio sobre o tempo pessoal e reservar algumas horas à meditação, ao estudo, às amizades e à ociosidade amorosa. Há que decidir!
Frei Betto (http://domtotal.com/blog/)
A pergunta “Qual o próximo centro financeiro?” sugere a antecipação da seguinte ideia:
Provas
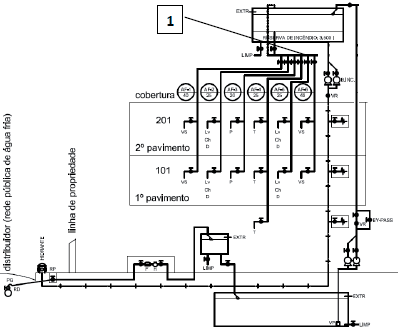
A figura abaixo apresenta o diagrama vertical da instalação de água fria de uma edificação.

Sobre essa instalação, responda à questão.
A tubulação horizontal indicada pelo número 1 é conhecida como:
Provas
Observe as especificações a seguir, referentes a um bloco de construção em concreto armado:
Dimensões: 4 m (comprimento) x 3 m (largura) x 2 m (altura)
Taxa de armação: 0,10kg/m3 de concreto
Formas de madeira: apenas laterais
Sabendo-se que o concreto custa R$ 300,00/m3, o aço custa R$ 5,00/kg e as formas de madeira custam R$ 40,00/m2, o orçamento para a realização desse bloco, levando em consideração apenas esses três materiais, vale:
Provas
Em uma esquadria de janela, a peça que tem a finalidade de permitir a entrada de ventilação e obstruir a entrada de luz é o/a:
Provas
NÁUFRAGOS DA MODERNIDADE LÍQUIDA
Qual o próximo centro financeiro? Nos séculos XIII e XIV, foi Bruges, com o advento do mercantilismo; nos séculos XIV a XVI, Veneza, com suas corporações marítimas e a conquista do Oriente; no século XVI, Antuérpia, graças à revolução gráfica de Gutenberg.
Em fins do século XVI e início do XVII, foi Gênova, verdadeiro paraíso fiscal; nos séculos XVIII e XIX, Londres, devido à máquina a vapor e à Revolução Industrial; na primeira metade do século XX, Nova York, com o uso da energia elétrica; na segunda, Los Angeles, com o Vale do Silício. Qual será o próximo?
Tudo indica que o poderio econômico dos EUA tende a encolher, suas empresas perdem mercados para a China, a crise ecológica afeta sua qualidade de vida. Caminhamos para um mundo policêntrico, com múltiplos centros regionais de poder.
A agricultura se industrializa, a urbanização invade a zona rural, o tempo é mercantilizado. Há o risco de, no futuro, todos os serviços serem pagos: educação, saúde, segurança e lazer.
Torna-se difícil distinguir entre trabalho, consumo, transporte, lazer e estudo. A vida urbana comprime multidões e, paradoxalmente, induz a solidão. O salário se gasta predominantemente em compra de serviços: educação, saúde, transporte e segurança.
Antes de 2030, todos se conectarão a todas as redes de informação por infraestruturas de alta fluidez, móveis e fixas, do tipo Google. A nanotecnologia produzirá computadores cada vez menores e portáteis. Multiplicar-se-ão os robôs domésticos.
O mundo envelhece. As cidades crescem. Se, de um lado, escasseiam bens insubstituíveis, de outro, produzem-se tecnologias que facilitam a redução do consumo de energia, o tratamento do lixo, o replanejamento das cidades e dos transportes.
O tempo se torna a única verdadeira raridade. Gasta-se menos tempo para produzir e mais para consumir. Assim, o tempo que um computador requer para ser confeccionado não se compara com aquele que o usuário dedicará para usá-lo.
Os produtos postos no mercado são “cronófagos”, isto é, devoram o tempo das pessoas. Basta observar como se usa o telefone celular. Objeto de multiuso, cada vez mais ele se impõe como sujeito com o poder de absorver o nosso tempo, a nossa atenção, até mesmo a nossa devoção.
Ainda que cercados de pessoas, ao desligar o celular nos sentimos exilados em uma ilha virtual. Do outro lado da janelinha eletrônica, o capital investido nas operadoras agradece tão veloz retorno...
Náufragos da modernidade líquida, há uma luta a se travar no que se refere à subjetividade: deixar-se devorar pelas garras do polvo tecnológico, que nos cerca por todos os lados, ou ousar exercer domínio sobre o tempo pessoal e reservar algumas horas à meditação, ao estudo, às amizades e à ociosidade amorosa. Há que decidir!
Frei Betto (http://domtotal.com/blog/)
“O tempo se torna a única verdadeira raridade”. A apropriação acelerada do tempo se manifestará também no estilo do autor. Um aspecto que demonstra, no estilo do autor, a escassez do tempo é:
Provas
Em relação ao ciclo hidrológico da água, pode se afirmar que:
Provas
A figura abaixo ilustra as etapas de execução de uma fundação profunda.

Essa fundação é conhecida como estaca tipo:
Provas
Para um pilar de concreto armado de seção transversal circular, a menor armadura longitudinal admissível é:
Provas
A figura abaixo apresenta parte da instalação sanitária de uma residência.

Sobre essa instalação, responda à questão.
A menor declividade admissível para a tubulação indicada pelo número 1 é de:
Provas
Dentre as alternativas a seguir, aquela que indica três equipamentos que podem ser utilizados em um estudo geotécnico é:
Provas
Caderno Container