Foram encontradas 50 questões.
Leia o texto para responder à questão.
Tecnologia a serviço da inclusão produtiva
O embate político em torno da economia do conhecimento é, sem dúvida, fundamental. Em particular, interessa discutir o potencial de inclusão produtiva do "andar de baixo" da economia, aproveitando o barateamento radical e mesmo a gratuidade dos processos de conectividade entre os agentes econômicos.
Diferentemente de outros recursos, o conhecimento é um bem cujo estoque não diminui quando o utilizamos, pelo contrário, multiplica-se. Por isso, os entraves para a inclusão produtiva, em sua maioria, não se referem a questões físicas, como a disponibilidade de máquinas, uma vez que o processo depende de insumos de baixo custo, densos em tecnologias simples e em organização.
Iniciativas pontuais estão se multiplicando no Brasil, com o acesso generalizado a conexões de internet de banda larga para facilitar o contato entre os agentes econômicos; parcerias entre comunidades e universidades com o objetivo de eliminar os intermediários no acesso à tecnologia, bancos comunitários de crédito e outras soluções para escapar do cartel da intermediação financeira; redes de pontos de cultura para possibilitar o acesso direto entre produtores e consumidores de conteúdo etc. Os exemplos são inúmeros e a variedade, também. É um dos desafios mais promissores: inverter o sinal político das novas tecnologias, transformando elitização em inclusão. Isso porque, de modo geral, o que atrapalha o desenvolvimento do pequeno empreendimento não é o tamanho, mas o isolamento que trava sua iniciativa e o torna dependente dos grandes intermediários ( bancos, questões comerciais, jurídicas, burocráticas).
As experiências têm alguns denominadores comuns: aproveitam as tecnologias que facilitam a conexão entre pessoas, empresas e organizações, buscam retirar os intermediários dos processos econômicos e, com isso, resgatam para si o valor agregado que era apropriado pelos diversos atravessadores. São os primeiros passos, mas o potencial é imenso.
(Ladislau Dowbor. Le monde diplomatique Brasil, out 2008. Adaptado)
Assinale a alternativa em que o trecho - ... conhecimento é um bem cujo estoque não diminui quando o utilizamos... - foi reescrito de acordo com a norma culta e não sofreu alteração em seu sentido original.
Provas
Questão presente nas seguintes provas
Dados os vetores: !$ 2 \hat {a}_{ \times} + 5 \hat{a}_{y} + 4 \hat{a}_{ z} !$ e !$ 3 \hat{a}_{ \times} - 5 \hat{a}_y - 2 \hat{a}_{ \times} !$ , assinale a alternativa que apresenta corretamente o resultado do produto escalar entre dois vetores.
Provas
Questão presente nas seguintes provas
Assinale a alternativa que apresenta corretamente o campo elétrico no ponto P(0,5, -1), responsável pelo surgimento do potencial elétrico, em [V], definido pela expressão:
!$ V = - 2Z^2 \left \{ 1 + sen ( \times ) \right \} !$
Provas
Questão presente nas seguintes provas
Assinale a alternativa que apresenta corretamente a densidade de corrente no ponto P(1,2,3), responsável pela formação do campo magnético, em [A/m], definido pela seguinte expressão:
!$ \vec{H} = 2Z^2 \hat{a}_{ \times} + { \Large { 1 \over \times}} \hat{a}_{Z} !$
Provas
Questão presente nas seguintes provas
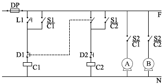
A figura o desenho dos circuitos de comando e potência para o acionamento de duas cargas elétricas monofásicas (cargas A e B).

Assinale a alternativa que descreve a lógica de comando implantada, de acordo com a figura.
Provas
Questão presente nas seguintes provas
O "método dos lúmens" é empregado nos projetos de luminotécnica e consiste no cálculo do nível de iluminamento, considerando a influência de todas as fontes de luz presentes na edificação, a atividade para qual a edificação é destinada, bem como a periodicidade de manutenção dos equipamentos de iluminação. Dessa forma, para um local que possui 100 [m2] de área útil, onde se pretende desempenhar uma atividade que requer um nível de iluminamento de 500 [lux], determine o fluxo luminoso total, considerando que os fatores de depreciação e de utilização são 0,8 e 0,625, respectivamente.
Provas
Questão presente nas seguintes provas
A figura ilustra um operário que arrasta um bloco, cujo peso é 55 [N], por 20[m] ao longo de uma superfície horizontal com velocidade constante.

Assinale a alternativa que apresenta o trabalho realizado pelo operário, supondo que o coeficiente de atrito dinâmico seja 0,1 que !$ \sqrt{2} = 1,4 !$.
Provas
Questão presente nas seguintes provas
Uma carga trifásica, desequilibrada e ligada em estrela solidamente aterrada, foi alimentada por uma fonte de tensão trifásica, simétrica e equilibrada. Esse arranjo foi observado por um engenheiro eletricista, que elaborou a tabela a seguir.
|
CORRENTES
DE LINHA
|
TENSÃO DE FASE | ||||
| A | B | C | A | B | C |
| !$ 1 \angle - 90^{ \circ} !$ | !$ 2 \angle 150^{ \circ} !$ | !$ 3 \angle 120^{ \circ} !$ | !$ 220 \angle 0^{ \circ} !$ | !$ 220 \angle - 120^{ \circ} !$ | !$ 220 \angle 120^{ \circ} !$ |
Assinale a alternativa que apresenta a potência consumida pelo arranjo em questão.
Provas
Questão presente nas seguintes provas
Assinale a alternativa que apresenta corretamente a derivada da função !$ y (t) = ( 2 + 2t^2)^{1,5} !$ em !$ t = 1 [s] !$
Provas
Questão presente nas seguintes provas
Considere a charge apara responder à questão.

( http://www.flavioblogger.com.br/charge_orkut.jpg)
A charge alerta para
Provas
Questão presente nas seguintes provas
Cadernos
Caderno Container