Foram encontradas 50 questões.
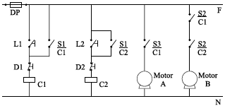
O intertravamento de processos, usualmente empregado em sistemas de automação industrial, é utilizado quando se deseja condicionar o acionamento de algum processo à ocorrência de outros eventos. A figura ilustra intertravamento típico.

De acordo com acionamento ilustrado, assinale a alternativa correta.
Provas
Questão presente nas seguintes provas
A respeito dos materiais elétricos semicondutores, são feitas as seguintes afirmações:
I. quando um material semicondutor composto de átomos de silício é dopado com o elemento químico Fósforo, a concentração de lacunas torna-se maior que antes da dopagem;
II. quando um material semicondutor composto de átomos de silício é dopado com o elemento químico Boro, a a concentração de lacunas torna-se menor que antes da dopagem;
III. tanto os materiais semicondutor dopados com Fósforo quanto os dopados com Boro apresentam elétrons que se movimentam por recombinação.
Provas
Questão presente nas seguintes provas
Acerca do movimento dos fluidos, são feitas as seguintes afirmações:
I. no escoamento estacionário, também denominado escoamento permanente, a velocidade do fluido em movimento, num determinado ponto, não varia no decorrer do tempo;
II. no escoamento incompressível, a densidade do fluido ideal pode variar de acordo com a pressão exercida sobre as partículas do fluido em questão;
III. no escoamento de um fluido ideal, não há perdas por atrito com as paredes do conduto por onde escoa o fluido.
Sobre as afirmações, pode-se dizer que
Provas
Questão presente nas seguintes provas
A figura ilustra os diagramas sequencias que representam os equivalentes de Thèvenin em uma barra de um sistema de potência qualquer. A barra em questão foi submetida a um curtocircuito trifásico frasco. Assinale a alternativa que apresenta corretamente a corrente de curtocircuito na fase A.

Provas
Questão presente nas seguintes provas
A respeito dos inversores do tipo pulse- width -modulated (PWM), são feitas as seguintes afirmações:
I. a tensão de entrada dos inversores do tipo PWM deve ser invariável;
II. os inversores PWM devem controlar a frequência da tensão de saída, porém mantendo a sua amplitude constante;
III. o controle da frequência da tensão de saída é efetuado a partir da modulação da amplitude da tensão de entrada do PWM.
Sobre as afirmações, pode-se dizer que
Provas
Questão presente nas seguintes provas
O circuito elétrico ilustrado na figura pode ser utilizado para a implantação de filtros passivos.

Nesse contexto, assinale a alternativa que apresenta a função de transferência do circuito elétrico em questão.
Provas
Questão presente nas seguintes provas
Uma máquina de corrente contínua de ligação independente opera à velocidade constante quando excitada por uma corrente de campo que produz uma força eletromotriz na armadura de 200 [V]. Nessa situação, a máquina possui uma tensão nos terminais da armadura de 198 [V]. Supondo que a resistência de armadura seja 0,05 [ !$ \Omega !$], assinale a alternativa que apresenta, correta e respectivamente, o modo de operação da máquina (motor ou gerador), sua corrente de armadura e a potência (consumida ou produzida) da máquina.
Provas
Questão presente nas seguintes provas
Uma fonte de tensão trifásica, de sequência positiva e simétrica, alimenta uma carga trifásica equilibrada. Supondo que a carga e a fonte estejam ligadas na configuração estrela solidariamente aterrada, que a impedância da carga seja !$ 6 + j8 [ \Omega] !$ por fase, e que a tensão de fase da fonte, na fase de referência, seja !$ 120 \angle 0^{ \circ} [ \Omega] !$ , assinale a alternativa que apresenta corretamente a corrente que circula pela carga, na fase de referência.
Provas
Questão presente nas seguintes provas
O seguinte circuito ilustrado está em regime permanente senoidal. Assinale a alternativa que apresenta corretamente a tensão no capacitador. Para tanto, considere que a frequência angular das fontes 10 [rad/s] e que !$ \sqrt{2} = 1,4 !$.

Provas
Questão presente nas seguintes provas
Assinale a alternativa em que a concordância verbal está correta, de acordo com a norma culta.
Provas
Questão presente nas seguintes provas
Cadernos
Caderno Container