Foram encontradas 40 questões.
3606701
Ano: 2025
Disciplina: Engenharia Elétrica
Banca: FUNDATEC
Orgão: Pref. Tangará Serra-MT
Disciplina: Engenharia Elétrica
Banca: FUNDATEC
Orgão: Pref. Tangará Serra-MT
Provas:
- Conceitos BásicosMateriais Elétricos
- EletromagnetismoForça e Circuito Magnético
- Transformadores e Máquinas Elétricas
As perdas por histerese (que, em grego, significa atraso) são perdas de energia que
ocorrem quando um material magnético é submetido a um campo magnético alternado. A figura abaixo mostra a curva (laço ou ciclo) de histerese:
Em relação ao tema, analise as assertivas a seguir:
I. Aumento gradualmente a partir de zero até P1. II. Campo magnético B e campo magnético aplicado H. III. B aumenta de zero seguindo a curva que vai da origem O até o ponto P1 (curva de magnetização). IV. O valor do campo no ponto r, quando H é nulo, é a magnetização residual Br. V. O ponto P2 é o ponto de saturação, magnetização no sentido oposto.
Quais estão corretas?
Em relação ao tema, analise as assertivas a seguir:
I. Aumento gradualmente a partir de zero até P1. II. Campo magnético B e campo magnético aplicado H. III. B aumenta de zero seguindo a curva que vai da origem O até o ponto P1 (curva de magnetização). IV. O valor do campo no ponto r, quando H é nulo, é a magnetização residual Br. V. O ponto P2 é o ponto de saturação, magnetização no sentido oposto.
Quais estão corretas?
Provas
Questão presente nas seguintes provas
3606700
Ano: 2025
Disciplina: Engenharia Elétrica
Banca: FUNDATEC
Orgão: Pref. Tangará Serra-MT
Disciplina: Engenharia Elétrica
Banca: FUNDATEC
Orgão: Pref. Tangará Serra-MT
Provas:
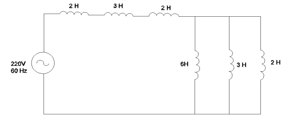
Faça a redução do circuito série e paralelo da figura abaixo e calcule a indutância
total (equivalente) e a reatância indutiva. Considere π =3,14 e duas casas depois da vírgula.
A resposta correta para indutância total e a reatância do circuito vale:
A resposta correta para indutância total e a reatância do circuito vale:
Provas
Questão presente nas seguintes provas
3606699
Ano: 2025
Disciplina: Engenharia Elétrica
Banca: FUNDATEC
Orgão: Pref. Tangará Serra-MT
Disciplina: Engenharia Elétrica
Banca: FUNDATEC
Orgão: Pref. Tangará Serra-MT
Provas:
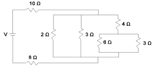
Faça a redução do circuito série e paralelo da figura abaixo e calcule a resistência total (equivalente).

É correto afirmar que a resistência total ou equivalente do circuito vale:
Provas
Questão presente nas seguintes provas
3606698
Ano: 2025
Disciplina: Engenharia Elétrica
Banca: FUNDATEC
Orgão: Pref. Tangará Serra-MT
Disciplina: Engenharia Elétrica
Banca: FUNDATEC
Orgão: Pref. Tangará Serra-MT
Provas:
- Instalações ElétricasEquipamentos em Baixa Tensão
- Normas TécnicasNBRsNBR 5410: Instalações Elétricas de Baixa Tensão
O diagrama unifilar do quadro de cargas de uma instalação elétrica de baixa tensão tem a seguinte configuração:

I. O disjuntor geral tripolar com 5 circuitos bifásicos.
II. O disjuntor geral tripolar com 5 circuitos monofásicos.
III. Os cabos de alimentação do disjuntor principal são de 10 mm².
IV. O disjuntor geral bipolar com 5 circuitos bifásicos.
Quais estão corretas?
Provas
Questão presente nas seguintes provas
3606697
Ano: 2025
Disciplina: Engenharia Elétrica
Banca: FUNDATEC
Orgão: Pref. Tangará Serra-MT
Disciplina: Engenharia Elétrica
Banca: FUNDATEC
Orgão: Pref. Tangará Serra-MT
Provas:
Faça a redução do circuito série e paralelo da figura abaixo e calcule a capacitância total (equivalente). Considere π = 3,14 e realize o arredondamento a partir da segunda casa decimal.
A resposta correta para capacitância total do circuito vale:
A resposta correta para capacitância total do circuito vale:
Provas
Questão presente nas seguintes provas
3606696
Ano: 2025
Disciplina: Eletroeletrônica
Banca: FUNDATEC
Orgão: Pref. Tangará Serra-MT
Disciplina: Eletroeletrônica
Banca: FUNDATEC
Orgão: Pref. Tangará Serra-MT
Provas:
Os acionamentos de partida de motores elétricos, podem ser de partida direta, partida
estrela triângulo, partida com chave compensadora e partida com Soft Starter. Analise a figura a
seguir, que ilustra uma comparação entre os valores de corrente exigidos para esses métodos de
partida de motores:
Sobre o tema, analise as assertivas abaixo:
I. Gráfico 1 representa partida direta. II. Gráfico 3 representa chave compensadora. III. Gráfico 2 representa estrela triângulo. IV. Gráfico 3 representa soft starter.
Quais estão corretas?
Sobre o tema, analise as assertivas abaixo:
I. Gráfico 1 representa partida direta. II. Gráfico 3 representa chave compensadora. III. Gráfico 2 representa estrela triângulo. IV. Gráfico 3 representa soft starter.
Quais estão corretas?
Provas
Questão presente nas seguintes provas
3606695
Ano: 2025
Disciplina: Engenharia Elétrica
Banca: FUNDATEC
Orgão: Pref. Tangará Serra-MT
Disciplina: Engenharia Elétrica
Banca: FUNDATEC
Orgão: Pref. Tangará Serra-MT
Provas:
- Transformadores e Máquinas ElétricasMáquinas Síncronas
- Transformadores e Máquinas ElétricasMáquina de Indução
Máquinas elétricas são dispositivos que fazem conversão eletromecânica de energia,
equipamento que converte energia elétrica (relacionada com tensão e corrente) em energia mecânica
(torque, rotação) é denominado motor elétrico. Os motores elétricos são classificados como síncronos
ou assíncronos, de acordo com a relação entre a velocidade de rotação do rotor e o campo magnético
girante do estator. Sobre o tema, analise as assertivas abaixo:
I. Máquinas síncronas são aquelas em que o rotor gira exatamente na mesma velocidade que o campo magnético girante, independentemente da carga imposta.
II. Máquinas assíncronas são aqueles em que o funcionamento depende de uma diferença entre as duas velocidades, chamada de escorregamento.
III. O motor síncrono também é conhecido como motor de indução.
IV. Nos motores síncronos, o rotor irá girar numa velocidade menor que a do campo do estator.
Quais estão corretas?
I. Máquinas síncronas são aquelas em que o rotor gira exatamente na mesma velocidade que o campo magnético girante, independentemente da carga imposta.
II. Máquinas assíncronas são aqueles em que o funcionamento depende de uma diferença entre as duas velocidades, chamada de escorregamento.
III. O motor síncrono também é conhecido como motor de indução.
IV. Nos motores síncronos, o rotor irá girar numa velocidade menor que a do campo do estator.
Quais estão corretas?
Provas
Questão presente nas seguintes provas
3606694
Ano: 2025
Disciplina: Engenharia Elétrica
Banca: FUNDATEC
Orgão: Pref. Tangará Serra-MT
Disciplina: Engenharia Elétrica
Banca: FUNDATEC
Orgão: Pref. Tangará Serra-MT
Provas:
- Instalações ElétricasAterramentos
- Normas TécnicasNBRsNBR 5419: Sistema de Proteção contra Descargas Atmosféricas
Uma escola municipal de Ensino Fundamental deseja instalar em sua edificação um
Sistema de Proteção contra Descargas Atmosféricas (SPDA), pois, em estudo preliminar, se orienta a
instalar sistema de acordo com a norma NBR 5419:2015. São os principais componentes que devem
ser listados para atender essa demanda:
I. Captores, sinalizadores, mastro, cordoalha e cabo de cobre. II. Conectores. III. Muflas. IV. Espaçadores, eletroduto de PVC rígido ou metálico. V. Hastes de aterramento.
Quais estão corretos?
I. Captores, sinalizadores, mastro, cordoalha e cabo de cobre. II. Conectores. III. Muflas. IV. Espaçadores, eletroduto de PVC rígido ou metálico. V. Hastes de aterramento.
Quais estão corretos?
Provas
Questão presente nas seguintes provas
3606693
Ano: 2025
Disciplina: Engenharia Elétrica
Banca: FUNDATEC
Orgão: Pref. Tangará Serra-MT
Disciplina: Engenharia Elétrica
Banca: FUNDATEC
Orgão: Pref. Tangará Serra-MT
Provas:
- Instalações ElétricasEquipamentos em Média Tensão
- Instalações ElétricasSubestações
- Proteção de Sistemas ElétricosProteção em Média Tensão
- Transformadores e Máquinas ElétricasMáquinas EstáticasTransformador de Potência
- Sistemas Elétricos de PotênciaDistribuição de Energia Elétrica
A Prefeitura Municipal de Tangará possui uma subestação transformadora abrigada
com transformador trifásico de 300 KVA, tensão de operação 380/220 Volts e solicita a sua fiscalização
para acompanhar a manutenção preventiva. A programação de desligamento junto à concessionária
do sistema elétrico deve ser solicitada com antecedência, para que seja desligada as chaves fusíveis
da rede de média tensão. São serviços que devem ser realizados na manutenção preventiva:
I. Limpeza do local, inspeção visual e revisão das conexões
II. Verificação do nível de óleo, verificação dos terminais de aterramento e termografia.
III. Reaperto das conexões, limpeza da cabine e relatório.
IV. Troca do transformador, termografia e relatório.
V. Troca da chave seccionadora, termografia e relatório.
Quais estão corretos?
I. Limpeza do local, inspeção visual e revisão das conexões
II. Verificação do nível de óleo, verificação dos terminais de aterramento e termografia.
III. Reaperto das conexões, limpeza da cabine e relatório.
IV. Troca do transformador, termografia e relatório.
V. Troca da chave seccionadora, termografia e relatório.
Quais estão corretos?
Provas
Questão presente nas seguintes provas
3606692
Ano: 2025
Disciplina: Engenharia Elétrica
Banca: FUNDATEC
Orgão: Pref. Tangará Serra-MT
Disciplina: Engenharia Elétrica
Banca: FUNDATEC
Orgão: Pref. Tangará Serra-MT
Provas:
- Transformadores e Máquinas ElétricasMáquinas de Corrente Contínua
- Transformadores e Máquinas ElétricasMáquinas Síncronas
- Transformadores e Máquinas ElétricasMáquina de Indução
São os principais tipos de motores elétricos que existem atualmente no mercado:
I. Motor de corrente alternada. II. Motor de corrente contínua. III. Motores universais.
Quais estão corretos?
I. Motor de corrente alternada. II. Motor de corrente contínua. III. Motores universais.
Quais estão corretos?
Provas
Questão presente nas seguintes provas
Cadernos
Caderno Container