Foram encontradas 60 questões.
3605911
Ano: 2025
Disciplina: Eletroeletrônica
Banca: FUNDATEC
Orgão: Pref. Tangará Serra-MT
Disciplina: Eletroeletrônica
Banca: FUNDATEC
Orgão: Pref. Tangará Serra-MT
Provas:
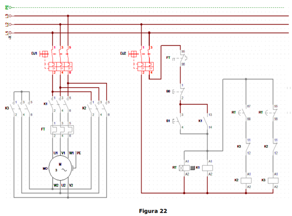
A Figura 22 abaixo apresenta o diagrama de força e controle de um motor trifásico
de 6 terminais.
Considerando as informações apresentadas, é correto afirmar que se trata de um diagrama esquemático de partida
Considerando as informações apresentadas, é correto afirmar que se trata de um diagrama esquemático de partida
Provas
Questão presente nas seguintes provas
3605910
Ano: 2025
Disciplina: Engenharia Elétrica
Banca: FUNDATEC
Orgão: Pref. Tangará Serra-MT
Disciplina: Engenharia Elétrica
Banca: FUNDATEC
Orgão: Pref. Tangará Serra-MT
Provas:
Em relação aos conceitos básicos de luminotécnica, analise as assertivas abaixo:
I. Existem basicamente três tipos de lâmpadas elétricas: etéreas, luminescentes e fosforescentes.
II. Intensidade luminosa, fluxo luminoso e iluminamento são algumas das grandezas fundamentais da luminotécnica.
III. A cor da luz é determinada pela amplitude da onda eletromagnética.
IV. O nível de ruído acústico interfere diretamente na propagação da luz no ambiente.
Quais estão corretas?
I. Existem basicamente três tipos de lâmpadas elétricas: etéreas, luminescentes e fosforescentes.
II. Intensidade luminosa, fluxo luminoso e iluminamento são algumas das grandezas fundamentais da luminotécnica.
III. A cor da luz é determinada pela amplitude da onda eletromagnética.
IV. O nível de ruído acústico interfere diretamente na propagação da luz no ambiente.
Quais estão corretas?
Provas
Questão presente nas seguintes provas
3605909
Ano: 2025
Disciplina: Eletroeletrônica
Banca: FUNDATEC
Orgão: Pref. Tangará Serra-MT
Disciplina: Eletroeletrônica
Banca: FUNDATEC
Orgão: Pref. Tangará Serra-MT
Provas:
Considerando o circuito apresentado na Figura 21 abaixo, determine o valor do
capacitor Cx para que a capacitância equivalente seja de 50 µF.


Provas
Questão presente nas seguintes provas
3605908
Ano: 2025
Disciplina: Engenharia Elétrica
Banca: FUNDATEC
Orgão: Pref. Tangará Serra-MT
Disciplina: Engenharia Elétrica
Banca: FUNDATEC
Orgão: Pref. Tangará Serra-MT
Provas:
Assinale a alternativa que indica representação fasorial de potências de um circuito
CA com as características abaixo:
V = 200 V/0°
S = 2k VA/45°
V = 200 V/0°
S = 2k VA/45°
Provas
Questão presente nas seguintes provas
3605907
Ano: 2025
Disciplina: Engenharia Elétrica
Banca: FUNDATEC
Orgão: Pref. Tangará Serra-MT
Disciplina: Engenharia Elétrica
Banca: FUNDATEC
Orgão: Pref. Tangará Serra-MT
Provas:
Considerando o circuito apresentado na Figura 20 e as informações abaixo, determineo fluxo de corrente total no circuito.
• ω = 1.000 rad/s.
• Arredondamento a partir da segunda casa decimal e assuma 141,4 ≈100. √2

• ω = 1.000 rad/s.
• Arredondamento a partir da segunda casa decimal e assuma 141,4 ≈100. √2

Provas
Questão presente nas seguintes provas
3605906
Ano: 2025
Disciplina: Engenharia Elétrica
Banca: FUNDATEC
Orgão: Pref. Tangará Serra-MT
Disciplina: Engenharia Elétrica
Banca: FUNDATEC
Orgão: Pref. Tangará Serra-MT
Provas:
Com base na NBR 5410, assinale a alternativa correta sobre o diagrama unifilar
apresentado na Figura 19 abaixo.


Provas
Questão presente nas seguintes provas
3605905
Ano: 2025
Disciplina: Eletroeletrônica
Banca: FUNDATEC
Orgão: Pref. Tangará Serra-MT
Disciplina: Eletroeletrônica
Banca: FUNDATEC
Orgão: Pref. Tangará Serra-MT
Provas:
Uma luminária, também conhecida tecnicamente como “aparelho de iluminação”, é
um aparelho que distribui, direciona, filtra ou converte a luz emitida por uma ou mais lâmpadas e que
contém todos os dispositivos necessários para fixar e proteger essas lâmpadas e para ligá-las ao
circuito de alimentação. São requisitos básicos de uma luminária, EXCETO:
Provas
Questão presente nas seguintes provas
3605904
Ano: 2025
Disciplina: Eletroeletrônica
Banca: FUNDATEC
Orgão: Pref. Tangará Serra-MT
Disciplina: Eletroeletrônica
Banca: FUNDATEC
Orgão: Pref. Tangará Serra-MT
Provas:
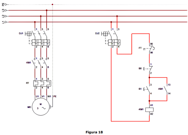
A Figura 18 abaixo exibe os diagramas de força e controle de partida direta de um
motor trifásico.
Enumere os passos abaixo de acordo com a ordem correta de execução de partida do sistema elétrico da Figura 18.
( ) Pressionar o botão B1.
( ) O botão B1 quando pressionado, energiza a contatora KM1.
( ) Ligar disjuntores DJ1 e DJ2.
( ) A contatora KM1 energizada aciona a chave tripla KM1, fechando-as e energizando o motor, que entrará em funcionamento.
A ordem correta de preenchimento dos parênteses, de cima para baixo, é:
Enumere os passos abaixo de acordo com a ordem correta de execução de partida do sistema elétrico da Figura 18.
( ) Pressionar o botão B1.
( ) O botão B1 quando pressionado, energiza a contatora KM1.
( ) Ligar disjuntores DJ1 e DJ2.
( ) A contatora KM1 energizada aciona a chave tripla KM1, fechando-as e energizando o motor, que entrará em funcionamento.
A ordem correta de preenchimento dos parênteses, de cima para baixo, é:
Provas
Questão presente nas seguintes provas
3605903
Ano: 2025
Disciplina: Engenharia Eletrônica
Banca: FUNDATEC
Orgão: Pref. Tangará Serra-MT
Disciplina: Engenharia Eletrônica
Banca: FUNDATEC
Orgão: Pref. Tangará Serra-MT
Provas:
Sobre a expressão lógica a seguir, assinale a alternativa correta.
\( \overline{A}.B+A.\overline{B}=\overline{A}.\overline{B}+A.B \)
Provas
Questão presente nas seguintes provas
3605902
Ano: 2025
Disciplina: Eletroeletrônica
Banca: FUNDATEC
Orgão: Pref. Tangará Serra-MT
Disciplina: Eletroeletrônica
Banca: FUNDATEC
Orgão: Pref. Tangará Serra-MT
Provas:
Analise o circuito da Figura 17 abaixo, considerando o que segue:
• O circuito encontra-se inicialmente inativo.
• As chaves S1 e S2 presentes no circuito encontram-se inicialmente abertas.
• Considere as tensões e cargas adequadamente dimensionadas.
Com base nas informações apresentadas, analise as assertivas a seguir:
I. Independentemente das situações das chaves S1 e S2, o motor CC não irá funcionar.
II. Enquanto as chaves S1 e S2 permanecerem na situação inicial, o motor CC não irá funcionar.
III. Ao fechar a chave S1, o LED1 acenderá e o motor CC entrará em funcionamento.
IV. Após o fechamento da chave S1, o fechamento da chave S2 somente acenderá o LED2, não interferindo em nada no funcionamento do motor CC.
V. Na situação da chave S1 fechada e chave S2 aberta, a chave S1 poderá ser aberta, pois o motor CC continuará funcionando, no entanto, o LED1 irá apagar.
Quais estão corretas?
• O circuito encontra-se inicialmente inativo.
• As chaves S1 e S2 presentes no circuito encontram-se inicialmente abertas.
• Considere as tensões e cargas adequadamente dimensionadas.
Com base nas informações apresentadas, analise as assertivas a seguir:
I. Independentemente das situações das chaves S1 e S2, o motor CC não irá funcionar.
II. Enquanto as chaves S1 e S2 permanecerem na situação inicial, o motor CC não irá funcionar.
III. Ao fechar a chave S1, o LED1 acenderá e o motor CC entrará em funcionamento.
IV. Após o fechamento da chave S1, o fechamento da chave S2 somente acenderá o LED2, não interferindo em nada no funcionamento do motor CC.
V. Na situação da chave S1 fechada e chave S2 aberta, a chave S1 poderá ser aberta, pois o motor CC continuará funcionando, no entanto, o LED1 irá apagar.
Quais estão corretas?
Provas
Questão presente nas seguintes provas
Cadernos
Caderno Container