Foram encontradas 40 questões.
“Esta Norma Regulamentadora se aplica às fases de geração, transmissão, distribuição e consumo, incluindo as etapas de projeto, construção, montagem, operação, manutenção das instalações elétricas e quaisquer trabalhos realizados nas suas proximidades, observando-se as normas técnicas oficiais estabelecidas pelos órgãos competentes e, na ausência ou omissão destas, as normas internacionais cabíveis.” Esse texto refere-se ao campo de aplicação da
Provas
Em atividades laborais, quando um risco não pode ser eliminado por equipamentos de proteção coletiva, torna-se obrigatório o emprego de equipamentos de proteção individuais (EPIs) que proporcionem adequada proteção ao trabalhador, conforme a atividade a ser realizada. Para que o EPI possa ser utilizado com segurança pelo trabalhador, é imprescindível que tenha
Provas
Considere o trecho de uma instalação predial de baixa tensão mostrado na figura a seguir, no qual a tensão da rede de distribuição é de 127/220 V.

(Arquivo pessoal; imagem usada com autorização)
Interpretando-se adequadamente as informações contidas no diagrama, é correto afirmar que
Provas
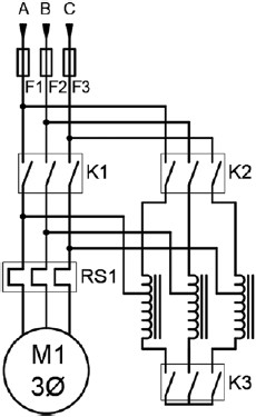
Considere o diagrama de força mostrado na figura a seguir.

(Arquivo pessoal; imagem usada com autorização)
Durante a partida do motor M1, é(são) acionado(s) o(s) contator(es):
Provas
Considere o diagrama de uma parte de uma instalação elétrica de baixa tensão mostrado na figura a seguir.

(Arquivo pessoal; imagem usada com autorização)
Pela interpretação adequada do diagrama, é correto afirmar que o
Provas
Uma máquina é alimentada por uma rede monofásica com tensão nominal de 220 V. Durante a operação em condições nominais, mediu-se a corrente e a potência ativa consumida pela máquina, e os valores encontrados foram respectivamente 35 A e 6.160 W. Nessas condições, o fator de potência da máquina é:
Provas
Um equipamento trifásico de baixa tensão tem os seguintes dados de placa: tensão nominal: 220 V; potência nominal: 11,43 kW; fator de potência: 0,75. A corrente de linha aproximada desse equipamento é:
Provas
A proteção contra sobretensões em redes aéreas de distribuição urbanas de média tensão é realizada por meio de:
Provas
Considere o diagrama mostrado na figura a seguir, que representa uma parte de uma instalação de baixa tensão.

(Arquivo pessoal; imagem usada com autorização)
Considerando os instrumentos ideais, os valores indicados pelo amperímetro e pelo voltímetro são, respectivamente:
Provas
Um motor de indução trifásico possui 6 terminais para conexões nas suas tensões nominais de 220 e 380 V. A rede de alimentação apresenta tensão entre fases de 380 V. Admitindo que a rede não tenha restrições quanto à corrente de partida do motor, os métodos de partida que podem ser utilizados nessas condições são:
Provas
Caderno Container