Foram encontradas 40 questões.
A maioria das baterias estão equipadas com visor de carga que informa o estado de carga e o nível de ácido da bateria, por meio da visualização de cores. Quando está incolor ou amarelo indica
Provas
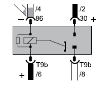
Observe o relê universal automotivo, representado no esquema elétrico, identifique o defeito e assinale a alternativa correta.

Provas
As lâmpadas de freio de um veículo de passeio apresentam falhas intermitentes com o pedal acionado. Esse problema é comumente provocado por
Provas
O proprietário de um veículo reclama que a bateria se descarrega durante a noite com tudo desligado, e para efetuar o teste de consumo de corrente, e diagnosticar o problema, deve-se
Provas
Nas baterias automotivas existe um adesivo com as identificações e especificações técnicas para aplicação correta para cada veículo. A codificação 12V-60Ah-CCA 600A significa:
Provas
Um veículo de passeio apresenta queima de fusível ao acionar a chave do farol. Na inspeção, o eletricista verificou que as lâmpadas foram substituídas para uma potência de P=100 W. O fusível correto seria de
Provas
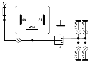
O condutor reclama de variação de frequência e potência das lâmpadas quando aciona a chave do indicador de direção. Analise o circuito elétrico, conforme imagem, e, a seguir, assinale a alternativa que indica o problema.

Provas
No esquema de ligação do relê do limpador do para-brisa conforme imagem, o pino 53M corresponde a

Provas
O componente elétrico conforme imagem, utilizado nos sistemas de injeção eletrônica flexíveis atuais, tem como função

Provas
O componente elétrico conforme imagem, comum e muito importante em todos os veículos, quando inoperante provocará um problema de

Provas
Caderno Container