Foram encontradas 40 questões.
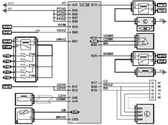
Observe a imagem a seguir.

Disponível em: <www.webautomotivo.com.br>. Acesso em: 26 dez. 2023. [Adaptado].
O diagrama elétrico automotivo a seguir representa um mapa das conexões elétricas entre componentes de um sistema. A partir da figura, verifica-se nela a presença de um
Provas
Analise a figura a seguir.

Disponível em: <www.ibama.gov.br>. Acesso em: 26 dez. 2023.
A Resolução Conama nº 362/2005, que dispõe sobre o recolhimento, coleta e destinação final de óleo lubrificante usado ou contaminado (OLUC), e sua cadeia de reciclagem, determina que o
Provas
Observe as figuras a seguir.

Disponível em: <www.visaototalecv.com.br>. Acesso em: 26 dez. 2023. [Adaptado].
Com base na análise da figura, onde as partes claras indicam perda de material, e nos conhecimentos de mecânica automotiva, a figura que mostra um pneu que possui degaste prematuro devido ao seu uso com baixa pressão é
Provas
O Conama, por meio do programa Proconve, determina as taxas de emissões de enxofre, particulados e outras substâncias emitidas pelos veículos automotores no Brasil. Nos veículos movidos a diesel, a tecnologia
Provas
São peças, componentes ou partes de motores que podem ser encontrados nos motores com injeção eletrônica de ciclo Diesel, e nos motores eletrônicos de ciclo Otto
Provas
Observe as figuras a seguir.

Disponível em: <www.copafer.com.br>. Acesso em: 26 dez. 2023.
Uma oficina mecânica conta com um arsenal de ferramentas e chaves de diversas formas e medidas. Analisando as figuras apresentadas observa-se a presença
Provas
Observe as figuras a seguir.

Disponível em: <www.novaimport.com.br>. Acesso em: 26 dez. 2023.
Os filtros automotivos têm a função de reter partícula ou contaminante que compromete o bom funcionamento de um automóvel. Com base nas figuras e nos conhecimentos de mecânica automotiva, a imagem da
Provas
Observe a figura a seguir.

Disponível em: <ensus.com.br>. Acesso em: 26 dez. 2023. [Adaptado].
A união de peças por meio do parafuso é corretamente realizada, do ponto de vista técnico, com o auxílio de um torquímetro. A figura mostra duas peças unidas por um parafuso e seus esforços. Com base na figura e nos conhecimentos de mecânica, o torque aplicado ao parafuso deve produzir um pré-carregamento
Provas
A presença de alguns sintomas sugere a existência de defeitos específicos nos motores, como atesta a mecânica automotiva ao afirmar que
Provas
O sistema de freio de um veículo automotor, é importante o suficiente para justificar a adoção de manutenção preventiva. Alguns sinais podem indicar problemas no sistema de freios, como por exemplo
Provas
Caderno Container